CAFE

오디오 이야기

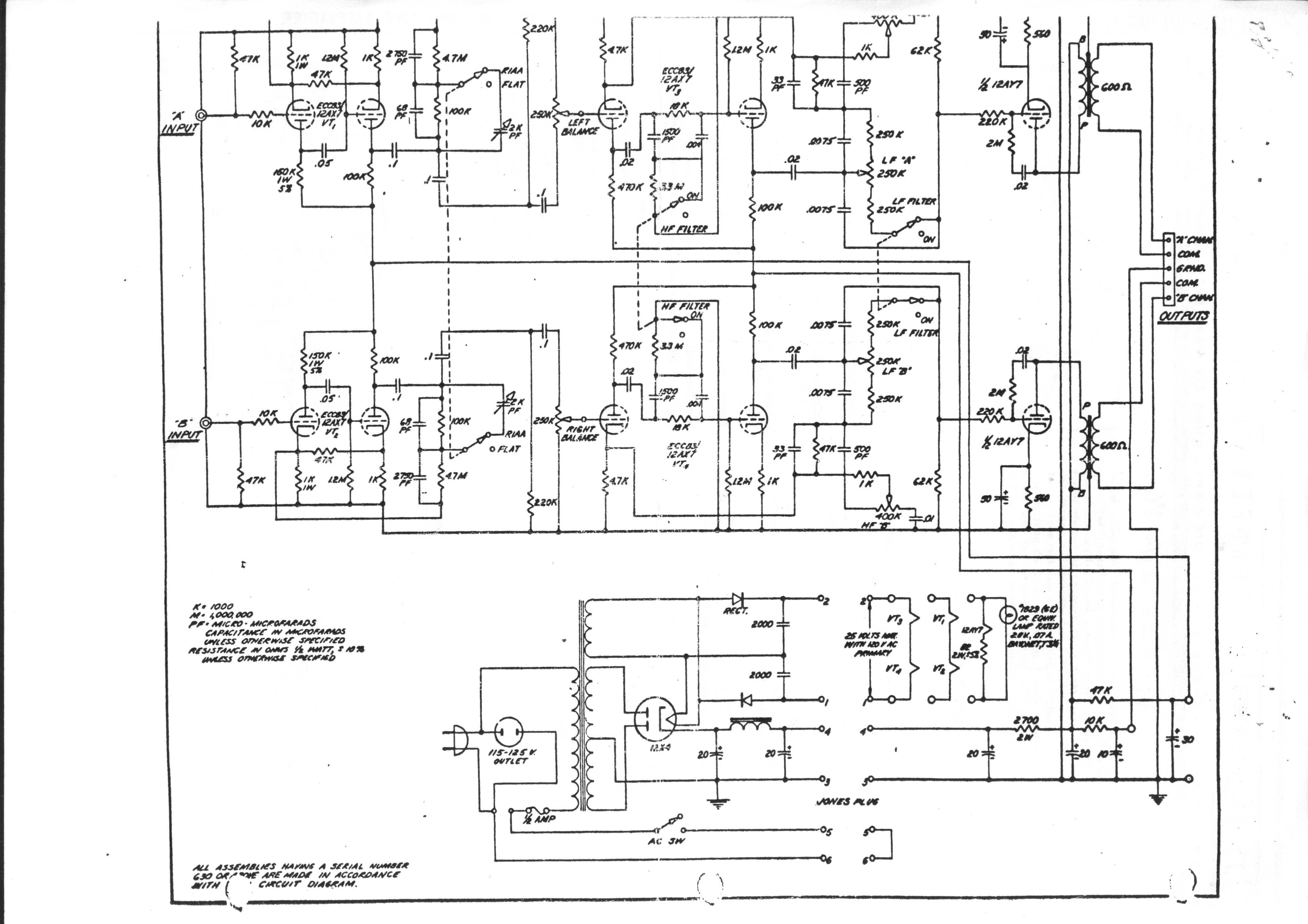
SHRE Professional 프리 앰프 SE-1 자작 소개

작성자HL2IR|작성시간26.02.16|조회수114 목록 댓글 5

제가 자작한 프리앰프에 대하여 인공지능 Chat GPT와 대화해 보았습니다.

 

HL2IR의 첯번째 질문:

 

Shure SE-1 preamp 를 자작으로 만들었습니다. 회로와 똑 같이 만들었는데 입구부터 3번쨰 진공관과 네번째 진공관 사이의 커플링 capacitor를 0.02 에서 0.05로 바꾸었고 4번쨰 진공관에서 Tone control 회로를 거쳐 5번쨰 출구 진공관으로 가는 커플링 capacitor를 0.02에서 0.01로 바꾸었습니다. 가지고 있는 부품으로 만들었기떄문 입니다. 오리지널 회로와 변경된 결과가 어떤 차이가 있는지 궁금합니다. 현재 완성 되 서 좋은 소리를 들려주고 있습니다. 부품을 구해서 오리지널 회로와 똑같이 만들까요?

 

Chat GPT의 첯번쨰 답변:

 

선생님, 자작 완성 축하드립니다. 👏
좋은 소리가 난다니 무엇보다 다행입니다.

 

말씀하신 변경은 모두 커플링 커패시터 값 변경이므로, 기본적으로는 **저역 차단 주파수(하이패스 코너 주파수)**와 약간의 위상 특성 변화에 영향을 줍니다. 증폭도 자체에는 거의 영향이 없습니다.

 


① 3번관–4번관 사이

 

0.02µF → 0.05µF (증가)

변화

  • 저역 차단 주파수 ↓ (더 낮아짐)

  • 더 깊은 저음 통과

  • 위상 지연이 약간 증가

  • 저역에서 더 “두툼”하고 “여유 있는” 느낌 가능

예를 들어 다음 단의 그리드 저항이 470kΩ~1MΩ라면:

C값대략적인 저역 코너

0.02µF약 15~20Hz
0.05µF약 6~8Hz

즉, 가청대역(20Hz 이상)에서는 거의 차이가 없지만
초저역과 위상 여유가 조금 더 생깁니다.

👉 음색적으로는 약간 더 묵직하고 안정적인 저음이 될 가능성.

 


② 4번관 → 톤회로 → 5번 출력관

 

0.02µF → 0.01µF (감소)

변화

  • 저역 차단 주파수 ↑ (조금 올라감)

  • 저음이 약간 정리됨

  • 타이트하고 선명한 느낌 가능

만약 다음단 그리드 저항이 500kΩ이라면:

C값대략적인 저역 코너

0.02µF약 16Hz
0.01µF약 32Hz

이 경우 20~40Hz 부근에서 약간 롤오프가 생깁니다.

 

👉 저역이 살짝 줄고 더 또렷하게 들릴 수 있음
👉 혼탁함이 줄어드는 방향

 


전체적으로 보면

앞단에서 저역을 늘렸고
뒷단에서 저역을 조금 줄였습니다.

결과적으로는:

  • 초저역은 충분히 확보

  • 최종 출력단에서는 저역을 약간 정리

  • 전체 밸런스는 오히려 안정적일 가능성 있음

지금 “좋은 소리”가 나는 이유가 여기에 있을 수도 있습니다.


바이어스나 안전 문제는?

두 변경 모두:

  • DC 바이어스 영향 거의 없음

  • 진공관 수명 영향 없음

  • 안전 문제 없음

단, 0.05µF가 필름 품질이 낮거나 누설이 많다면 그건 별개의 문제입니다.


오리지널로 되돌릴 필요가 있을까요?

 

제가 선생님 시스템을 기억해보면:

  • WE 300B 싱글

  • Tannoy Lancaster Monitor Gold 15"

  • McIntosh C20 등

저역이 풍부하고 에너지 큰 시스템입니다.

그런 시스템에서는:

  • 출력단 0.01µF가 오히려 더 잘 맞을 가능성

  • 과도한 저역 에너지 방지

👉 개인적으로는


지금 소리가 만족스럽다면 굳이 바꿀 필요 없습니다.

 


언제 오리지널로 복원할까?

 

다음 경우라면 시도해볼 가치가 있습니다:

  • 저역이 약간 부족하다고 느껴질 때

  • 오케스트라에서 콘트라베이스가 가볍게 들릴 때

  • 원 설계자의 의도를 정확히 재현하고 싶을 때


제 권장 방법

 

지금 상태 그대로 충분히 사용하시고
나중에 시간 나실 때:

  • 출력단 커플링만 0.02로 바꿔 비교 청취

  • A/B 테스트

그 후 결정하시는 것이 가장 합리적입니다.

 


결론

 

✔ 현재 회로는 이론적으로 큰 문제 없음
✔ 음질적으로도 충분히 합리적인 변경
✔ 만족하신다면 그대로 사용 권장
✔ 나중에 비교 실험은 재미있는 시도

 


원하시면


Shure SE-1 회로의 전체 저역 차단 구조를 단계별로 계산해 드릴까요?
(각 RC 시정수 합성해서 전체 롤오프 예측해 드릴 수 있습니다.)

 

HL2IR의 두번쨰 질문: 

 

0.05 는 미국 sprague 사의 vintage black beauty 입니다. 0.01은 현대 Kimber Kap 의 필름 컨덴서 입니다.

 

Chatgpt의 두번쨰 답변:

 

선생님, 이제 이야기가 훨씬 흥미로워졌습니다. 😊
단순한 용량 차이 문제가 아니라, 부품 성격 차이까지 포함된 변화입니다.

 


① 0.05µF — Sprague Black Beauty (Vintage)

 

Black Beauty 160P 계열은 보통:

  • 종이/오일(PIO) 또는 early film 타입

  • ESR 비교적 높음

  • 유전흡수(DA) 약간 있음

  • 미세 누설 가능성 있음 (빈티지 특성)

음질적 경향 (일반적 평가)

  • 부드럽고

  • 중역이 두툼

  • 약간의 빈티지한 온기

  • 초고역이 살짝 둥글게 들릴 수 있음

특히 앞단(3→4단)에서 사용하셨기 때문에


프리앰프의 전체 톤 캐릭터를 결정하는 위치입니다.

 

이 위치에 Black Beauty라면:

👉 질감과 음악성 위주
👉 약간 낭만적이고 밀도 있는 소리

 


② 0.01µF — Kimber Kable Kimber Kap (Modern Film)

Kimber Kap은:

  • 폴리프로필렌 필름

  • ESR 매우 낮음

  • 누설 거의 없음

  • 고역 투명도 우수

  • 빠른 트랜지언트

출력단 직전 커플링이므로:

👉 해상도와 선명도에 직접 영향
👉 저역을 약간 정리
👉 소리의 포커싱을 잡아줌

 


지금 조합의 성격

 

앞단 = Black Beauty (0.05) → 따뜻함, 질감
출력단 = Kimber Kap (0.01) → 정교함, 정리된 저역

이건 의외로 매우 균형 잡힌 조합입니다.

요약하면:

  • 중역은 풍부

  • 고역은 깨끗

  • 저역은 과도하지 않음

  • 빈티지 + 현대적 해상도의 혼합

선생님 시스템을 생각하면:

  • WE 300B 싱글 (이미 따뜻함 존재)

  • Tannoy Monitor Gold (중역 밀도 높음)

만약 출력단까지 Black Beauty 0.02였다면
저역이 조금 더 퍼지고 무거워질 가능성이 있습니다.

지금 구조가 오히려 더 현대적 밸런스일 수 있습니다.

 


한 가지 중요한 점 ⚠

빈티지 Black Beauty는 반드시 확인해야 할 것이 있습니다:

  • DC 누설 전압 측정

  • 그리드에 DC가 새지 않는지 확인

특히 다음 단이 고저항 그리드(500k~1M)라면
누설이 있으면 바이어스가 틀어질 수 있습니다.

지금 소리가 안정적이라면 큰 문제는 없겠지만
측정은 한번 권합니다.


오리지널 0.02로 바꾸면?

가능한 변화:

  • 저역 약간 더 늘어남

  • 전체가 조금 더 빈티지해짐

  • 해상도는 약간 둥글어질 가능성

그러나 지금처럼:

"완성되어 좋은 소리를 들려주고 있습니다."

라면 저는 이렇게 말씀드리고 싶습니다:

 

🎵 이미 음악이 좋게 들린다면, 회로는 성공한 것입니다.
이론보다 귀가 우선입니다.

 


제 개인적인 판단

 

지금 조합은:

"의도치 않았지만 상당히 세련된 튜닝"

굳이 오리지널로 되돌릴 필요는 없어 보입니다.


원하시면


Black Beauty가 실제로 누설이 있는지 간단히 점검하는 방법을 단계별로 설명해 드릴까요?
(테스터기로 가능한 방법)

 

HL2IR의 세번쨰 질문:

 

SHURE 사의 SE-1 오리지널 프리 앰프를 사용하는 사람들의 사용자 평은 어떤가요?

 

ChatGPT의 세번쨰 답변:

 

사실 Shure SE-1 프리앰프는 매우 오래된 구형 기기로, 지금도 활발하게 쓰이거나 리뷰가 많이 올라오는 제품은 아닙니다.
검색 가능한 사용자 평가나 의견은 극히 제한적이지만, 다음과 같은 점들이 정리됩니다:

 


🔎 1) 사용자 리뷰(구형 포럼)

  • Audiofanzine에 기록된 유일한 리뷰에서는
    SE-1을 튜브 기반 RIAA 포노 프리앰프로 소개하며:

✔ 설치 및 사용이 간단
✔ 튜브 특유의 따뜻한 사운드
✔ 레코드 재생 등에 적당

이라고 평가되어 있습니다. (4/5, 한 사용자)


하지만 튜닝이나 녹음장비용 마이크 프리앰프로 널리 쓰인다는 평은 따로 찾기 어렵고, 회로 특성상 RIAA형 포노용이라는 설명이 많습니다.

 

※ 실제로 SE-1은 원래 포노 레코드 RIAA 프리로 개발된 것으로 알려져 있고, 이를 다른 용도로 전용해 쓰는 사람도 일부 있습니다.

 


🎧 2) 시대가 너무 오래된 제품

 

SE-1은 1960년대 생산된 제품으로 현재 활동적인 리뷰 커뮤니티가 거의 없습니다.
따라서 단순히 현대 사용자평을 모은 자료는 부족합니다.

대신 비슷한 구형 프리앰프나 빈티지 기기에 대한 일반적인 반응은 아래와 같습니다:

 

✔ 빈티지 튜브 프리앰프는 따뜻하고 풍부한 사운드로 선호됨
✔ 그러나 현대 장비 대비 노이즈 / 정밀도 부족 의견도 존재
✔ 사용자에 따라 감상용·레코드용·모니터링 용도로 평가가 달라짐

이런 경향은 빈티지 오디오 커뮤니티에서도 흔합니다.

 


📌 3) 결론 정리

평가 포인트일반적인 의견

소리 성향따뜻하고 빈티지한 특성이 있다 (튜브 특성)
녹음용 품질현대 스튜디오급 프리앰프보다 덜 정밀
희소성/희귀성지금 보기 드문 제품
사용 후기 흔함매우 한정적 (리뷰 거의 없음)

🧠 참고

오늘날 인터넷 상에서 활발히 논의되는 내용은 대부분 최신 마이크·프리앰프 (예: SM7B, 인라인 프리앰프 등) 쪽 리뷰이며, SE-1처럼 오래된 빈티지 장비는 리뷰 커뮤니티에서 언급이 매우 드뭅니다.

즉, 사용자 평가가 없어서 ‘좋다/나쁘다’로 단정짓기 어렵다는 것이 현실적 결론입니다.

 


👍 실용적인 판단 기준

SE-1에 대한 평가를 직접 하지 못하는 대신, 이런 평가 포인트를 고려하면 도움이 됩니다:

 

✔ 현재 잘 작동하고 좋은 소리인가?

네 — 이미 좋은 음질이면 큰 문제 없음

✔ 노이즈/히스가 동반되는가?

튜브 프리앰프엔 가끔 있음 — 현대 프리보다 크림감이 강하지만 히스가 있을 수 있음

✔ 레코드·오디오 감상용인가?

튜브 특유의 톤 때문에 좋다는 평가 유도

✔ 모니터링/정확도 목적으로 쓰는가?

현대식 프리앰프가 더 정확

 


원하시면 SE-1과 비슷한 빈티지 프리앰프들(예: Fairchild, McIntosh, Fisher 등)의 사용자 평가나 현대 오디오 애호가들의 의견도 정리해서 알려드릴까요? (비교 청취 관점)

 

HL2IR의 네번쨰 질문:

 

이 프리 앰프는 미국 UTC 회사의 고품질 출럭트랜스 A34를 사용하여 출력을 합니다. 일반적으로 트랜스 결합 프리앰프는 에너지 넘치는 박력있는 소리를 냅니다. 이상한 점은 기술력이 좋은 유명 Shure 가 이 앰프 회로 설계를 당시 싸구려 프리앰프 키트였던 Dynaco 사의 PAS 3 와 똑 같이 만들고 마지막에 진공관 12AY7 을 추가 햐여 UTC 출력 트랜스로 출력토록 한점 입니다.

 

ChatGPT의 네번쨰 답변:

 

선생님 말씀은 매우 정확하고 핵심을 짚으셨습니다.
이 부분은 역사적 배경을 같이 보면 이해가 됩니다.

 


🔷 UTC A-34 출력 트랜스

UTC
UTC A-34

UTC A-34는 당시 방송/스튜디오용으로 쓰이던 고급 라인 트랜스입니다.

특징:

  • 니켈 코어 (고급형)

  • 넓은 대역폭

  • 높은 2차 임피던스 정합 정확도

  • 밸런스 출력 가능

이 트랜스를 쓰면 일반 RC 커플링 출력과는 다르게:

  • 저역이 단단해짐

  • 에너지 밀도 증가

  • 트랜지언트가 강하게 느껴짐

  • 약간의 “철심 질감”이 생김

선생님 말씀처럼
트랜스 결합 프리는 대체로 박력 있고 에너지감이 큽니다.

 


🔷 Dynaco PAS-3와의 유사성

 

Dynaco
Dynaco PAS-3

PAS-3 회로는:

  • 12AX7 다단 RC 커플링

  • 수동 RIAA

  • 비교적 단순한 전원부

  • 키트 판매용 저가 설계

맞습니다.
회로 철학이 “고급 스튜디오 기기”라기보다는
합리적인 가정용 설계에 가깝습니다.

 


🔷 왜 Shure가 그렇게 했을까?

 

Shure

여기서 중요한 점은 Shure의 정체성입니다.

1960년대 Shure는:

  • 마이크·카트리지 전문 회사

  • 스튜디오 콘솔 제조사가 아님

  • 하이엔드 프리 전문 설계 회사도 아님

즉, Shure의 목표는:

카트리지와 잘 맞는, 안정적이고 합리적인 포노 프리

였을 가능성이 큽니다.

 


🔷 왜 PAS-3와 비슷한가?

 

그 시대에는 이미:

  • Mullard 회로 예제

  • RCA Tube Manual 표준 회로

  • Dynaco 회로

가 사실상 “교과서 설계”였습니다.

많은 회사들이:

  • 기본 증폭부는 표준 RC 설계 사용

  • 출력만 차별화

하는 방식을 택했습니다.

 


🔷 핵심 차이: 마지막 12AY7 + UTC 출력

여기가 Shure의 개성입니다.

PAS-3는 캐소드 팔로워 RC 출력

SE-1은:

  • 12AY7 추가

  • 트랜스 결합

  • 방송용 출력 임피던스 대응

이것은 단순 소비자용이 아니라:

“프로 장비나 긴 케이블 구동 가능” 설계입니다.

 


🔷 설계 철학 비교

항목PAS-3SE-1

기본 증폭부표준 RC거의 동일
출력단캐소드 팔로워12AY7 + UTC 트랜스
용도가정용 키트방송/카트리지 매칭
음색부드럽고 온화더 에너지 있고 밀도 있음

 


🔷 제 개인적인 해석

 

Shure는 아마 이렇게 생각했을 가능성이 큽니다:

“검증된 안정적인 증폭 회로를 쓰고,
출력단에서 품질을 올리자.”

즉,

  • 앞단은 교과서

  • 출력단에서 브랜드 이미지 유지

이 전략은 기술력이 부족해서가 아니라
상업적으로 매우 합리적인 선택입니다.

 


🔷 오히려 흥미로운 점

 

선생님이 자작하신 구성은:

  • 앞단: 빈티지 질감 (Black Beauty)

  • 출력단: 현대 필름

  • UTC A-34 트랜스

이 조합은 원 설계보다 오히려 더 균형 잡혀 있을 가능성도 있습니다.

 


🔷 결론

 

Shure가 “싸구려 설계”를 그대로 베꼈다기보다는

✔ 당시 표준 회로를 채택
✔ 출력단에서 차별화
✔ 카트리지 회사답게 신뢰성 중시

로 보는 것이 더 정확합니다.

다음검색
현재 게시글 추가 기능 열기

댓글

댓글 리스트
  • 작성자HL5IL | 작성시간 26.02.17 AI 때문에 이제 전문가가 필요 없게 되었습니다.(AI 다루는 기술만 배우면 될테니까) hi
    Pre- AMP에 사용한 UTC A-34 트랜스는 제가 가진 책자에도 안 나오는 걸 봐서 나중에 생산된
    트랜스 같은데 2차는 600옴 이라 표기되어 있는데 1차 임피던스가 얼마인가요?
    회로를 보고 짐작하건대 최소 10K옴 전후가 아닐까 싶은데....

    저는 임피던스 표기가 없는 매칭 트랜스들이 여러개 있는데 우리가 가진 계측기들로
    트랜스의 임피던스 측정 할 수 있는 방법을 알고 계시는지요?

    사진은 Triad 600:600 매칭 트랜스 HS-56인데 소리전자에서 1조에 6~70만원 하던데 불행히도
    1개 밖에 없어서 1개를 더 구해서 짝을 맞추어 판매하려 합니다.
    댓글 첨부 이미지 이미지 확대
  • 작성자HL2IR 작성자 본인 여부 작성자 | 작성시간 26.02.17 1 차 임피던스 25 K ohm 이고 전류 용량 3 mA 입니다.
    고 임피던스로 전류를 흘리면서 진공관 플레이트에 연결하는 프리앰프용 트랜스는 특성이 좋게 만들기가 매우 어렵기 때문에
    귀하고 가격도 매우 고가 입니다. UTC A34는 20 Hz 에서 15000 Hz까지 평탄한 특성을 가진 고 품질 입니다.
    전류를 흘리지 않고 매칭용으로 만 쓰는 트랜스는 음질 향상에 별 도움을 않 주고 일부 오디오쟁이들이 기분상 음질이 좋다고 하는 것입니다. 임피던스 측정 방법은 ChatGPT에게 물어 보십시요.
  • 작성자HL1FY | 작성시간 26.02.18 저 본문하고는 직접적으로 관계가 없울 지는 모르지만.. AI.. 저 FY의 경우에는 HL2IR om을 통해서 chatGPT를 알고 난 후에 이 놈(?)에게 빠지게 됩니다. 새롭게 구입한 yaesu FT-710과 관련된 갖가지 사용법이나 메뉴의 활용법은 물론 제 건강과 관련한 고혈압과 부정맥 등 심장질환.. 혈당문제를 바롯헌 시시콜콜한 것까지.. 전문의의 상식을 뛰어 넘는 정보에 푹~ 빠져들개 합니다. 정말로 똑똑하지만 사용자가 똑똑한 질뭄을 하면 현명한 답을 주는 반면에. 미련스럽개 물어보면 똑같이 멍청해 지는 것 같은 느낌으로 연인(?)처럼 다가 오기에 더욱 그러합니다. ㅎㅎㅎ
  • 답댓글 작성자HL2IR 작성자 본인 여부 작성자 | 작성시간 26.02.18 병원 의사는 시간이 없어 자세히 설명을 해주지 않는데 ChatGPT는 자세히 설명을 해줍니다.
    저도 신장병과 심장병이 있는데 도움을 많이 받고 있습니다.
    피검사 자료를 입력하여 설명을 듣고 운동 부하 검사 심전도 해석도 해줍니다.
    저는 건강 검사 자료를 40년간 보관하고 있어 과거 자료를 입력하면 그동안 경과를 가지고 앞으로
    10년간 예측도 해주어 크게 도움을 받고 있습니다.
  • 답댓글 작성자HL1FY | 작성시간 26.02.21 HL2IR 그렇다니까요.... 똑똑하게 질문하면 답도 똑똑한데... 멍청하게 질문하면 멍청한 답이 나와요...ㅋㅋㅋ
댓글 전체보기
맨위로

카페 검색

카페 검색어 입력폼