CAFE

지식의숲

[스크랩] 육각볼트 (HEX BOLT) [규격]

작성자장이환|작성시간09.08.27|조회수5,109 목록 댓글 0

≫ 육각볼트 (HEX BOLT) ≪

 

표준 육각 볼트

size
section

 

M6

 

M8

 

M10

M12

 

M14

 

M16

U1/4"

 

U5/16"

 

U3/8"

 

 

U1/2"

 

U5/8"

 

d1

6.23-6.25

6

7.79-7.94

8

9.38-9.52

10

12

12.53-12.70

14

15.68-15.88

16

H

3.81-4.14

4

4.96-5.35

5.5

5.74-6.17

7

8

7.67-8.20

9

9.60-10.23

10

B

10.88-11.12

10

12.42-12.70

13(12)

14.00-14.27

17(14)

19(17)

18.69-19.05

22(19)

23.42-23.82

24(22)

C(Aprox)

12.40-12.28

11.5

12.42-14.65

15

15.96-16.51

19.6

21.9

21.34-22.00

25.4

26.70-27.50

27.7

D(Aprox)

 

9.8

 

12.6

 

16.5

18

 

21

 

23

r(Min)

0.38

0.25

0.38

0.4

0.38

0.4

0.6

0.38

0.6

0.5

0.6

k(Aprox)

 

1

 

1.2

 

1.5

2

 

2

 

2

7

 

 

 

 

 

 

10

18s

 

 

 

 

 

12

22s

26s

 

 

 

16

 

 

 

18

30s

34s

 

20

38s

22

25

28

30

40

50

60

70

100

 

125

 

 

 

140

 

 

 

36s

40s

44s

160

 

 

 

 

 

 

180

 

 

 

 

 

 

200

 

 

 

 

 

 

250

 

 

 

 

 

 

300

 

 

 

 

 

 

size
section

M18

 

M20

M22

 

M24

 

M27

 

M30

 

U3/4"

 

 

U7/8"

 

U1"

 

U1 1/8"

 

d1

18

18.83-19.25

20

22

22.00-22.22

24

25.15-25.40

27

28.30-28.57

30

H

12

11.56-12.26

13

14

13.49-14.30

15

15.02-15.92

19

16.72-18.23

19

B

27(24)

27.94-28.57

30(27)

32(30)

32.64-33.32

36(32)

37.32-38.10

41

41.41-42.87

46

C(Aprox)

31.2

31.86-32.99

34.6

37

37.21-38.50

41.6

42.66-43.99

47.3

47.22-49.50

53.1

D(Aprox)

26

 

29

31

 

34

 

39

 

44

r(Min)

0.6

0.5

0.8

0.8

1.0

0.8

1.52

1.0

1.52

1.0

k(Aprox)

2.5

 

2.5

2.5

 

3.0

 

3.0

 

3.5

7

 

 

 

 

 

 

10

 

 

 

 

 

 

12

 

 

 

 

 

 

16

 

 

 

 

 

 

18

 

 

 

 

 

 

20

 

 

 

 

 

 

22

42s

 

 

 

 

 

25

46s

 

 

 

 

28

50s

54s

 

 

30

60s

 

40

66s

50

60

70

100

125

140

48s

52s

52s

60s

66s

72s

160

180

200

250

 

 

 

 

79s

85s

300

 

 

 

 

 

 

 

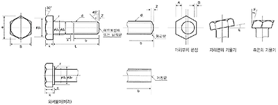
 6각 볼트의 규격

나사의 호칭

ds

k

s

e

dk'

r

da

z

A-B

E및 F

보통나사

P

기준 치수

허용차

기준 치수

허용차

기준치수

허용차

최소

최대

최대

최대

M3

-

3

0
-0.1

2

±0.1

5.5

0
-0.2

6.4

5.3

0.1

3.6

0.6

0.2

(M3.5)

-

3.5

2.4

6

6.9

5.8

0.1

4.1

0.6

0.2

M4

-

4

2.8

7

8.1

6.8

0.2

4.7

0.8

0.2

(M4.5)

-

4.5

3.2

±0.15

8

9.2

7.8

0.2

5.2

0.8

0.3

M5

0.8

5

3.5

8

9.2

7.8

0.2

5.7

0.9

0.3

M6

1.0

6

4

10

11.5

9.8

0.25

6.8

1

0.3

(M7)

1.0

7

0
-0.15

5

11

0
-0.25

12.7

10.7

0.26

7.8

1

0.3

M8

1.25

8

5.5

13

15

12.6

0.4

9.2

1.2

0.4

M10

1.5

10

7

±0.2

17

19.6

16.5

0.4

11.2

1.5

0.5

M12

1.75

12

0
-0.2

8

19

0
-0.35

21.9

18

0.6

13.7

2

0.7

(M14)

2.0

14

9

22

25.4

21

0.6

15.7

2

0.7

M16

2.0

16

10

24

27.7

23

0.6

17.7

2

0.8

(M18)

2.5

18

12

27

31.2

26

0.6

20.2

2.5

0.9

M20

2.5

20

13

30

34.6

29

0.8

22.4

2.5

0.9

(M22)

2.5

22

14

32

0
-0.4

37

31

0.8

24.4

2.5

1.1

M24

3.0

24

15

36

41.6

34

0.8

26.4

3

1.2

(M27)

3.0

27

17

41

47.3

39

1

30.4

3

1.3

M30

3.5

30

19

±0.25

46

53.1

44

1

33.4

3.5

1.5

(M33)

3.5

33

0
-0.25

21

50

57.7

48

1

36.4

3.5

1.6

M36

4.0

36

23

55

0
-0.45

63.5

53

1

39.4

4

1.8

(M39)

4.0

39

25

60

69.3

57

1

42.4

4

2

M42

4.5

42

26

65

75

62

1.2

45.6

4.5

2.1

(M45)

4.5

45

28

70

80.8

67

1.2

48.6

4.5

2.3

M48

5.0

48

30

75

86.5

72

1.6

52.6

5

2.4

(M52)

5.0

52

0
-0.3

33

±0.3

80

92.4

77

1.6

56.6

5

2.6

M56

5.5

56

35

85

0
-0.55

98.1

82

2

63

5.5

2.8

(M60)

5.5

60

38

90

104

87

2

67

5.5

3

M64

6.0

64

40

95

110

92

2

71

6

3

(M68)

6.0

68

43

100

115

97

2

75

6

3.3

-

-

72

45

105

121

102

2

79

6

3.3

-

-

76

48

110

127

107

2

83

6

3.5

-

-

80

50

115

133

112

2

87

6

3.5

 

육각 볼트

 

나사의 呼稱 d

d1

H

B

C

D

R
最小

da
最大

k

자리붙이
일때

S

길이

보통나사

가는나사

h

D1
最小

ℓ≤125

130-
200

ℓ≥220

小形大角볼트
·
上中

M8
M10
M12
(M14)
M16

(M18)
M20
(M22)
(M24)
(M27)

M30
(M33)
M36
(M39)

M8×1
M10×1.25
M12×1.25
(M14×1.5)
M16×1.5

(M18×1.5)
(M20×1.5)
(M22×1.5)
M24×2
(M27×2)

M30×2
(M33×2)
M36×3
(M39×3)

8
10
12
14
16

18
20
22
24
27

30
33
36
39

5.5
7
8
9
10

12
13
14
15
17

19
21
23
25

12
14
17
19
22

24
27
30
32
36

41
46
50
55

13.9
16.2
19.6
21.9
25.4

27.7
31.2
34.6
37
41.6

47.3
53.1
57.7
63.5

11.5
13.5
16.5
18
21

23
26
29
31
34

39
44
48
53

0.4
0.4
0.6
0.6
0.6

0.6
0.8
0.8
0.8
1

1
1
1
1

9.2
11.2
14.2
16.2
18.2

20.2
22.4
24.4
26.4
30.4

33.4
36.4
39.4
42.4

1.2
1.5
2
2
2

2.5
2.5
2.5
3
3

3.5
3.5
4
4

0.4
0.4
0.6
0.6
0.6

0.6
0.6
0.6
0.6





 

10.8
12.6
15.8
17.6
20.4

22.3
25.6
28.5
30.4





 

22
26
30
34
38

42
46
50
54
60

66
72
78
84



36
40
44

48
52
56
60
66

72
78
84
90











79

85
91
97
103

11∼100
14∼100
18∼140
20∼140
22∼140

25∼200
28∼200
28∼200
30∼220
35∼240

40∼240
45∼240
50∼240
50∼240

大角볼트
·

M3×0.5
(M3.5)
M4×0.7
(M4.5)
M5×0.8

M6
(M7)
M8
M10
M12

(M14)
M16
(M18)
M20
(M22)

M24
(M27)
M30
(M33)
M36

(M39)
M42
(M45)
M48
(M52)

M56
(M60)
M64
(M68)
-

-
-

-
-
-
-
-

-
-
M8×1
M10×1.25
M12×1.25

(M14×1.5)
M16×1.5
(M18×1.5)
M20×1.5
(M22×1.5)

M24×2
(M27×2)
M30×2
(M33×2)
M36×3

(M39×3)
-
-
-
-

-
-
-
-
M72×6

(M76×6)
M80×6

3
3.5
4
4.5
5

6
7
8
10
12

14
16
18
20
22

24
27
30
33
36

39
42
45
48
52

56
60
64
68
72

76
80

2
2.4
2.8
3.2
3.5

4
5
5.5
7
8

9
10
12
13
14

15
17
19
21
23

25
26
28
30
33

35
38
40
43
45

48
50

5.5
6
7
8
8

10
11
13
17
19

22
24
27
30
32

36
41
46
50
55

60
65
70
75
80

85
90
95
100
105

110
115

6.4
6.9
8.1
9.2
9.2

11.5
12.7
15
19.6
21.9

25.4
27.7
31.2
34.6
37

41.6
47.3
53.1
57.7
63.5

69.3
75
80.8
86.5
92.4

98.1
104
110
115
121

127
133

5.3
5.8
6.8
7.8
7.8

9.8
10.7
12.6
16.5
18

21
23
26
29
31

34
39
44
48
53

57
62
67
72
77

82
87
92
97
102

107
112

0.1
0.1
0.2
0.2
0.2

0.25
0.25
0.4
0.4
0.6

0.6
0.6
0.6
0.8
0.8

0.8
1
1
1
1

1
1.2
1.2
1.6
1.6

2
2
2
2
2

2
2

3.6
4.1
4.7
5.2
5.7

6.8
7.8
9.2
11.2
14.2

16.2
18.2
20.2
22.4
24.4

26.4
30.4
33.4
36.4
39.4

42.4
45.6
48.6
52.6
56.6

63
67
71
75
79

83
87

0.6
0.6
0.8
0.8
0.9

1
1
1.2
1.5
2

2
2
2.5
2.5
2.5

3
3
3.5
3.5
4

4
4.5
4.5
5
5

5.5
5.5
6
6
6

6
6

0.4

0.4
0.4
0.4
0.4
0.6

0.6
0.6
0.6
0.6
0.6

0.6














 

7.2

9
10
11.7
15.8
17.6

20.4
22.3
25.6
28.5
30.4

34.2














 

12
14
14
16
16

18
20
22
26
30

34
38
42
46
50

54
60
66
72
78

84
90
96
102









 











36

40
44
48
52
56

60
66
72
78
84

90
96
102
108
116

124
132
140
148
156

164
172




















79
85
91
97

103
109
115
121
129

137
145
153
161
169

177
185

5∼32
5∼32
6∼40
6∼40
7∼50

7∼70
11∼100
11∼100
14∼100
18∼140

20∼140
22∼140
25∼200
28∼200
28∼200

30∼220
35∼240
40∼240
45∼240
50∼240

50∼240
55∼325
55∼325
60∼325
130∼400

130∼400
130∼400
130∼400
130∼400
130∼400

130∼400
130∼400

 

 

육각볼트 (HEX BOLTS)

 
◆ METRIC(KS B 1002)(JIS B 1180)     Unit: mm
Bolt
diameter
d₁ H B C

App
R

Min
S Pitch
Basic Basic Basic Coarse Fine
M6
M8
M10
M12
(M14)
M16
(M18)
M20
(M22)
M24
(M27)
M30
(M33)
M36
M42
6
8
10
12
14
16
18
20
22
24
27
30
33
36
42
4
5.5
7
8
9
10
12
13
14
15
17
19
21
23
26
10
13
17
19
22
24
27
30
32
36
41
46
50
55
65
11.5
15
19.6
21.9
25.4
27.7
31.2
34.6
37
41.6
47.3
53.1
57.7
63.5
75
0.25
0.4
0.4
0.6
0.6
0.6
0.6
0.8
0.8
0.8
1
1
1
1
1.2
18
22
26
30
34
38
42
46
50
54
60
66
72
78
90
1
1.25
1.5
1.75
2
2
2.5
2.5
2.5
3
3
3.5
3.5
4
4.5
-
1
1.25
1.25
1.5
1.5
1.5
1.5
1.5
2
2
2
2
3
-
◆UNIFIED (ANSI B 18.2.1) Unit: inch
  d₁ B C H R S(Ref)

Nominal Size or Basic Bolt Dia

Body
Dia

Width Across
Flots

Width Across
Corners

Height

Radius
of Fillet
Thread Length
ForBolt
Lengths≤ 6in
ForBolt
Lengths> 6in
    Max Basic Max Min Max Min Basic Max Min Max Min Basic Basic
1/4
5/16
3/8
7/16
1/2
5/8
3/4
7/8
1
1-1/8
1-1/4
1-3/8
1-1/2
1-3/4
2
2-1/4
0.2500
0.3125
0.3750
0.4375
0.5000
0.6250
0.7500
0.8750
1.0000
1.1250
1.2500
1.3750
1.5000
1.7500
2.0000
2.2500
0.260
0.324
0.388
0.452
0.515
0.642
0.768
0.895
1.022
1.149
1.277
1.404
1.531
1.875
2.039
2.305
7/16
1/2
9/16
5/8
3/4
15/16
1-1/8
1-5/16
1-1/2
1-11/16
1-7/8
2-1/16
2-1/4
2-5/8
3
3-3/8
0.438
0.500
0.562
0.625
0.750
0.938
1.125
1.312
1.500
1.688
1.875
2.062
2.250
2.625
3.000
3.375
0.425
0.484
0.544
0.603
0.725
0.906
1.088
1.269
1.450
1.631
1.812
1.994
2.175
2.538
2.900
3.262
0.505
0.577
0.650
0.722
0.866
1.083
1.299
1.516
1.732
1.949
2.165
2.382
2.598
3.031
3.464
3.897
0.484
0.552
0.620
0.687
0.826
1.033
1.240
1.477
1.653
1.859
2.066
2.273
2.480
2.893
3.306
3.719
11/64
7/32
1/4
19/64
11/32
27/64
1/2
37/64
43/64
3/4
27/32
29/32
1
1-5/32
1-11/32
1-1/2
0.188
0.235
0.268
0.316
0.364
0.444
0.524
0.604
0.700
0.780
0.876
0.940
1.036
1.196
1.388
1.548
0.150
0.195
0.226
0.272
0.302
0.378
0.455
0.531
0.591
0.658
0.749
0.810
0.902
1.054
1.175
1.327
0.03
0.03
0.03
0.03
0.03
0.06
0.06
0.06
0.09
0.09
0.09
0.09
0.09
0.12
0.12
0.19
0.01
0.01
0.01
0.01
0.01
0.02
0.02
0.02
0.03
0.03
0.03
0.03
0.03
0.04
0.04
0.06
0.750
0.875
1.000
1.125
1.250
1.500
1.750
2.000
2.250
2.500
2.750
3.000
3.250
3.750
4.250
4.750
1.000
1.125
1.250
1.375
1.500
1.750
2.000
2.250
2.500
2.750
3.000
3.250
3.500
4.000
4.500
5.000
◆HEAVY (ANSI B 18.2.1)      Unit: inch
  d₁ B C H R S(Ref)

Nominal Size or Basic Bolt Dia

Body
Dia

Width Across
Flots

Width Across
Corners

Height

Radius
of Fillet
Thread Length
ForBolt Lengths ≤ 6in ForBolt Lengths >6in
    Max Basic Max Min Max Min Basic Max Min Max Min Basic Basic
1/2
5/8
3/4
7/8
1
1-1/8
1-1/4
1-3/8
1-1/2
1-3/4
2
2-1/4
2-1/2
2-3/4
3
0.5000
0.6250
0.7500
0.8750
1.0000
1.1250
1.2500
1.3750
1.5000
1.7500
2.0000
2.2500
2.5000
2.7500
3.0000
0.515
0.642
0.768
0.895
1.022
1.149
1.277
1.404
1.531
1.785
2.039
2.305
2.559
2.872
3.081
7/8
1-1/16
1-1/4
1-7/16
1-5/8
1-13/16
2
2-3/16
2-3/8
2-3/4
3-1/8
3-1/2
3-7/8
4-1/4
4-5/8
0.875
1.062
1.250
1.438
1.625
1.812
2.000
2.188
2.375
2.750
3.125
3.500
3.875
4.250
4.625
0.850
1.031
1.212
1.394
1.575
1.756
1.938
2.119
2.300
2.662
3.025
3.388
3.750
4.112
4.475
1.010
1.227
1.443
1.660
1.876
2.093
2.309
2.562
2.742
3.175
3.608
4.041
4.474
4.907
5.340
0.969
1.175
1.383
1.589
1.796
2.002
2.209
2.416
2.622
3.035
3.449
3.862
4.275
4.688
5.102
11/32
27/64
1/2
37/64
43/64
3/4
27/32
29/32
1
1-5/32
1-11/32
1-1/2
1-21/32
1-13/16
2
0.364
0.444
0.524
0.604
0.700
0.780
0.876
0.940
1.036
1.196
1.388
1.548
1.708
1.869
2.060
0.302
0.378
0.455
0.531
0.591
0.658
0.749
0.810
0.902
1.054
1.175
1.327
1.479
1.632
1.815
0.03
0.06
0.06
0.06
0.09
0.09
0.09
0.09
0.09
0.12
0.12
0.19
0.19
0.19
0.19
0.01
0.02
0.02
0.02
0.03
0.03
0.03
0.03
0.03
0.04
0.04
0.06
0.06
0.06
0.06
1.250
1.500
1.750
2.000
2.250
2.500
2.750
3.000
3.250
3.750
4.250
4.750
5.250
5.750
6.250
1.500
1.750
2.000
2.250
2.500
2.750
3.000
3.250
3.500
4.000
4.500
5.000
5.500
6.000
6.500

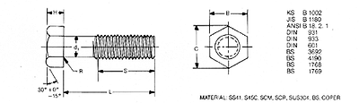
고장력6각 볼트,너트 (HIGH STRENGTH HEX BOLT NUT)

  • 고장력6각 볼트,너트 와셔는 KSB1010및 JISB1186,
    ASTM A325,ASTM A490에 의해 생산되며 주로
    철구조물의 마찰 접합용으로 사용된다.

 ◆ 종류및 등급

세트의 종류

적용하는 구성부품의 기계적 성질에 따른 등급

기계적 성질에 따른 종류

토오크 계수치에 따른 종류

볼트

너트

와셔

1

A

F8T

F10(F8)

F35

B

2

A

F10T

F10

B

(3)

A

(F11T)

B

◆시험편에 의한 기계적 성질

등급

Yield Strength
Kgf/mm²

Tensile Strength
Kgf/mm²

Elongation
%

Reduction of Area
%

F8T

64min

80 to 100

16min

45min

F10T

90min

100 to 120

14min

40min

F11T

95min

110 to 130

14min

40min

◆제품에 의한 기계적 성질

구분

인장하중(min)(Kgf)


경도
(HRC)

나사의 호칭

등급

M12

M16

M20

M22

M24

M27

M30

F8T
F10T
F11T

6.740
8.430
9.270

12.600
15.700
17.300

19.600
24.500
27.000

24.200
30.300
33.300

28.200
35.300
38.800

36.700
45.900
50.500

44.900
56.100
61.700

18-31
27-38
30-40

 

건축용 볼트( H/T B.N.2W/F10T) 

  •  건축용 볼트( H/T B.N.2W/F10T)


길이
M16 M20 M22 M24
중량(g) 포장수량 중량(g) 포장수량 중량(g) 포장수량 중량(g) 포장수량
세트 볼트 세트 볼트 세트 볼트 세트 볼트
40 202 105 120 336 175              
45 210 113 120 348 187 80 481 240 50 630 305  
50 217 120 120 361 200 70 496 255 50 648 323  
55 225 128 120 373 212 70 510 269 50 666 341 40
60 233 136 110 385 224 65 525 284 40 683 358 40
65 241 144 110 398 237 65 540 299 45 701 376 40
70 249 152 100 410 249 60 555 314 40 719 394 35
75 257 160 100 422 261 60 570 329 40 737 412 35
80 265 168 100 435 274 55 585 344 40 754 429 35
85 273 176 100 447 286 55 600 359 40 772 447 30
90 281 184 100 459 298 50 615 374 40 790 465 30
95 289 192 100 472 311 50 630 389 40 808 483 30
100 296 199 70 484 323 50 645 404 35 825 500 30
105 304 207   497 336 50 660 419 35 843 518 30
110 312 215   509 348 40 674 433 35 861 536 30
115 320 223   521 360 40 689 463 35 879 554 25
120 328 231   533 372 40 704 463 35 896 571 25
125 336 239   545 384 40 719 478 35 914 589 25
130 344 347   557 396 40 734 493 35 931 606 25
135 352 255   569 408 30 749 508 35 949 624 25
140 360 263   581 420 30 764 523 35 966 641 25
145 368 271   593 432 30 779 539 30 984 659 25
150 376 279   605 444   794 553 30 1001 676 20

육각볼트 (HEX BOLT)

 - Metric (KS B1002/JIS B1180)                                         LENGTH 6" ~ 24" (150~600mm)  unit : mm

Bolt
diameter
d1 H B C

App
R

Min
S Pitch
Basic Basic Finish Regular Basic
M4 4 2.8 7 8.1 0.1 40 0.7  
M5 5 3.5 8 9.2 0.2 40 0.8
M6 6 4 10 11.5 0.25 50 1 -
M8 8 5.5 13 15 0.4 50 1.25 1
M10 10 7 17 19.6 0.4 50 1.5 1.25

 

Hex Bolts [SLB-101] 

  주로 Hex-Bolt는 건설 일과 기계적인 장비와 산업의 모든 부문에 사용 되었습니다.
Hex-Bolt의 사이즈는 오더 생산 시스템의 사용에 따라 달라 지며, 우리는 국제적인 기준, 예를 들면 ISO, KSB, JIS, ANSI, DIN, 등에 따라 제작할 수 있습니다. S20C, SS41, SUS304, SUS316 등등의 원료로, 알맞은 표면 처리 공정을 당신의 오더에 따라 사용할 것이고 Hex-Bolt를 생산할 수 있습니다.

육 각 볼 트 

나사
호칭

d1

H

B

C

S

피 치

일반

세목

M6

6

4

10

11.5

18

1

-

M8

8

5.5

13

15

22

1.25

1

M10

10

7

17

19.6

26

1.5

1.25

M12

12

8

19

21.9

30

1.75

1.25

M14

14

9

22

25.4

34

2

1.5

M16

16

10

24

27.7

38

2

1.5

M18

18

12

27

31.2

42

2.5

1.5

M20

20

13

30

34.6

46

2.5

1.5

M22

22

14

32

37

50

2.5

1.5

M24

24

15

36

41.6

54

3

2

M27

27

17

41

47.3

60

3

2

M30

30

19

46

53.1

66

3.5

2

M33

33

21

50

57.7

72

3.5

2

 

볼트류 (BOLT)

 

 - 용도 : BOLT는 일반적으로 너트와 함께 혹은 상대물의 탭 형상과 함께 체결된다는 면에서 스크류의 일반과 약간의 차이가 있다. BOLT는 그 특성에 따라 혹은 쓰임에 따라 기계구조용, 선박용, 자동차용, 건축용 등으로 구분되며 각각의 용도에 따라 재질 및 가공방법, 제작공정이 결정된다. BOLT는 열처리에 의하여 기계적 성질이 결정되므로, 열처리가 전체 공정에서 가장 중요하다 말할 수 있다.
 - 소재 : 볼트의 사용재질은 일반적으로 탄소강이며 사용자의 요구에 따라 합금강, 동합금 등 여러 종류의 재질을 사용한다. 일반적 사용재질은 탄소강 - SWCH25K, SWCH45K, S10C 등 합금강 - SCM. SNCM, STAINLESS STEEL 등 동합금 - C1100, C2600, C2700 등

다음검색
스크랩 원문 : 금형설계노하우
현재 게시글 추가 기능 열기

댓글

댓글 리스트
맨위로

카페 검색

카페 검색어 입력폼