|
|
|
축단 특수 사양 |
|
축단특수사양(감속기 제외의 경우) |
|
다음 사양의 축단 특수품도 주문에 따라 제작합니다. |
|
<HC-KFS, MFS, UFS 3000r/min 시리즈> |
|
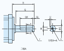
● 키[key ] 부착 타입 … 200, 400, 750W |
|
모터
형명 |
변화치수 |
|
T |
S |
R |
Q |
W |
QK |
QL |
U |
|
HC-KFS23K HC-MFS23K HC-KFS43K HC-MFS43K HC-KFS73K HC-MFS73K |
5 |
14 h6 |
30 |
27 |
5 |
20 |
3 |
3 |
|
6 |
19 h6 |
40 |
37 |
6 |
25 |
5 |
3.5 |
|
HC-UFS23K HC-UFS43K HC-UFS73K |
5 |
14 h6 |
30 |
23.5 |
5 |
20 |
3 |
3 |
|
6 |
19 h6 |
40 |
32.5 |
6 |
25 |
5 |
3.5 | |
 | |
|
|
|
● D-커트 타입 … 50, 100W |
|
모터 형명 |
용량 (W) |
변화치수 |
|
R |
QK |
|
HC-KFS□D HC-MFS□D |
50, 100 |
25 |
20.5 |
|
HC-UFS□D |
100 |
25 |
17.5 | |
 | |
|
 |
|
<HC-SFS, LFS, RFS, UFS 2000r/min, HA-LFS 시리즈> |
|
● 키[key ] 홈 타입 |
|
모터 시리즈 |
용량 (kW) |
변화치수 |
|
S |
R |
Q |
W |
QK |
QL |
U |
r |
Y |
|
HC-SFS□K HC-LFS□K (주3) |
0.5~1.5 |
24h6 |
55 |
50 |
8 |
0 -0.036 |
36 |
5 |
4 +0.2 0 |
4 |
M8 나사깊이20 |
|
2.0~7.0 |
35 +0.01 0 |
79 |
75 |
10 0 -0.036 |
55 |
5 |
5 +0.2 0 |
5 |
M8 나사깊이20 |
|
HC-RFS□K |
1.0, 1.5, 2.0 |
24h6 |
45 |
40 |
8 |
0 -0.036 |
25 |
5 |
4 +0.2 0 |
4 |
M8 나사깊이20 |
|
3.5, 5.0 |
28h6 |
63 |
58 |
8 |
0 -0.036 |
45 |
5 |
4 +0.2 0 |
4 |
M8 나사깊이20 |
|
HC-UFS□K |
0.75 |
22h6 |
55 |
50 |
6 |
0 -0.036 |
42 |
3 |
3.5 +0.2 0 |
3 |
M8 나사깊이20 |
|
1.5 |
28h6 |
55 |
50 |
8 |
0 -0.036 |
45 |
5 |
4 +0.2 0 |
4 |
M8 나사깊이20 |
|
2.0, 3.5, 5.0 |
35 +0.01 0 |
65 |
60 |
10 0 -0.036 |
50 |
5 |
5 +0.2 0 |
5 |
M8 나사깊이20 | |
![HC-SFS, LFS, RFS, UFS 2000r/min, HA-LFS 시리즈 키[key ] 홈 타입](https://img1.daumcdn.net/relay/cafe/R400x0/?fname=http%3A%2F%2Fwww.famotech.com%2FServo%2FMr-j2s%2Fimage%2Fimg235.gif) | |
|
|
|
주) 1. 고빈도로 사용되는 용도에는 적용할 수 없습니다. 키의 커터에 기인하는 축의 파단 등의 원인이 됩니다. 2. 키는 부착되지 않습니다. 사용자께서 준비하십시오. 3. HC-SFS121은 하단의 용량 2.0~7.0KW와 같습니다. 4. 서보모터 HC-KFS46 및 HC-KFS410도 키 부착 사양에 대응 가능합니다. HC-KFS23K 및 HC-KFS43K와 동일 치수입니다. |
|
|
|
특수 사양 |
|
 |
|
● 감속기 장착 모터 사양<일반산업기계 대응 (G1)> HC-KFS053G1/HC-KFS13G1/HC-KFS23G1/HC-KFS43G1/HC-KFS73G1 HC-MFS053G1/HC-MFS13G1/HC-MFS23G1/HC-MFS43G1/HC-MFS73G1 |
|
출력(W) |
HC-KFS, HC-MFS 시리즈(주3) |
HC-SFS2000r/min 시리즈(주4) |
|
1/5 |
1/12 |
1/20 |
1/6 |
1/11 |
1/17 |
1/29 |
1/35 |
1/43 |
1/59 |
|
50 |
○(9/44) |
○(49/576) |
○(25/484) |
- |
- |
- |
- |
- |
- |
- |
|
100 |
○(9/44) |
○(49/576) |
○(25/484) |
- |
- |
- |
- |
- |
- |
- |
|
200 |
○(19/96) |
○(25/288) |
○(253/5000) |
- |
- |
- |
- |
- |
- |
- |
|
400 |
○(19/96) |
○(25/288) |
○(253/5000) |
- |
- |
- |
- |
- |
- |
- |
|
500 |
- |
- |
- |
○ |
○ |
○ |
○ |
○ |
○ |
○ |
|
750 |
○ |
○(525/6048) |
○(625/12544) |
- |
- |
- |
- |
- |
- |
- |
|
1000 |
- |
- |
- |
○ |
○ |
○ |
○ |
○ |
○( 주2) |
○( 주2) |
|
1500 |
- |
- |
- |
○ |
○ |
○ |
○(주2) |
○ (주2) |
○(주2) |
○ (주2) |
|
2000 |
- |
- |
- |
○ |
○ |
○ |
○(주2) |
○ (주2) |
○(주2) |
○ (주2) |
|
3500 |
- |
- |
- |
○(주2) |
○ (주2) |
○(주2) |
○ (주2) |
○(주2) |
○ (주2) |
○(주2) |
|
5000 |
- |
- |
- |
- |
○( 주2) |
○( 주2) |
○( 주2) |
○( 주2) |
○( 주2) |
- |
|
7000 |
- |
- |
- |
- |
○( 주2) |
○( 주2) |
○( 주2) |
○( 주2) |
○( 주2) |
- | |
|
주) 1. 표 중 ○표시가 제작 범위입니다. (주2)의 기재가 없는 기종은, 설치 방향이 전방향 설치 가능합니다. 2. 표 중에(주2)의 기재가 있는 기종은, 기름 윤활입니다. 또, 설치 방향은 축수평(축방향 및 축회전 방향이 기울기가 불가)입니다. 축수평 설치 이외의 사용에 대해서는 조회해 주십시오. 3. ( )안의 값은 실감속 비율입니다. 4. HC-SFS2000r/min 시리즈에는 G1(플랜지 타입) 및 G1H(풋 마운트 타입)를 준비하고 있습니다. 사양은 동일합니다. |
|
적용모터시리즈 |
HC-KFS 시리즈 |
HC-MFS 시리즈 |
HC-SFS 2000r/min |
|
감속기효율(주1) |
45∼75% |
45∼75% |
85∼94% |
|
취 부 방 법 |
플랜지타입 |
플랜지타입 |
풋마운트/플랜지타입 |
|
윤 활 |
구리스윤활유(봉입) |
구리스윤활유(봉입) |
구리스윤활유/기름윤활 |
|
출력축회전방향 |
서보모터출력축동일방향 |
서보모터출력축동일방향 |
서보모터출력축과역방향 |
|
전자브레이크부착 |
제작가능 |
제작가능 |
제작가능 |
|
백 래 쉬 |
감속기출력축에서 60분이하 |
감속기출력축에서 60분이하 |
감속기출력축에서 40분∼2。(주1) |
|
허용부하관성모멘트비율 (서보모터축환산에서) |
서보모터관성모멘트의 5배이하 |
서보모터관성모멘트의 25배이하 |
서보모터관성모멘트의 4배이하 |
|
허용회전속도 (감속기입력축에서) |
4500r/min |
4500r/min |
2000r/min | |
|
주) 1. 감속비에 따라 감속기 효율이 다릅니다. 2. 계산 개략값이며 보증값은 아닙니다. 3. 기재 범위를 초과할 경우 당사와 상담 하십시오. |
|
 |
|
● 회생옵션 |
|
적용서보앰프 형명 |
회생옵션/허용회생전력(W) MR-RB |
저항값 Ω |
|
MR- RB032 |
MR- RB12 |
MR- RB30 |
MR- RB31 |
MR- RB32 |
MR- RB50 |
MR- RB51 |
MR- RB65 |
MR- RB66 |
MR- RB67 |
MR- RB139 |
MR- RB137 |
|
MR-J2S-10A MR-J2S-10B MR-J2S-10CP |
30 |
|
|
|
|
|
|
|
|
|
|
|
40 |
|
MR-J2S-20A MR-J2S-20B MR-J2S-20CP |
30 |
100 |
|
|
|
|
|
|
|
|
|
|
40 |
|
MR-J2S-40A MR-J2S-40B MR-J2S-40CP |
30 |
100 |
|
|
|
|
|
|
|
|
|
|
40 |
|
MR-J2S-60A MR-J2S-60B MR-J2S-60CP |
30 |
100 |
|
|
|
|
|
|
|
|
|
|
40 |
|
MR-J2S-70A MR-J2S-70B MR-J2S-70CP |
30 |
100 |
|
|
300 |
|
|
|
|
|
|
|
40 |
|
MR-J2S-100A MR-J2S-100B MR-J2S-100CP |
30 |
100 |
|
|
300 |
|
|
|
|
|
|
|
40 |
|
MR-J2S-200A MR-J2S-200B MR-J2S-200CP |
|
|
300 |
|
|
500 |
|
|
|
|
|
|
13 |
|
MR-J2S-350A MR-J2S-350B MR-J2S-350CP |
|
|
300 |
|
|
500 |
|
|
|
|
|
|
13 |
|
MR-J2S-500A MR-J2S-500B MR-J2S-500CP |
|
|
300 |
|
|
500 |
|
|
|
|
|
|
13 |
|
MR-J2S-700A MR-J2S-700B MR-J2S-700CP |
|
|
|
300 |
|
|
500 |
|
|
|
|
|
6.7 |
|
MR-J2S-11KA MR-J2S-11KB |
|
|
|
|
|
|
|
500 (800) |
|
|
|
|
8 |
|
MR-J2S-15KA MR-J2S-15KB |
|
|
|
|
|
|
|
|
850 (1300) |
|
|
|
5 |
|
MR-J2S-22KA MR-J2S-22KB |
|
|
|
|
|
|
|
|
|
850 (1300) |
|
|
4 |
|
MR-J2S-30KA MR-J2S-30KB(주 3) |
|
|
|
|
|
|
|
|
|
|
1300 |
3900 |
1.3 |
|
MR-J2S-37KA MR-J2S-37KB(주 3) |
|
|
|
|
|
|
|
|
|
|
1300 |
3900 |
1.3 | |
|
주) 1. 표속의 허용 W수는 회생저항의 정격 W수와는 다릅니다. 2. 표속의 ( )는 냉각팬(1.0㎥/min, □92×2 정도)를 설치하고 파라미터 No.0(MR-J2S-A 타입의 경우) 또는 No.2(MR-J2S-B 타입의 경우)를 변경하십시오. 3. MR-RB137 및 MR138-4는 3대의 합성 저항값입니다. |
|
 |
|
|