|

|
|

|
|

|
|
1. 단상 AC200~230V의 경우, 전원은 L1, L2단자에 접속하고 L3에는 아무것도 접속하지 말아 주십시오. 단상 AC200~230V전원은 MR-J3-70A/B이하의 서보앰프에서 사용할 수 있습니다. 2. N- 및 P+는 삼상 400V의 경우입니다. 삼상 200V의 경우 단자명은 N 및 P가 됩니다.G_MUTEX_2987 |
|

|
|
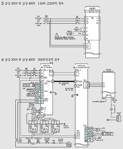
1. 11kW이상에는 내장 회생저항은 붙어 있지 않습니다. 2. DC 리액터를 사용할 경우에는 P-P1간의 단락바를 떼어내 주십시오. 3. DC 리액터를 사용할 경우에는 P1-P2간의 단락바를 떼어내 주십시오. 4. MR-RB137(200V용), MR-RB138-4(400V용)의 경우입니다. MR-RB137 및 MR-RB138-4는 3대가 1세트(허용 회생전력 3900W)입니다. 5. 종단용 컨넥터(MR-J3-TM)를 반드시 CN40B에 접속해 주십시오. 6. 컨버터 유닛과 드라이브 유닛의 L11, L21에 접속하는 전원의 상은, L1, L2에 접속하는 상과 반드시 일치시켜 주십시오. 일치하고 있지 않으면 드라이브 유닛이 고장날 수가 있습니다. 7. 400V의 경우입니다. 200V의 경우는 강압 트랜스는 필요 없습니다. 8. 다이오드의 방향을 바르게 해 주십시오. 반대로 접속하면 드라이브 유닛이 고장나서 신호가 출력되지 않고, 비상정지 등의 보호회로가 동작 불능이 될 수 있습니다. 9. 회로 전류가 40mA 이하가 되도록 기기의 선정을 해 주십시오. 10. 고장(ALM) 신호는, 알람 없는 정상시에 ON 합니다. 11. 드라이브 유닛 알람 및 컨버터 유닛의 알람에서 MC를 끊는 시퀀스를 구성해 주십시오. 12. MC1, MC2 출력은 컨버터 유닛에 의해 제어됩니다. CNP1를 무효로 하여, 종래와 같은 구성을 취하는 경우는「MR-J3-□B 서보앰프 기술 자료집」을 참조해 주십시오. 13. 인터페이스용 전원은 드라이브 유닛과 컨버터 유닛에서 공용할 수 있습니다. 전체 입력 신호를 사용했을 경우, 드라이브 유닛은 150mA, 컨버터 유닛은 130mA의 전류 용량이 각각 필요합니다. 사용자께서 사용하는 입출력 점수에 따라 전류 용량을 내릴 수가 있습니다. 14. 드라이브 유닛 1대에 대해 컨버터 유닛 1대가 필요합니다. 15. 컨버터 유닛과 드라이브 유닛의 비상정지(EM1)가 동시에 유효하게 되는 회로 구성으로 해 주십시오. |
|

|
|

|
|

|
|

|
|
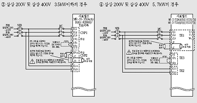
1. 자세한 내용은『MR-J3 서보앰프 기술 자료집』을 참조해 주십시오. HF-KP 또는 HF-MP시리즈용 4선식 케이블(MR-EKCBL30M-H/-L ~ MR-EKCBL50M-H)를 사용하는 경우는 파라미터 NO.PC22(MR-J3-A타입의 경우) 또는 PC.04(MR-J3-B타입의 경우)를 변경해 주십시오. 2. 전자 브레이크 부착 모터의 경우입니다. 전자 브레이크 단자(B1, B2)에는 극성이 없습니다. HC-LP202B, 302B, HC-UP202B~502B는 모터전원용 컨넥터와 별도 컨넥터가 됩니다. 3. 접지는 서보앰프의 보호 어스(PE)단자를 중계하여 제어반의 보호 어스로부터 대지에 떨어뜨려 주십시오. 4. 5kW이상의 경우, U,V, W단자는 TE1에 있습니다. |
|

| |