|
|
|
제품정보
|

| - HF-SP202 SERVOMOTOR(서보모터) 사양 | | 서보모터 중관성,중용량 정격회전속도 2000r/min 정격출력용량 2.0KW 표준모터 | - 특 징 | | 중용량 중관성 | HF-SP202 | | 일반산업기계에 최적입니다.(예:벨트구동, 섬유기계등) | CAD FILE DOWN | 
| 
|
| | 고정밀도를 실현 | | 262,144 pulse/rev (18bit)의 고분해능 엔코더에 의한 고정밀 운전 | | 최대회전속도 3000r/min으로, 고속위치결정이 가능 | | | |
|
● 성능,특성 |
서보모터시리즈 | HF-SP 시리즈(중관성.중용량) | 형명 사양 | 서보모터형명 HF-SP | HF-SP202 | 서보앰프형명(주9) MR-J3- | | 서보 모터 | 전원설비용량(주2) (kVA) | 3.5 | 연속특성 | 정격출력용량 (KW) | 2.0 | 정격토크 (N·m) | 9.55 | 최대토크 (N·m) | 28.6 | 정격회전속도 (r/min) | 2,000 | 최대회전속도 (r/min) | 3,000 | 순시허용회전속도 (r/min) | 3,450 | 연속정격토크시의파워레이트(kW/s) | 23.8 | 정격전류 (A) | 10 | 최대전류 (A) | 30 | 회생브레이크빈도(회/분)(주3, 4) | 71 | 관성모멘트 ( )는B 부착 | 38.3(47.9) | 권장부하관성모멘트비(주6) | 서보모터 관성 모멘트의 15배 이하 (주5) | 속도·위치검출기J (×10-4kg·m2) | 앱솔루트·인크리멘털 공용 18비트 엔코더 (서보모터 1회전당 분해능 : 262144p/rev) | 장 비 품 | 오일실 부착 모터도 대응 가능합니다. (HF-SPㅁJ) | 절 연 등 급 | F 종 | 구 조 | 전폐·자연냉각(보호방식 IP67)(주4) | 환경 | 주 위 온 도 | 0∼40℃(동결하지 않을 것), 보존 : -15∼70℃(동결하지 않을 것) | 주 위 습 도 | 80%RH이하(결로가 없을 것), 보존: 90%RH이하(결로가 없을 것) | 분 위 기 | 실내(직사광선이 닿지 않을 것), 부식성 가스·인화성가스·오일미스트·먼지가 없는곳 | 표고/진동(주5) | 해발 1000m이하/ X:24.5m/s2, Y : 24.5m/s2 | 질량(kg) ( )는 BRAKE 부착 | 8.3(10.3) |
|
주) 1. 전원설비용량은 전원 임피던스에 따라 바뀝니다. 2. 회생 브레이크 빈도는 모터가 1대일때, 회생옵션없이 정격 회전속도로부터 감속 정지하는 경우의 허용빈도를 나타냅니다. 단, 부하를 주는 경우, 표의 값 1/(m+1)이 됩니다. (m=부하 관성모멘트/모터 관성모멘트) 또한 정격회전속도를 초과할 경우, 회생 브레이크 빈도는 (운전속도/ 정격속도)의 2승에 반비례합니다. 운전 회전속도가 빈번히 바뀔 경우, 상하로 구동되어 상시 회생상태가 되는 경우는, 운전시의 회생발열량(W)을 구하여 허용 회생전력(W)을 넘지 않도록 하십시오. 각 시스템에 의해 최적의 회생 저항기가 다르므로 용량 선정 소프트웨어(당사 홈페이지에서 무상으로 다운로드 받을 수 있습니다. 또한, HF-SP301, 421은 소프트웨어 버젼 B0판부터 대응 예정입니다.)를 사용하여 최적의 회생 저항기를 선정 하십시오. 회생 저항 허용 회생 전력에 대해서는 본 카다로그의「옵션●회생 옵션」을 참조 하십시오. 3. 부하 관성모멘트비가 기재값을 넘는 경우는 상담해 주십시오. 4. 축 관통부는 제외합니다. 5. 진동 방향은 다음과 같습니다. 수치는 최대값을 나타내는 부분(통상 반부하측 Bracket)의 값입니다. 모터 정지시는 베어링에 플래팅이 발생하기 쉬워지기 때문에 진동을 허용값의 절반 정도로 억제해 주십시오. |

|
● 전자 브레이크 사양 |
적 용 모 터 형 명 | HF-SP202B | 비 고 | 형 식 | 스프링 제동식 안전브레이크 | | 정 격 전 압 | DC24V 0~-10% | | 정마찰토크(N·m) | 44 | | 소비전력(W)at 20℃ | 34 | | 허용제동작업량 | (J )/회 | 4500 | | (J )/Hr | 45000 | | 브 레 이 크 수 명 (1제동당 제동량)(주1) | 2만회 (1000J) | |
|
주) 1. 브레이크 캡은 조정할 수 없으므로 제동에 따라 재조정이 필요할 때까지의 기간을 브레이크 수명으로 하고 있습니다. 2. 전자 브레이크는 안전유지용입니다. 제동용도로는 사용할 수 없습니다. |

|
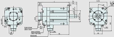
● 서보모터 외형도 |
● HF-SP202, HF-SP202B 
|
|

| 형 명 | 변화치수 | L | KL | HF-SP202 HF-SP202B | 143.5(193.0) | 79.8 |
(치수단위 : mm) |

|
● 서보모터 HF-SP202 시리즈 토크 특성 |
 
|

|