| 제품정보
| | 
| - MR-J3-40B SERVO AMP.미쓰비시(서보앰프사양) | | 서보앰프 SSCNETIII 인터페이스 400W용 삼상AC200~230V 또는 단상AC200~230V | - 특 징 | | 고분해능 엔코더 262144p/rev(18bit)
| | •고분해능 엔코더의 채용에 따라 고성능화 및 저속에서의 안정성을 실현할 수 있습니다. •코깅토크의 저감에 의해 모터토크의 변동이 감소합니다. | | 고속 위치결정에 의한 택-타임 향상 | | •하이 스피드,하이토크모터 HF시리즈. 회전속도의 고속화(6000r/min) 및 고속주파수 응답의 고성능화(900Hz)에 의해 위치결정 시간을 단축할 수 있습니다. | MR-J3-40B | | 앱솔루트 엔코더가 표준장착
| 소형화,Flexible | (서보앰프사이즈) | 기존대비 40% | (400W기준) | 밀착취부가능 | 3.5KW이하 | 해외규격대응 | EN,UL,cUL규격 | 
|
| | •서보모터를 교환할 것 없이 서보앰프에 배터리(MR-J3BAT)를 장착하면 원점복귀가 필요없는 앱솔루트(절대치) 방식으로 변경할 수 있습니다. | | 간단 조정~서보 특유의 번거로운 게인 조정이 필요없습니다~
| | 더욱 향상된 리얼타임 오토튜닝(응답설정값을 보다 세밀히 설정가능!) 당사 독자적인 모델 응답제어와 더욱 향상된 오토튜닝 기능에 의해 조정은 응답설정값을 변경하는 것만으로 OK!! | 서보앰프 메뉴얼(MR-J3-B) | 카다로그(MR-J3) | 서보앰프 외형도 | 한글(KOR) | 일문(JPN) | 영문(ENG) | 한글(KOR) | 일문(JPN) | 영문(ENG) | DWG | PDF | 
| 
| 
| 
| 
| 
| 
| 
|
| MR-J3-B 시리즈 서보앰프 매뉴얼 간략설명 | 신호와배선 표준접속 | 
| 전원단자 설명 | 
| 파라메터 설명 | 
| 신호의 설명 | 
| 표시부 상태표시 | 
| 알람,경고일람표 | 
|
|
| ● 성능,특성 | MR-J3 시리즈 | 서보앰프형명 | MR-J3-40B | 대응모터형명 | | 주회로 전원 | 전압·주파수(주1, 2) | 삼상AC200~230V/50, 60Hz 또는단상AC200~230V/50, 60Hz (주10) | 허용전압변동 | 삼상AC200~230V 의경우: 삼상AC170~253V 단상AC200~230V 의경우: 단상AC170~253V | 허용 주파수변동 | ±5% 이내 | 제어 회로 전원 | 전압.주파수 | 단상AC200~230V/50, 60Hz | 허용전압변동 | 단상AC170~253V | 허용 주파수 변동 | ±5% 이내 | 입 력 (W) | 30 | 인터페이스용 전원 | DC24V±10%(필요전류용량: 300mA(주7)) | 회생저항 허용회생 전력(W) (주3,4) | 앰프내장저항기 | 10 | 표준부속품사용시(주5,6) | | 제 어 방 식 | 정현파PWM제어·전류제어방식 | 다이나믹 브레이크 | 내장(주8) | 보 호 기 능 | 과전류차단, 회생과전압차단, 과부하차단(전자서멀), 서보모터과열보호,검출기이상보호, 회생이상보호, 부족전압·순시정전보호, 과속도보호, 오차과대보호 | 구 조 | 자연냉각, 개방(IP00) | 환 경 | 주위온도(주9) | 0~55℃(동결이없을것), 보존: -20~65℃(동결이없을것) | 주 위 습 도 | 90%RH이하(결로가없을것), 보존: 90%RH이하(결로가없을것) | 분 위 기 | 실내(직사광선이닿지않을것), 부식성가스·인화성가스·오일미스트·먼지가없는곳 | 표 고 | 해발1000m이하 | 진 동 | 5.9 ㎨이하 | 질 량 (Kg) | 1.0 |
| 주) 1. 조합된 서보모터의 정격 출력 용량 및 정격 회전 속도는 기재된 전원 전압·주파수의 경우입니다. 전원 전압 강하시는 토크가 저하됩니다. 2. 서보모터와 조합되었을 때의 토크특성은 본 카다로그「서모모터 토크 특성」을 참조 하십시오. 3. 각 시스템에 따라 최적인 회생 저항기가 다르기 때문에, 용량 선정 소프트웨어(MEAK 당사 홈 페이지에서 무상으로 다운로드 받을 수 있습니다.)를 사용하여, 최적인 회생 저항기를 선정해 주십시오. 4. 회생 옵션 사용시의 회생 저항 허용 회생전력에 대해서는, 본 카다로그의「옵션●회생 옵션」을 참조해 주십시오. 5. 부속의 회생저항기 없음의 서보앰프(MR-J3-□KB-PX)도 준비하고 있습니다. 6. 표중의 ( )는 냉각팬(1.0m3/min, □92×2대 정도)을 설치해 파라미터 No.PA02를 변경했을 경우입니다. 7. 150mA는 전체 입력 신호를 사용한 경우의 값입니다. 사용자께서 사용하는 입출력 점수에 의해 전류용량을 내릴수가 있습니다. 자세한 내용에 대해서는『MR-J3-□B 서보앰프 기술 자료집』을 참조해 주십시오. 8. MR-J3-700B이하에 대해서는 다이나믹 브레이크 제거품( (MR-J3-□B-ED 및 MR-J3-□B1-ED)도 특수품으로 대응 가능합니다. 9. MR-J3-350B이하는 앰프를 밀착하여 설치할 수 있습니다. 단, 앰프 밀착 설치시는 주위온도를 0~45℃로 하거나, 실효부하율 75% 이하로 사용 하십시오. 10. 단상 AC200~240V제품(MR-J3-□B-U004)도 특수품으로 대응 가능합니다. | 
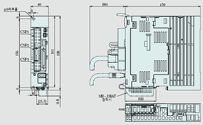
| ● 서보앰프 외형도 | ● MR-J3-40A, MR-J3-40B, MR-J3-40T | 
| 
| ● 서보앰프 전원단자 배열 | 
| (치수단위 : mm) | 
|
|