|
표준 결선도 |
|

|
|
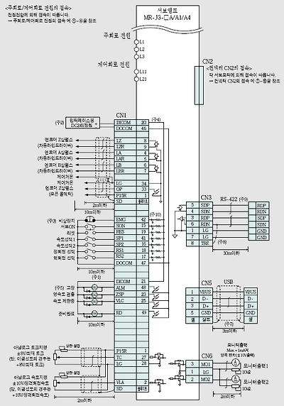
● QD75D와의 접속 예(위치 서보, 인크리멘털) |
|

|
|
1. 다이오드의 방향을 바르게 해 주십시오. 반대로 접속하면 앰프가 고장나서 신호가 출력되지 않게 되고 비상정지 등의 보호회로가 불능이 될 수 있습니다. 2. 전원은 DC24V±10%(필요 전류용량 : 300mA)를 준비하여 주십시오. 300mA는 모든 입출력신호를 사용했을 경우의 값입니다. 고객이 사용하는 입출력 점수에 따라 전류용량을 낮출 수 있습니다. 자세한 내용에 대해서는『MR-J3-□A 서보앰프 기술 자료집』을 참조해 주십시오. 3. 비상정지 EMG는 반드시 접속해 주십시오. (b접점)접속하지 않는 경우는 운전할 수 없습니다. 4. 운전시에는 스트로크 앤드신호(LSP, LSN)를 단락시켜 주십시오. (b접점)단락하지 않는 경우는 운전할 수 없습니다. 5. 같은 명칭의 신호는 내부에서 접속되어 있습니다. 6. 고장(ALM) 신호는, 알람없이 정상 시에 ON합니다. 7. 실드선은 확실히 컨넥터 내의 플레이트(그랜드 플레이트)에 접속해 주십시오. 8. 본 접속은 QD75D에는 필요 없습니다. 단, 사용하는 위치결정 유닛에 따라서는 노이즈 강화를 위해 LG-제어커몬 단자간의 접속을 추천합니다. 9. 노이즈환경이 좋은 상황에서 최대 3m 가능합니다. 10. 최종 축은 TRE와 RDN을 반드시 접속해 주십시오. 11. RS-422/RS-232C 전환 케이블(본 카다로그의 소개품 을 참조해 주십시오.)을 사용하여 PC에 접속하는 것도 가능합니다. 12. 싱크 배선의 경우입니다. 소스배선도 가능합니다. 자세한 내용에 대해서는『MR-J3-□A 서보앰프 기술 자료집』을 참조해 주십시오. 13. FA 상품(형명 : FAT-CBLQ75M2J3(-P)/-1(P))은 사용할 수 없습니다. 14. 컨넥터 CN2L은 사용하지 말아 주십시오. |
|

|
|

|
|
● 접속 예 |
|

|
|
1. 다이오드의 방향을 바르게 해 주십시오. 반대로 접속하면 앰프가 고장나서 신호가 출력되지 않게 되고 비상정지 등의 보호회로가 불능이 될 수 있습니다. 2. 전원은 DC24V±10%(필요 전류용량 : 300mA)를 준비하여 주십시오. 300mA는 모든 입출력신호를 사용했을 경우의 값입니다. 고객이 사용하는 입출력 점수에 따라 전류용량을 낮출 수 있습니다. 자세한 내용에 대해서는『MR-J3-□A 서보앰프 기술 자료집』을 참조해 주십시오. 3. 비상정지 EMG는 반드시 접속해 주십시오. (b접점)접속하지 않는 경우는 운전할 수 없습니다. 4. 운전시에는 스트로크 앤드신호(LSP, LSN)를 단락시켜 주십시오. (b접점)단락하지 않는 경우는 운전할 수 없습니다. 5. 같은 명칭의 신호는 내부에서 접속되어 있습니다. 6. 고장(ALM) 신호는, 알람없이 정상 시에 ON합니다. 7. 실드선은 확실히 컨넥터 내의 플레이트(그랜드 플레이트)에 접속해 주십시오. 8. 노이즈환경이 좋은 상황에서 최대 3m 가능합니다. 9. 최종 축은 TRE와 RDN을 반드시 접속해 주십시오. 10. RS-422/RS-232C 전환 케이블(본 카다로그의 소개품 을 참조해 주십시오.)을 사용하여 PC에 접속하는 것도 가능합니다. 11. 싱크 배선의 경우입니다. 소스배선도 가능합니다. 자세한 내용에 대해서는『MR-J3-□A 서보앰프 기술 자료집』을 참조해 주십시오. |
|

|
|

|
|
● 접속 예 |
|

|
|
1. 다이오드의 방향을 바르게 해 주십시오. 반대로 접속하면 앰프가 고장나서 신호가 출력되지 않게 되고 비상정지 등의 보호회로가 불능이 될 수 있습니다. 2. 전원은 DC24V±10%(필요 전류용량 : 300mA)를 준비하여 주십시오. 300mA는 모든 입출력신호를 사용했을 경우의 값입니다. 고객이 사용하는 입출력 점수에 따라 전류용량을 낮출 수 있습니다. 자세한 내용에 대해서는『MR-J3-□A 서보앰프 기술 자료집』을 참조해 주십시오. 3. 비상정지 EMG는 반드시 접속해 주십시오. (b접점)접속하지 않는 경우는 운전할 수 없습니다. 4. 같은 명칭의 신호는 내부에서 접속되어 있습니다. 5. 고장(ALM) 신호는, 알람없이 정상 시에 ON합니다. 6. 실드선은 확실히 컨넥터 내의 플레이트(그랜드 플레이트)에 접속해 주십시오. 7. 노이즈환경이 좋은 상황에서 최대 3m 가능합니다. 8. 최종 축은 TRE와 RDN을 반드시 접속해 주십시오. 9. RS-422/RS-232C 전환 케이블(본 카다로그의 소개품 을 참조해 주십시오.)을 사용하여 PC에 접속하는 것도 가능합니다. 10. 싱크 배선의 경우입니다. 소스배선도 가능합니다. 자세한 내용에 대해서는『MR-J3-□A 서보앰프 기술 자료집』을 참조해 주십시오. |
|

|
|

|
|

|
|
1. 다이오드 방향을 바르게 해 주십시오. 반대로 접속하면 앰프가 고장나서 신호가 출력되지 않고, 비상정지 등의 보호회로가 동작불능이 될 수 있습니다. 2. 전원은 DC24V±10%(필요전류용량 : 150mA)를 준비해 주십시오. 150mA는 전체 입출력 신호를 사용할 경우의 값 입니다. 유저측에서 사용하는 입출력점수에 따라 전원용량을 내릴 수가 있습니다. 자세한 내용은『MR-J3-B 서보앰프 기술 자료집』을 참조해 주십시오. 3. 각축의 서보앰프 단독의 강제 정지입니다. Q172HCPU, Q173HCPU 또는 QD75MH 접속시는 필요에 따라 사용해 주십시오. 사용하지 않는 경우는 파라미터 NO.PA04에 의해 강제정지 입력을 무효로 하던지, 컨넥터 내에서 EM1-DOCOM간을 단락해 주십시오. 시스템 전체의 비상정지는 콘트롤러 측에서 실시해 주십시오. 4. 실드선은 확실히 컨넥터 내의 플레이트(그랜드 플레이트)에 접속해 주십시오. 5. 고장(ALM) 신호는 알람없는 정상 시에 ON합니다. 6. 노이즈 환경이 좋은 상황에서 최대 3m 가능합니다. 7. 제2축째 이후의 모터측 결선은 생략했습니다. 8. 축선택 로터리 스위치(SW1)을 사용하여 최대 16축(n=1~16)까지 접속할 수 있습니다. 9. ( )이 붙어있는 신호는 콘트롤러(Q172HCPU, Q173HCPU, QD75MH)의 설정으로 할당할 수가 있습니다. 설정방법에 대해서는 각 콘트롤러 매뉴얼을 참조해 주십시오. 10. 풀-클로즈드 제어 대응 서보앰프 MR-J3-□B-RJ006의 경우에만 해당됩니다. 11. FX3U-20SSC-H는 풀-클로즈드 제어 대응 서보앰프 MR-J3-□B-RJ006에는 대응하고 있지 않습니다. |
|

|
|

|
|

|
|
1. 다이오드의 방향을 바르게 해 주십시오. 반대로 접속하면 앰프가 고장나서 신호가 출력되지 않고, 비상정지 등의 보호회로가 동작 불능이 될 수 있습니다. 2. 전원은 DC24V±10%(필요 전류용량:150mA)를 준비해 주십시오. 150mA는 전체 입출력 신호를 사용했을 경우의 값입니다. 사용자측에서 사용하는 입출력 점수에 따라 전류용량을 낮출 수가 있습니다. 자세한 내용은「MR-J3-□T 서보앰프 기술 자료집」을 참조해 주십시오. 3. 강제정지(EMG) 신호(b접점)를 접속할지는 파라미터 No.PD01에 의해 강제정지 신호를 ON으로 해 주십시오. 4. 운전시에는 스트로크 엔드(LSP, LSN) 신호(b접점)를 합선 할지는 파라미터 No.PD01에 의해 스트로크 엔드 신호를 ON으로 해 주십시오. 5. 고장(ALM) 신호는, 알람 없는 정상시에 ON 합니다. 6. 실드선은 확실히 컨넥터내의 플레이트(그랜드 플레이트)에 접속해 주십시오. 7. 노이즈 환경이 좋은 상황에서 최대 3m 가능합니다. 8. 싱크 배선의 경우입니다. 소스 배선도 가능합니다. 자세한 내용에 대해서는「MR-J3-□T 서보앰프 기술 자료집」을 참조해 주십시오. 9. CN6용 컨넥터에는 옵션의 MR-J2CMP2를 사용해 주십시오. 10. 시중 판매의 LAN 케이블(EIA568 준거품)을 사용해 주십시오. RS-422/RS232C 변환 케이블을 사용하여, PC에 접속하는 일도 가능합니다. 다만, USB 통신 기능(CN5 컨넥터)과 RS-422 통신 기능(CN3 컨넥터)은 배타(排他) 기능입니다. 동시에 사용할 수 없습니다. RS-422/RS232C 변환 케이블은 본 카다로그의「소개품」을 참조해 주십시오. 11. 컨넥터 CN1는 CC-Link 운전시에만 사용합니다. CC-Link 케이블은 앰프 부속의 CN1용 컨넥터를 사용하여 사용자께서 제작해 주십시오. 12. CC-Link 케이블은 본 카다로그의「소개품」을 참조해 주십시오. |
|

|
|

|
|

|
|
1 전원은 DC24V±10%(필요 전류용량:800mA)를 준비해 주십시오. 800mA는 전체 입출력 신호를 사용했을 경우의 값입니다. 사용자측에서 사용하는 입출력 점수에 따라 전류용량을 낮출 수가 있습니다. 2. 입출력 신호용의 DC24V는, 1대의 DC24V 전원으로 서보앰프와 MR-J3-D01에 공급하는 사용 방법이 가능합니다. 이 경우, 사용하는 입출력 신호의 점수분의 전원 용량을 확보해 주십시오. 3. 다이오드의 방향을 바르게 해 주십시오. 반대로 접속하면 앰프 또는 MR-J3-D01이 고장나서 신호가 출력되지 않고, 비상정지 등의 보호회로가 동작 불능이 될 수 있습니다. 4. 싱크 배선의 경우입니다. 소스 배선도 가능합니다. 자세한 내용에 대해서는「MR-J3-□T MR-J3-D01 서보앰프 기술 자료집」을 참조해 주십시오. 5. 확장 IO유닛 MR-J3-D01는, 서보앰프 MR-J3-□T 또는 MR-J3-A-RJ040의 CN7 컨넥터와 직접 접속합니다 |
|

|