CAFE

MR-J4 시리즈

미쓰비시 센서리스 서보 드라이브 유닛 주문형식(MITSUBISHI SENSORLESS SERVO)

작성자파모테크(031-468-2400)|작성시간14.05.02|조회수1,415 목록 댓글 0

파모테크(주) Tel:031-468-2400 Fax:031-468-6900 H/P 010-8289-2400

 

  미쓰비시 센서리스 서보 드라이브 유닛 주문형식(MITSUBISHI SENSORLESS SERVO)

FR-E720EX 드라이브 유닛 주문형식

  FR-E720EX 시리즈 드라이브 유닛 정격

FR-E720EX 시리즈 드라이브 유닛 정격

  드라이브 유닛 공통사양

  FR-E720EX 드라이브 유닛 공통사양

서보앰프 메뉴얼(FR-E720EX)

카다로그(FR-E720EX)

구분

한글(KOR)

일문(JPN)

영문(ENG)

한글(KOR)

일문(JPN)

영문(ENG)

기초편

FR-E720EX 한글메뉴얼

FR-E720EX 한글메뉴얼

FR-E720EX 한글메뉴얼

FR-E720EX 카다로그 한글판

FR-E720EX 카다로그 일어판

FR-E720EX 카다로그 영문판

상세편

FR-E720EX 한글메뉴얼

FR-E720EX 한글메뉴얼

FR-E720EX 한글메뉴얼

MR-JN-A 시리즈 서보앰프 매뉴얼 간략설명

신호와배선 표준접속

FR-E720EX 신호와배선 표준접속

파라메터 설명

FR-E720EX 파라메타

모터 외형도(MM-GKR 시리즈)

모터종류

DWG

DXF

3D(IGS)

3D(STP)

FR-E720EX-0.1K

FR-E720EX-0.1K 외형도

FR-E720EX-0.1K 외형도

FR-E720EX-0.1K 외형도

FR-E720EX-0.1K 외형도

FR-E720EX-0.2K

FR-E720EX-0.2K 외형도

FR-E720EX-0.2K 외형도

FR-E720EX-0.2K 외형도

FR-E720EX-0.2K 외형도

FR-E720EX-0.4K

FR-E720EX-0.4K 외형도

FR-E720EX-0.4K 외형도

FR-E720EX-0.4K 외형도

FR-E720EX-0.4K 외형도

FR-E720EX-0.75K

FR-E720EX-0.75K 외형도

FR-E720EX-0.75K 외형도

FR-E720EX-0.75K 외형도

FR-E720EX-0.75K 외형도

 

  드라이브 유닛 외형 치수도(FR-E720EX-0.1K,FR-E720EX-0.2K,FR-E720EX-0.4K,FR-E720EX-0.75K)

  드라이브 유닛 외형 치수도(FR-E720EX-0.1K,FR-E720EX-0.2K,FR-E720EX-0.4K,FR-E720EX-0.75K

 

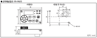
  조작패널(옵션:FR-PA07)

  조작패널(옵션:FR-PA07)

 

다음검색
현재 게시글 추가 기능 열기

댓글

댓글 리스트
맨위로

카페 검색

카페 검색어 입력폼