CAFE

Star grounding . 일점접지

작성자OKBARI(張浚普)|작성시간18.02.25|조회수1,968 목록 댓글 0

Constructing a Star Grounding Point:

No matter which implementation you choose for your power supply - just caps, a CRC, CRCRC, LC, or CLC - do yourself a favor and create a high-quality star grounding point using 12ga wire. This is the single biggest step you can take toward eliminating hum and buzz in your speakers. Much of the source of hum comes from a poor grounding configuration or ground loops, meaning that you have more than a single grounding point in your amplifier (easy to address), or across pieces of equipment within your system (sometimes harder to address).

사진은 아래에. .. http://www.facstaff.bucknell.edu

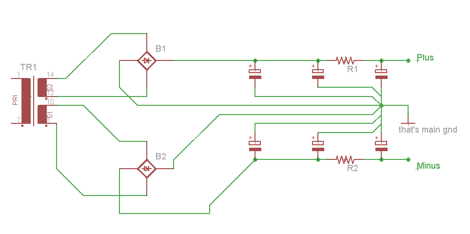
A schematic of a star ground is pictured above along with photos from my own power supply grounding scheme. Note how all ground wires connect to a single point within the power supply - this is the star ground. The picture on the left shows the overall power supply and the picture (the small black and white wires attached to the terminal screws on the cap are for the power on LED) on the right shows a close up of the star grounding point. If you are experiencing hum that originates within your amplifier, a star ground is probably the best bet for eliminating it. If your are experiencing hum that originates due to the interaction of components within your system, there is a different approach you can try. Hum sometimes results from a ground loop across two or more pieces of equipment in your audio chain and is one of the reasons that optical TOSLINK cables became popular - they removed one electrical pathway for ground loops across boxes. Another way to eliminate this type of ground loop is to isolate the signal ground in your chassis from AC Mains ground. I've done this with the black thermistor that you see in the photos above. A standard CL-60 has a resistance of about 5 ohms when cold, thus it provides some measure of isolation, but will still allow current to flow to ground should this be necessary (as a result of a wiring fault or component failure). Another method is to connect signal ground to AC Mains ground through a diode or diode bridge. Each of these methods works and behaves somewhat differently. In my a40 amp, I have used a diode to join signal ground with AC Mains ground - using a direct connection or even a thermistor here causes the amp to hum at the output. In my Aleph-X amps, there doesn't seem to be much difference between a direct connection, using a thermistor, or using a diode. Thus, I used a thermistor because I happened to have one laying around in my parts box when I was building the power supply.

Finally, do yourself a favor and solder ALL of the crimp connections you made on the wires for your power supply. This will eliminate whatever little bit of resistance that remains in your crimp connector and help to keep things more secure in the long run. Remember, there is a GREAT DEAL of power circulating here!

더 많은 것은. ..

black thermistor

별 접지 지점 만들기 :(구글 번역)

대문자, CRC, CRCRC, LC 또는 CLC와 같이 전력 공급을 위해 어떤 구현을 선택하든 상관없이 12ga 전선을 사용하여 고품질의 별 접지 지점을 만드십시오. 이것은 스피커에서 콧노래와 윙윙 거리는 소리를 없애기 위해 취할 수있는 가장 큰 단일 단계입니다. 험의 원인의 대부분은 열악한 접지 구성 또는 접지 루프에서 비롯됩니다. 즉, 앰프에 주소가 하나 이상이거나 시스템 내의 장비 전체에 걸쳐 단일 접지점 이상 (주소 지정이 어려움)이 있습니다.
http://www.facstaff.bucknell.edu
스타 그라운드의 개략도는 내 전원 공급 장치 접지 구조의 사진과 함께 위에 그려져 있습니다. 모든 접지선이 전원 공급 장치 내의 단일 지점에 연결되는 방식에 유의하십시오. 이것이 별 접지입니다. 왼쪽 그림은 전체 전원 공급 장치와 그림을 보여줍니다 (오른쪽 단자의 캡에있는 단자 나사에 부착 된 작은 검은 색 및 흰색 전선은 전원 켜짐 LED 용임)는 별 접지 지점을 가까이에서 보여줍니다. 앰프에서 발생하는 윙윙 거리는 소리가 들리면 아마도 그것을 제거하는 가장 좋은 방법 일 것입니다. 시스템 내 구성 요소의 상호 작용으로 인해 윙윙 거리는 소리가 들리면 시도 할 수있는 다른 방법이 있습니다. 흠은 때로 오디오 체인에있는 두 개 이상의 장비에서 접지 루프로 인해 발생하며 광학 TOSLINK 케이블이 인기를 얻은 이유 중 하나입니다. 즉, 상자를 가로 질러 접지 루프를위한 하나의 전기 경로를 제거했습니다. 이러한 유형의 접지 루프를 제거하는 또 다른 방법은 AC 메인 접지에서 섀시의 신호 접지를 분리하는 것입니다. 위의 사진에서 볼 수있는 검정색 서미스터로이 작업을 수행했습니다. 차가워지면 표준 CL-60은 약 5 옴의 저항을 가지므로 절연에 대한 일부 척도를 제공하지만 필요한 경우 (배선 오류 또는 구성 요소 오류로 인해) 접지에 전류가 흐를 수 있습니다. 또 다른 방법은 다이오드 또는 다이오드 브리지를 통해 AC 접지에 신호 접지를 연결하는 것입니다. 이 방법들 각각은 작동하고 다소 다르게 작동합니다. 내 a40 앰프에서는 다이오드를 사용하여 AC 메인스 접지에 신호 접지를 연결했습니다. 직접 연결 또는 서미스터를 사용하면 앰프가 출력에서 ??윙윙 거리게됩니다. 내 Aleph-X 앰프에서는 직접 연결, 서미스터 사용 또는 다이오드 사용간에 큰 차이가없는 것처럼 보입니다. 따라서 전원 공급 장치를 만들 때 부품 상자에 주변 장치를 놓아 서미스터를 사용했습니다.

마지막으로, 전원 공급 장치를 위해 전선에서 만든 모든 압착 연결부를 솔더링하고 솔더링하십시오. 이렇게하면 압착 커넥터에 남아있는 작은 저항을 없애고 장기적으로 더 안전하게 유지할 수 있습니다. 위대한 권력이 여기에 순환하고 있음을 기억하십시오!

다음검색
현재 게시글 추가 기능 열기

댓글

댓글 리스트
맨위로

카페 검색

카페 검색어 입력폼