CAFE

Part

RC카 휠 곡면으로 모델링하기 (1)

작성자가이버|작성시간08.10.14|조회수2,609 목록 댓글 12

이미지를 클릭하면 원본을 보실 수 있습니다.

본 강좌는 곡면으로 모델링하는 방법을 설명하고자 만들었습니다.

솔리드로 모델링하면 쉽겠지만 곡면 툴을 이해할 수 있도록 하기위해 곡면으로만 모델링 하겠습니다.

그리고, 밑에 압축화일 에는 타이어가 들어있는데 그냥 드리면 재미없을 것 같아서

휠 모델링을 끝내시면 암호를 알 수 있게 해놓았습니다. 죄송합니다.

기본스케치는 올렸으니 받아서 한번해보세요

첨부파일 RC카휠.SLDPRT파일은 2007입니다.

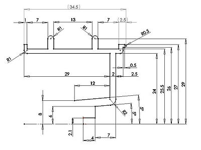
정면에 스케치해주세요

이미지를 클릭하면 원본을 보실 수 있습니다.

이미지를 클릭하면 원본을 보실 수 있습니다.

이미지를 클릭하면 원본을 보실 수 있습니다.

이미지를 클릭하면 원본을 보실 수 있습니다.

이미지를 클릭하면 원본을 보실 수 있습니다.

이미지를 클릭하면 원본을 보실 수 있습니다.

이미지를 클릭하면 원본을 보실 수 있습니다.

이미지를 클릭하면 원본을 보실 수 있습니다.

이미지를 클릭하면 원본을 보실 수 있습니다.

이미지를 클릭하면 원본을 보실 수 있습니다.

 

 

다음검색
현재 게시글 추가 기능 열기

댓글

댓글 리스트
  • 작성자원숭이 | 작성시간 10.06.08 감사합니다. 잘 봤습니다.
  • 작성자Friedman | 작성시간 10.06.20 스케치 요소 변환이 안되는데요.. '이 기능 사용하려면 이러한 조건이 있어야합니다, 오프셋이 어쩌구..' 이런식으로만나오고.. 이건 어떻게 해야하는지요
  • 작성자오랑나미 | 작성시간 11.10.10 감사합니다 유용히 공부해볼게영
  • 작성자kol30 | 작성시간 12.05.14 요소변환하실때 3D 스케치로 하신것 같은데 저는 안되네요...왜그럴까요?
  • 작성자Rayfire | 작성시간 13.05.14 2012.. 스케치그린거 편집들가서 선몇개클릭한뒤.. 메뉴-도구-스케치도구-선택에서스케치작성했더니 그부분만 따로 스케치가 만들어지면서 대네요.
댓글 전체보기
맨위로

카페 검색

카페 검색어 입력폼