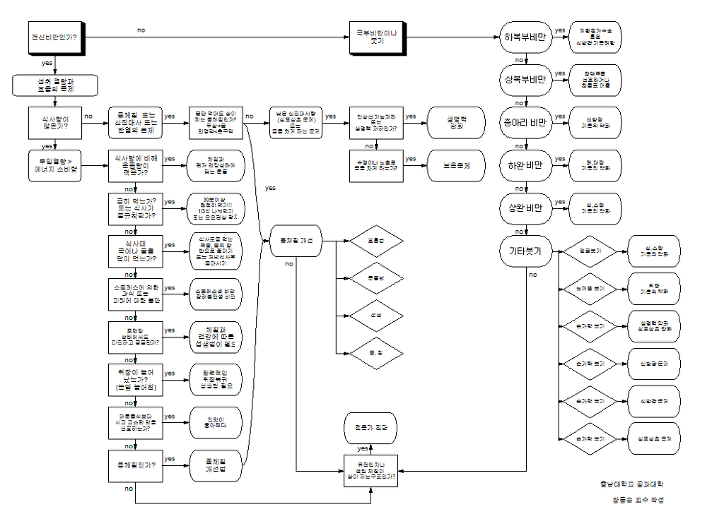
비만예방챠트표~~ 작성자무망|작성시간11.06.27|조회수22 목록 댓글 0 글자크기 작게가 글자크기 크게가 다음검색 현재 게시글 추가 기능 열기 북마크 공유하기 신고 센터로 신고 댓글 댓글 0 댓글쓰기 답글쓰기 댓글 리스트