오므론 케이블 손쉬운 自作 도면 사진,과 PLC메뉴얼, PLC프로그램

작성자모종군|작성시간08.10.18|조회수2,409 목록 댓글 8

첨부파일 DATA.zip

이미지를 클릭하면 원본을 보실 수 있습니다.

 

*********오므론 신형은  PLC 가 PC와 통신 하기위한 접속핀수는  RS232C  9핀 입니다. 그래서 自作 可能 합니다  *******

_____________________________________________________________________________________________________________________

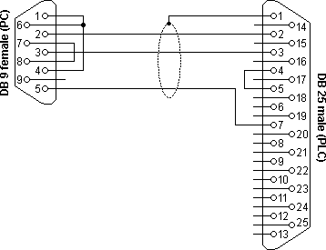
이미지를 클릭하면 원본을 보실 수 있습니다.

******오므론 구형 PLC 가 PC와 통신 하기위한 접속핀수가 25핀  RS232일때 도 自作 하여 接續 可能 합니다.********

___________________________________________________________________________________________________________________

**아래 사진:  오므론 구형 PLC C200H ~ C2000H접속에 필요 한것 입니다 **

 폐리 페럴포트로서 RS422 입니다,그래서 아래 것이 필요합니다.**

 

이미지를 클릭하면 원본을 보실 수 있습니다.

 

 

 http://www.s-dream.net/content/toolselect/plctool.pdf

 -------------------------------------------------------------------------------

 (위쪽 폐리페럴Port는422 컨버터 사용하고,아래Port는  컨버터 不要한 自作9핀232C 케이블 사용합니다. 兼用이지요)

 현 사용중인 프로그램만 좌측 상단에 올립니다.

첨부파일 오므론PLC매뉴얼.zip

 

CX-P 5.0 오므론 SOFTWARE 필요하시면 메일 주십시요.

 

 

다음검색
현재 게시글 추가 기능 열기

댓글

댓글 리스트
  • 작성자남용 | 작성시간 11.04.22 부탁드립니다.010-9553-8302
  • 작성자성원 | 작성시간 13.05.18 자료 감사합니다.
  • 작성자김춘우 | 작성시간 14.10.22 CX-P 5.0 옴론 S/W 부탁드립니다 bombi154@hanmail.net
  • 작성자pyb67 | 작성시간 16.11.24 프로그램부탁 parkyb67@hanmail.net
  • 작성자곰열쇠 | 작성시간 19.03.07 프로그램 부탁드립니다. tjdwns6237@naver.com
댓글 전체보기
맨위로

카페 검색

카페 검색어 입력폼