CAFE

수변전 설비 실무

고압퓨즈의 종류 및 용량선정 _작업중

작성자고산식물|작성시간16.04.09|조회수7,244 목록 댓글 0





-현재 작성중인 문서입니다. 처음 시작할 때는 금방 할 것처럼 생각했는데, 하다보니 정리해야 할 내용도 많고, 각종 자료들을 게시판에 옮기는 것도 시간이 많이 걸리는 일이라 난감해졌습니다. 시간을 넉넉히 잡고 차례로 업데이트할 예정이니 양해해 주십시오.


최근 관리하는 한 현장의 퓨즈들을 교체할 일이 있었습니다. 처음 해보는 일이라 여러가지 면에서 당황스러웠습니다(이 자리를 빌어 옥산전기맨에게 고마운 마음을 전합니다. 옥산전기맨께서 큰 도움을 주셨습니다)


일반적으로 PF와 COS를 통칭하여 고압퓨즈라고 합니다. 수배전반에서 사용하는 고압퓨즈 가운데서 PF(Power Fuse)는 단락보호용이고, COS(Cut Out Switch)는 과전류 차단용입니다. MCCB와의 계통연계를 통해서 각각 단락보호와 과전류보호의 의무를 담당하는데, 과전류보호의 기능은 결상사고의 위험을 불러올 수 있기 때문에 MCCB의 적절한 용량선정을 통한 결상사고 방지가 중요합니다.


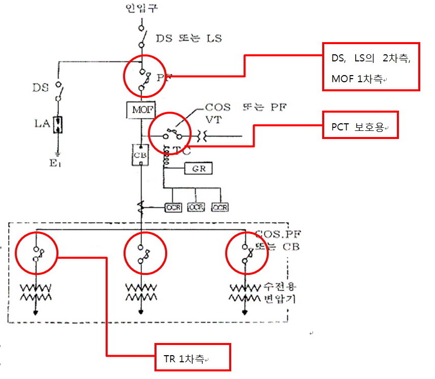
1. 예시도면(특고압 표준결선도)





2. 예시도면에서 고압퓨즈가 사용되는 부분 예시도면에서 고압퓨즈가 사용되는 부분을 빨간색 원으로 특정해 보았습니다.





MOF 1차측과 PCT 보호용 2차측, TR 1차측의 세 군데입니다.

이 가운데서 MOF 1차측에는 최대수용전력(변압기 용량 합계)를 감당할 수 있는 용량의 퓨즈가 필요하고, PCT 보호용으로는 고압 퓨즈 중 제일 작은 1[A] 용량의 퓨즈가 사용되고, TR 1차측에는 각각의 개별 변압기수용전력을 감당할 수 있는 용량의 퓨즈가 필요합니다.


3. 고압퓨즈로 사용되는 PF와 COS의 구분 PF는 주로 입력측 LBS, LS, DS 등에 사용하고 COS는 변압기보호용으로 사용합니다. 각각의 특성은 아래와 같습니다


COS( Cut Out Switch )

주로 변압기 1차측의 각 상마다 설치하여 변압기의 보호와 개폐를 위한 것으로서 단극으로 제작된 것인데 내부의 퓨즈가 용단되면 스위치의 덮개(특고압용의 경우 퓨즈홀더)가 중력에 의하여 스스로 개방되게 하여 멀리서도 퓨즈의 용단여부를 쉽게 눈으로 식별할 수 있게 한 것이며 COS에 퓨즈 대신 동봉을 사용하면 단로기 대용으로 사용할 수 있는 장점이 있다. 그러나 COS는 정격차단 전류용량은 그다지 크지가 않으므로 이를 채용할 경우에는 신중을 기하여야 한다. 퓨즈의 차단전류용량 부족은 과전류에 의하여 용단될 때 퓨즈링크의 폭발을 일으킬 우려도 있다. 자기제 원통의 내부에 퓨즈를 장치하는 구조이다.



PF( power fuse )

전력퓨즈(PF) : Power Fuse는 고압 및 특별고압 기기의 단락보호용 퓨즈이고 소호방식에 따라 한류형과 비한류형이 있으며, 한류형 퓨즈는 높은 아크저항을 발생하여 사고전류를 강제적으로 한류억제해서 차단하는 퓨즈이며 밀폐절연통 안에 퓨즈 엘레멘트와 규소 등의 소호재를 충전, 밀폐한 구조이며 현재 수변전 설비에서 많이 사용된다. 전력퓨즈는 차단기와 릴레이, 변성기의 3가지 기기 역할을 하는 특성이 있으며 경제적인 기기이면서도 확실한 동작특성을 가지고 있으며 소형 염가일 뿐만 아니라 동작대상의 일정 값 이상 과전류에서는 오동작이 없는 완전한 차단특성을 가지고 있다.





4. PF와 COS의 용량계산


- PF와 COS의 용량계산의 전제조건들.

1) 퓨즈 단시간 허용특성은 일반적인 변압기의 여자돌입전류의 크기와 지속시간(전부하전류의 10배에서 0.1초) 이상이어야 한다.

2) 변압기 2차측 단락 시 변압기 1차측 퓨즈는 변압기 보호가 가능한 퓨즈선정(퓨즈 동작시간 2초에서의 전류 < 변압기 최대부하전류 * 1.25배) 3) 정격 100[A] 퓨즈 유니트 fuse unit 는 연속정격전류의 200~240% 범위에서 300초 이내 용단되어야 하며, 정격 100[A] 초과 퓨즈 유니트는 220~264% 범위에서 600초 이내에서 용단 되어야 한다(관련규격: 한전규격 ESB 151-765/786, 전기공업협동조합규격 KEMC 1131-1995, 정격 100[A]란 퓨즈의 정격전류를 말하는 것이 아니고 퓨즈 유니트의 규격, 즉 암페어 프레임 Ampere Frame 을 뜻한다)


- COS의 용량계산

1) COS는 일반적으로 정격전류의 1.2~1.5배의 것을 사용하고, 고압에서는 50[AF], 특고압에서는 100[AF]의 것을 사용하며, 단락용량에서는 10KA 이상의 것을 사용한다.

2) COS의 정격전류는 1, 3, 5, 6, 8, 10, 12, 15, 20, 25, 30, 40, 50, 80, 100 [A]이다.

3) 500[kVA] 변압기 COS 용량계산

따라서 정격전류의 1.2~1.5배를 적용하면 15[A]가 적당하다.


4) 150[kVA] 변압기 COS 용량계산


따라서 정격전류의 1.2~1.5배를 적용하면 5[A]가 적당하다.


- PF의 용량계산은 COS와 동일한 것으로 보입니다.(자료 조사 중). 다만, 정격전류별 PF의 종류가 COS보다 더 다양합니다(추후 자료 추가)

다음검색
현재 게시글 추가 기능 열기

댓글

댓글 리스트
맨위로

카페 검색

카페 검색어 입력폼