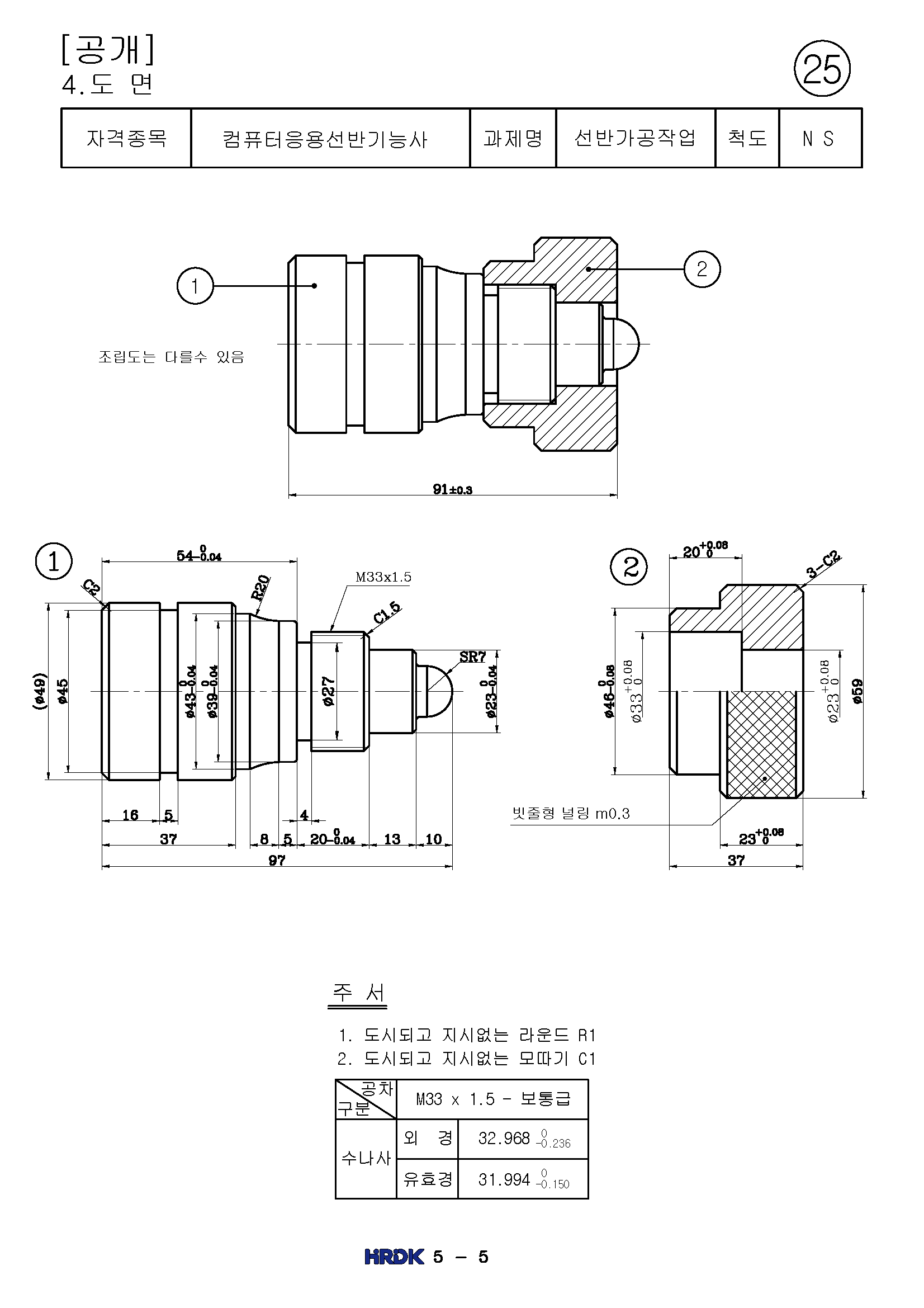
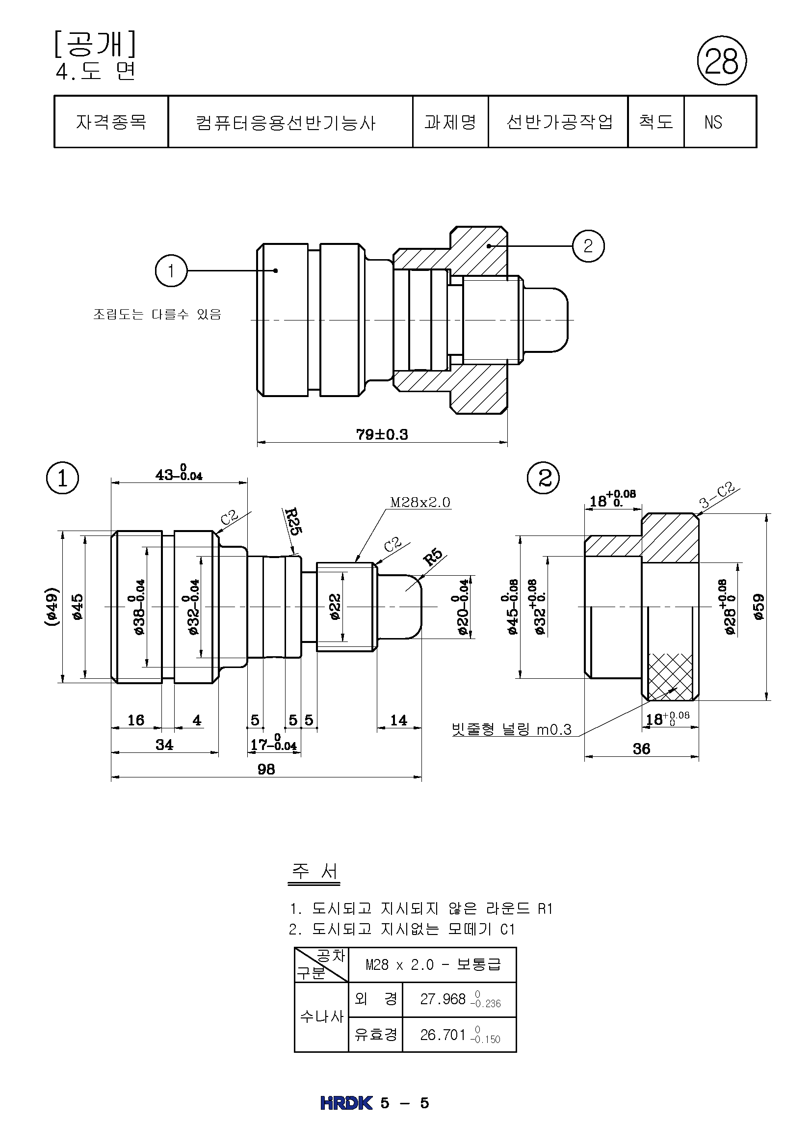
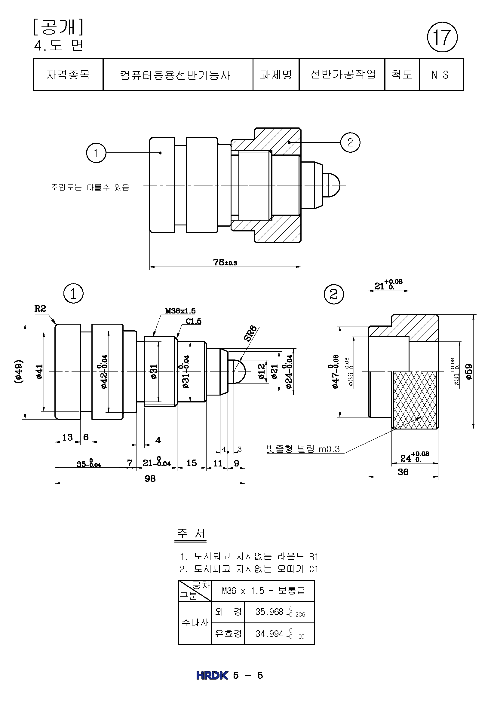
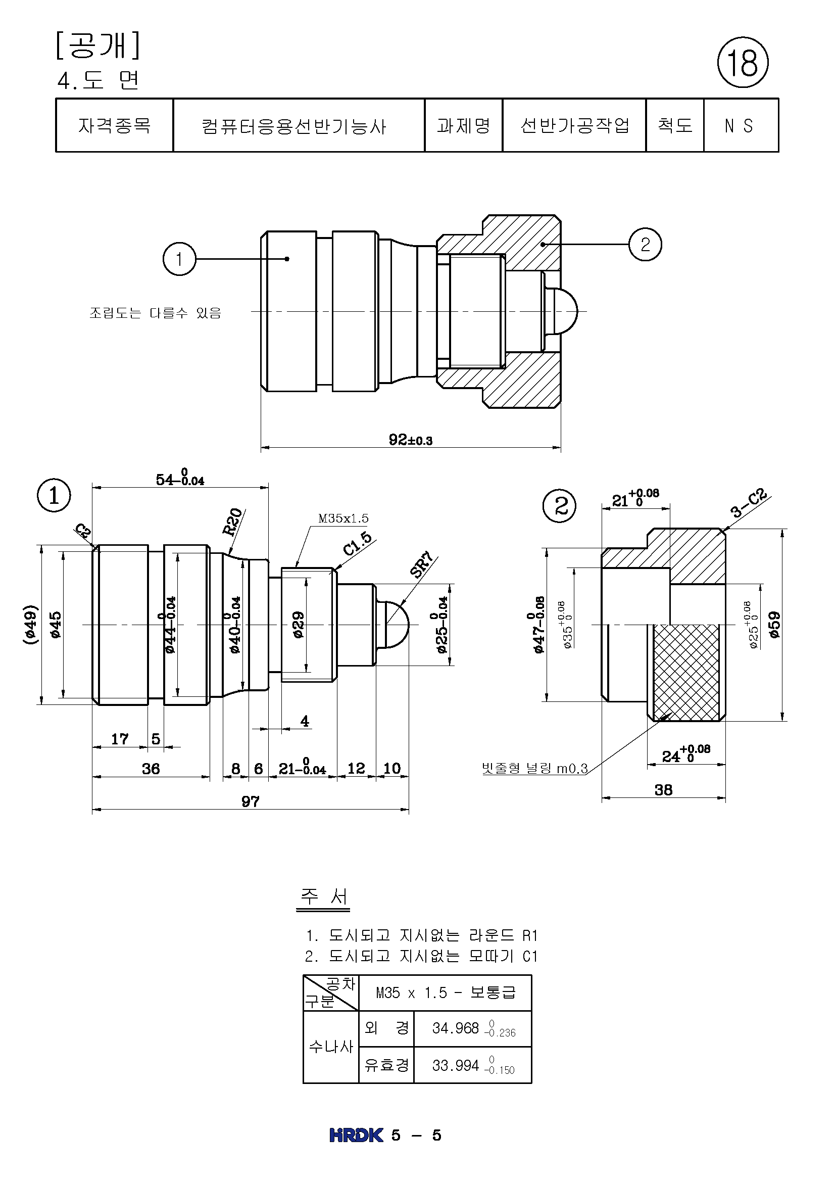
[공개문제]컴퓨터응용선반기능사 도면 17 - 30 작성자이칠성|작성시간21.06.02|조회수1,371 목록 댓글 0 글자크기 작게가 글자크기 크게가 다음검색 현재 게시글 추가 기능 열기 북마크 공유하기 신고 센터로 신고 댓글 댓글 0 댓글쓰기 답글쓰기 댓글 리스트