CAFE

== 4 0 7 게 시 판 ==

언더커버 잘깨지죠? 자작, 장착후기 올립니다~~

작성자blueroad|작성시간09.10.12|조회수975 목록 댓글 23

푸조 407의 오너분들은 거의 대부분 느끼시겠지만 차체가 낮아 차량의 하체가 많이 닿아 언더커버가 손상이 많다는걸 느끼실 겁니다.

저또한 2005년 7월식인데 벌써 두개나 바꿨습니다.  시골길을 자주가는 상황이다보니 파손이 심했습니다.

가격도 제기억으로는 28만원이상 하는 지라 비싸다는 생각을 했고 아깝기도했구요..

수입되어온 제품을 직접 장착을 해보면 재질도 특별하지않고 형상도 복잡한 3차원형상부분이 거의 없어서 비쌀이유가 없다고 생각했죠.

지난 늦여름 춘천에 자동차대회 주관때문에 갔다가 언더커버가  완전이 박살나서 제가 직접 만들어 장착키로 했죠..^^

 

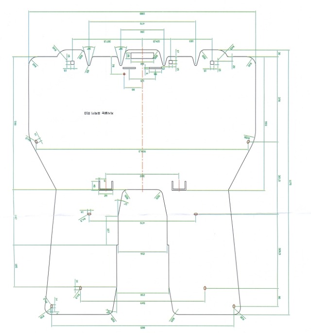
재질: 폴리카보네이트(PC)-망치로 두둘겨도 안깨지고 굉장히 강함, 열에도 비교적 강함,  두께 3mm,  색상: 투명

 

1. 기존의 언더커버의 치수를 정확히 측정하여 CAD로 그린다. 

 

2. 폴리카보네이트(PC)로 제작을 함 

 

 

3. 열을가하여(650도 가열 가능한 히터로..) 일부 곡선부분을 성형하고 장착 볼트자리를 성형함. 

 

 

 

4. 엔진과 변속기 아랫부분에 덧대어놓은 단열시트는 그대로 옮겨서 장착참 

 

 

혹시 저처럼 이렇게 장착하고싶으신 분이 있으시면 연락주세요! 무료로 장착해드릴께요! *^^*

쪽지에 연락처를 남겨주세요! 가까워서 오실 수있으면 직접장착도... 경북 김천입니다.

몇개를 여분으로 더 만들어놨습니다.

두께를 2mm로 하고, 색상도 그린색으로 할 예정입니다.

 

 

 

 

다음검색
현재 게시글 추가 기능 열기

댓글

댓글 리스트
  • 작성자민설희 | 작성시간 09.10.29 늦은 시간까지 장착 해주신것 정말 감사합니다. 또한, 차량 문제점도 하나 하나 가르쳐 주신점 정말 감사하고요.. 식사도 못하고.. 좀 아쉽네요..1시간30분동안 달려가서 직접 만난것이 정말 잘했다고 내려오는 길에 계속 말이 나오더군요.^^ㅎㅎ 제가 차에 대한 것보다 교수님께 더큰것을 배운것은 인덕이라고 할까요^^요즘같은 세상사에.. 저또한 살아가는데 열증하다보니. 인덕없이 살았는데. 하나하나 처음본사람한테 따뜻한 커피한잔에.. 걱정되는 부분들을 웃으면서 고치면 된다. 별거 아니다. 언더커버가 중요한것이 아니고 교수님살아가는 방식을 조금이라도 볼수 있어서 저에게 큰 도움이 된것 같습니다. 자주 찾아갈 빌게요^^
  • 작성자혀기 | 작성시간 09.11.18 증말~~ 횐님중 최고수랄까.. 구미가는길에 연락드린다고 하고. 여태..ㅎㅎ 담에 들릴때 차 한잔 주시면 ㄳㄳ
  • 작성자하니늘 | 작성시간 10.04.27 교수님저거 만들어 파셔도좋을듯하네여~~ㅋㅋ 대단하십니다
  • 작성자소월 | 작성시간 10.11.13 고수이십니다. 사진좀 퍼갈게요
  • 작성자너구리곰상 | 작성시간 11.10.25 존경하는 교수님 저도 하나 부탁드려요... 근데 좀 염치가 없는것같아 죄송하기두 합니다.. 수원푸조 407
댓글 전체보기
맨위로

카페 검색

카페 검색어 입력폼