CAFE

‡‡ Q&A 게시판 ™

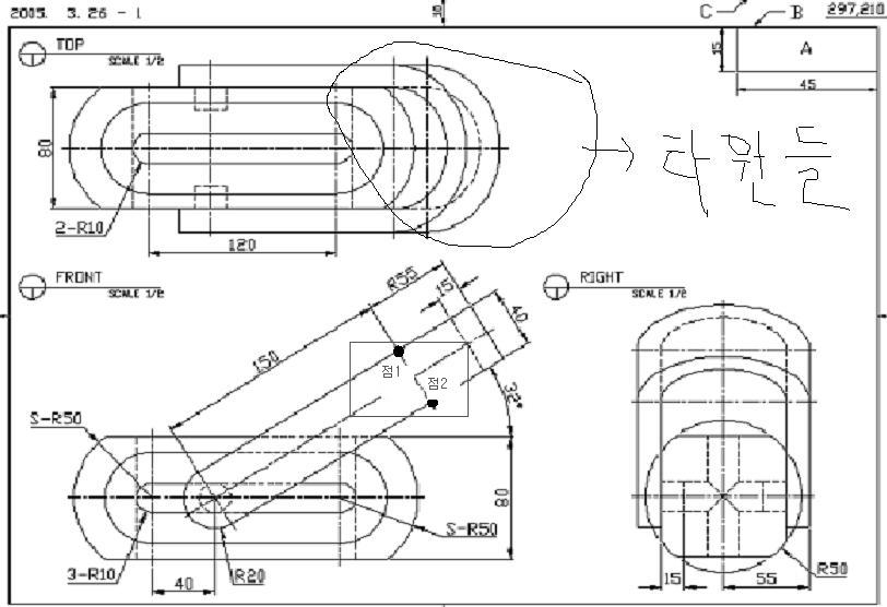
Re:타원의 중심점

작성자오토캐드|작성시간08.12.30|조회수195 목록 댓글 2

중심이 두개죠. 제가 점1, 점2 라고 적어 뒀죠?! 그게 중심입니다. 제가 여건이 좋지 않아서 지금..ㅋㅋㅋ 그냥 그림판으로 점 찍었어요. 여긴 캐드도 없고...뭐.ㅡㅡ; 참고하세요. 참!! 그리고 이 도면으로 ATC 자격증 준비하시는거 아니시죠?! 그냥 연습용으로 하세요. ATC 자격증은 유형이 바뀌었습니다. 요즘은 이렇게 쉽게 안나와요.ㅋㅋ *^^* 열심히 하세요.

 

 

다음검색
현재 게시글 추가 기능 열기

댓글

댓글 리스트
  • 작성자불의전차 | 작성시간 08.12.31 아 예 제가 40의 원통의 중심점을 자꾸 찍어서 그랬습니다. 헌데 정작 그 중심선 상의 위는 아니고 왜 양쪽 바깥인지는 아직도 궁금합니다. = 수준미달 ㅋㅋㅋ 보통 보면 40의 원통 중심선에서 타원의 중심선을 따는 것 같은데 원 제게는 어려운 문제입니다 ㅋㅋㅋㅋ 가르침으로 일단 도면은 완성했습니다 건갈하시길 바랍니다
  • 답댓글 작성자오토캐드 작성자 본인 여부 작성자 | 작성시간 08.12.31 아니죠 실제로 보이는 부분은 객체의 가장자리가 보이는 것이지 중간부분은 보이는 부분이 아니잖아요. 경계부분이 우리의 눈에 보이는 것입니다.
댓글 전체보기
맨위로

카페 검색

카페 검색어 입력폼