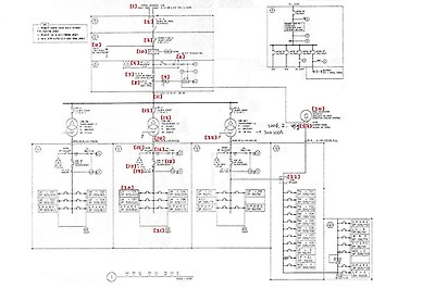
[전기도면 해설]
[1] KEPCO INCOMING LINE 24KV CNCV CABLE 3―1/C―60° (ELP 150) X 2LINE
=> 한전 인입 수용가 수전전압은 24KV 수전케이블은 CNCV 60mm 굵기이며 1C케이블로 3본을 사용하며 전선관으로는 ELP (파상형경질폴리에틸렌전선관) 150mm를 사용하며 사용회선 1회선 예비 1회선 있다는 의미임.
CNCV 와 CV 케이블의 특성비교
|
구 분 |
CN-CV |
CV | |
|
명 칭 |
22.9KV 중성선 전력케이블 (가교폴리에틸렌절연 비닐시스케이블) |
22KV 전력케이블 (가교폴리에틸렌절연 비닐시스케이블) | |
|
구 조 |
|||
|
절연체 |
가교폴리에틸렌 |
가교폴리에틸렌 | |
|
사용전압 |
22.9kv 인입선 |
0.6~154kv | |
|
특
성 |
절연내력 |
30~50 kv/mm |
좌 동 |
|
체적저항 |
10exp16 |
좌 동 | |
|
tanð |
0.003이하 |
좌 동 | |
|
인장강도 |
1.8~3.0kg/mm2 |
좌 동 | |
|
최고허용온도 |
90 도 |
좌 동 | |
|
단락시허용온도 |
230 도 |
좌 동 | |
|
내산성 |
양 호 |
좌 동 | |
|
내유성 |
양 호 |
좌 동 | |
|
내알칼리성 |
양 호 |
좌 동 | |
|
내연성 |
연 소 |
좌 동 | |
|
내열성 |
양 호 |
좌 동 | |
|
용 도 |
22.9kv 인입선에 사용 의무화 |
폭넓은 전압에 다양하게 사용 | |
|
구조상 특징 |
차폐층대신 중성선이 있음 |
차폐층으로는 수용가의 큰 고장전류를 흘릴 수 없으므로 별도의 중성선이 필요함 | |
[1-1] 케이블헤드(CH)의 기능
① 케이블을 전기기기에 접속
② 케이블의 절연 및 방수
③ 케이블실드의 접지
④ 스트레스처리(전계분포)

(케이블헤드 스페어 - CNCV케이블 2라인중 하나임)
[2] LDS 25.8KV 3P 600A (W/HANDLE)
=> LDS는 3극 연동의 단로기에 간단한 소호실 3극 연동의 단로기에 간단한 소호실이 부착된 것으로, 회로 조건에 따라 차단기까지는 필요 없으나 상시부하전류 정도의 전류가 개폐되는 것이 요구될 때 쓰인다. (단로기에 전력휴즈를 조합한 LDS는 LBS과 같은 형식으로 PF-S형에 사용하고 있다.)
수리점검시 무부하전류를 차단하기 위한 시설이며 정격전압은 22.9 x (1.2/1.1)로 계산하되 규격치인 25.8[KV]를 사용한다.
따라서 정격전압 25.8KV / 한류휴즈 600A 사용
W/HANDLE 는 With handle 의 약자로서 핸들을 가지고 있는 구조라는 뜻임.
[3] POWER FUSE-3 25.8KV 200AF (85AT)
변압기보호용으로서 파워퓨즈 85A 지지대(프레임)은 200A에 견디는 구조로 3개사용
퓨즈를 변압기과부하전류의 2배정도로 선정함.
도면에서 변압기 2차측의 전류는 300KVA + 350KVA + 400KVA = 1,050KVA이다.
P=VICOSΘ로부터 I = 1050KVA/(√3 x 22.9KV) = 26.48A
2배로 하면 52.95A인데 85A를 사용함으로서 너무 큰 용량을 사용한 것으로 판단됨.
[4] LA-3 18KV 2.5KA (W / isolator)
피뢰기는 뇌전류를 대지로 방전하여 기기의 절연을 보호하고 속류를 차단하는 것으로서
정격전압은 속류가 차단되는 교류의 최고전압을 말하고 제한전압은 피뢰기 동작중 단자전압의 파고치를 말한다.
피뢰기 3개 수전전압이 22.9KV인때 정격전압은 18KV이다. <isolator 붙임형이다.>
피뢰기의 접지는 1종접지(10Ω)으로 하되 타 접지와 독립적으로 해야 한다.
[5] PF - 3 24KV 200AF (1A)
PT용 파워퓨즈이다.
정격전압 24KV에 정격전류 1A이며 프레임정격이 200A임.
PT의 2차측이 쇼트되면 1차측에 고압이 유기되어 주 계통에 이상전류가 파급되는 것을 방지하기 위하여 퓨즈나 COS를 설치하는 것이다.
[6] 3Φ PT 13.2KV / 110V
3상 계기용 변압기로서 1차측이 13.2KV / 2차측이 110V이다.
PT의 2차측은 언제나 고정되어 110V이며 3상4선식 선로에서 선간전압이 22.9KV이므로 상전압은 22.9KV / √3 = 13.2KV이다.
Δ결선을 한 3선식의 경우 계기용변압기는 V 결선하고
Y 결선을 한 4선식의 경우에는 계기용변압기는 Y결선한다.
PT를 직결하는 경우(이 때는 저압인 경우임)는 2차측의 접지가 필요없다.
외함은 특고압이므로 1종접지를 하여야 한다.
[7] VCB 24KV 3P 630A (520MVA) 12.5KA
진공차단기 정격전압은 24KV 혹은 25.8KV {수전전압 x (1.2/1.1)로 계산한다}이며 3극으로서 정격전류는 630A이고 정격차단전류가 12.5KA 이다.
따라서 정격용량은 √3 x 24 x 12.5 = 519.6[MVA]
진공차단기는 보수가 간단하나 차단시 서지전압이 발생하므로 건식변압기, 몰드변압기, UPS 등에 사용할 때에는 반드시 서지옵서버가 필요하다.
진공벌브의 수명개폐회수를 넘기지 않도록 관리하고 청결유지할 것.
[8] CT - 3 40 / 5A (DRY TYPE)
계기용 변류기 3개로서 1차측이 40A에 2차측이 5A이다.
아날로그 계기용변류기의 2차측은 언제나 5A이다. (최근 디지털은 1A인 경우 많다)
변압기의 경우에는 1.25~1.5배의 배율로 한다.
도면에서 CT비를 구하면
-> {1050[KVA]÷(√3 X 22.9)} X (1.25~1.5) = 26.47 X (1.25~1.5) = 33.09~39.71 이므로
시판되는 CT의 배율을 찾으면 40/5가 적정하다.
[9] 계전기 기구번호 (27 50 51 51N)
27 부족전압계전기 - 여기에서는 부족전압이 발생된 때에 발전기를 자동 기동시키도록 하고 있다.
50 단락지락선택계전기
51 과전류계전기
51N 중성선에 설치하는 지락계전기(50G는 접지선에서 검출하는 과전류계전기)
단락지락선택계전기(50)와 과전류계전기(51)는 3상 각선에 지락계전기(51N)는 중성선에 설치함.
|
기구번호 |
명 칭 |
설 명 | |
|
1 |
|
주제어 개폐기 또는 계전기 |
중요기기의 기동, 정지 S.W |
|
2
|
2Q 2S 2G |
시간지연 계전기 유입장치 절환용 한시계전기 Strairmer용 Timer Grease Pump 기동 Timer |
기동 또는 동작에 한시를 주는 것
|
|
3
|
3-28B 3-28Z 3-29 3-30 3-30L 3-41 3-52 3-65L 3-66F 3-75 3-86 3-88 3-89 3-R |
조작용 개폐기 Bell 복귀용 조작 S.W Buzzer 복귀용 조작 S.W 소화장비용 조작 S.W Indicator 복귀용 조작 S.W Lamp 복귀용 조작 S.W 계자개폐기용 조작 S.W 차단기용 조작개폐기 전기조속기 Lock용 조작개폐기 Fleaker Ry 복귀용 조작개폐기 제동장치용 조작 S.W Lock Out Ry 복귀용 조작 S.W 보조기용 접촉기 단로기용 접촉기 조작 S.W 일반 복귀용 조작 S.W |
기기를 조작함
|
|
4
|
4GP |
주제어회로용 접촉기 또는 계전기 발전, 양수용 주제어회로 계전기 |
주제어회로를 개폐하는 것
|
|
5
|
5E 5T 5B |
정지개폐기 또는 계전기 비상정지 개폐기 또는 계전기 Turbine 정지개폐기 Boiler 정지개폐기 |
기기를 정지하는 것
|
|
6
|
6-99 |
기동차단기, 접속기 또는 계전기 Locator 기동용 Aux Relay |
기계를 기동회로에 접속함
|
|
7
|
7-24LR 7-24PC 7-55 |
조정개폐기 ULTC용 Tap 조정개폐기 P.C용 Tap 조정개폐기 자동역률조정기용 조정개폐기 |
기기를 조작 조정하는 것
|
|
기구번호 |
명 칭 |
설 명 | |
|
|
7-65P 7-65JE 7-70 7-70E 7-77 7-90R 7-IR |
전기조속기 출력조정용 개폐기 결합운전 주파수 조정기 Generator 계자조정용 조정개폐기 여자기계자조정용 부하조정장치용 조정개폐기 AVR의 전압조정용 유도전압조정기용 조정개폐기 |
|
|
8
|
8A 8C 8D
|
제어전원개폐기 교류제어전원 개폐기 공동제어전원 개폐기 직류제어전원 개폐기 계전기전원 개폐기 |
제어전원을 개폐하는 것
|
|
9 |
|
계자 극성전환 개폐기 |
계자전류 극성을 반대로 함 |
|
10
|
10P |
순서개폐기 또는 Program 조정기 Program 조정기 |
2조 이상 기기의 기동 정치순서를 정함 |
|
11
|
11-25 11L |
시험개폐기 또는 Relay 자동동기장치용 개폐기 Lamp 접점용 개폐기 |
기기의 동작을 시험하는 것
|
|
12 |
|
과속도개페기 또는 계전기 |
과속도시에 동작하는 것 |
|
13 |
|
동기속도개폐기 또는 계전기 |
동기속도에 동작하는 것 |
|
14 |
|
저속도개폐기 또는 계전기 |
저속도에 동작하는 것 |
|
15 |
|
속도조정 장치 |
회전기의 속도를 조정하는 것 |
|
16
|
16B 16BG 16BS 16G 16S |
표시선 감시계전기 P/W 단선검출 계전기 P/W 지락용 단선검출 계전기 P/W 단락용 단선검출 계전기 P/W 지락검출 계전기 P/W 단락검출 계전기 |
표시선의 고장을 검출하는 것
|
|
17
|
17G 17GI 17GO 17S |
표시선 계전기 지락용 P/W 계전기 지락용 내부고장 Relay 지락용 외부고장 Relay 단락용 P/W 계전기 |
표시선 계전방식에 사용하는 것
|
|
기구번호 |
명 칭 |
설 명 | |
|
18 |
|
가속 또는 감속접촉기 |
가속 또는 감속시 다음 단계로 진행하는 것 |
|
19 |
|
기동 또는 운전절체 계전기 |
기기를 기동에서 운전으로 절환하는 것 |
|
20
|
20WC 20WE 20WB 20V |
보조기 Valve 냉각수 Valve 비상용 급수 Valve 배수 Valve 진공 Pump 저지 Valve |
보조기의 Valve |
|
21
|
21S 21G
|
거리계전기(미국, 영국) 단락거리계전기 지락거리계전기 주기기 Valve(일본) |
단락 또는 지락거리계전기
|
|
22 |
|
예비번호 |
|
|
23
|
23Q 23R 233W |
온도조정계전기 유온조정계전기 실내온도 조정계전기 냉각수 온도조정계전기 |
온도를 일정 범위로 유지함
|
|
24
|
24LR 24PC |
Tap 절환장치 ULTC 전압조정용 PC 전압조정용 |
전기기기의 Tap을 절환하는 것
|
|
25 |
|
동기검출장치 |
교류회로의 동기를 검출함 |
|
26
|
26T 26LR 26PC 26SSH 26R 26RG |
정지기 온도계전기 변압기용 온도계전기 ULTC용 온도계전기 P.C용 온도계전기 과열증기 온도계전기 분로 Reactor 온도계전기 재순환 Gas 온도계전기 |
변압기등 정지기의 온도에 의해 동작
|
|
27
|
27A 27H 27Q 27C |
교류 부족전압 계전기 공기압축기 UVR 소내전원 UVR 유압 Pump용 UVR 제어용 교류전원 UVR |
교류전압이 부족할 때 동작함
|
|
기구번호 |
명 칭 |
설 명 | |
|
28
|
28B 28F 28LA 28Z |
경보장치 Belldyd Relay 화재검출기 LA 검출기 Surge 검출계전기 |
|
|
29
|
29CS 29C 29T |
소화장치 소화장치 Valve Coil 29용 투입 Coil 29용 개방 Coil |
화재시 동작하는 것
|
|
30
|
30F 30L 30S |
기기상태 또는 고장표시 장치 고장표시기 Lamp 표시기 동작 표시기 |
기기의 동작상태나 고장을 표시하는 것
|
|
31 |
|
계자변경 차단기 또는 계전기 |
계자권선을 타여자 전원에 접속시키는 것 |
|
32 |
|
교류역전력계전기(미국) 직류역류계전기(일본) |
교류회로 전력 방향이 반대로 될 때 동작 |
|
33
|
33CO2 33Q |
위치검출장치 또는 개폐기 CO2 소화기 개폐기 유면검출장치 |
유면 액면의 위치와 관련하여 동작
|
|
|
33W 33S |
수위개폐기 Tap 검출장치 |
|
|
34 |
|
전동순서 제어기 |
기동 또는 정지장치의 동작 순서를 정함 |
|
35
|
35LR |
Brush 조작장치 또는 Slip Ring 단락장치 35용 조작개페기 |
Brush의 조정 또는 Slip Ring을 단락함
|
|
36 |
|
극성계전기 |
극성에 의해 동작하는 것 |
|
37
|
37A 37D 37F 37V |
부족전류계전기 교류 부족전류계전기 직류 부족전류계전기 Fuse 용단계전기 전자관 Filament 단선 검출기 |
전류가 부족할 때 동작하는 것
|
|
기구번호 |
명 칭 |
설 명 | |
|
38 |
|
축수온도계전기 |
회전기축수 가열시 동작 |
|
39 |
|
예비번호 |
|
|
40 |
|
계자상실계전기 |
계자상실시 동작하는 것 |
|
41
|
41C 41T 41A 41D 41R |
계자차단기 또는 접촉기 41용 Closing Coil 41용 Trip Coil 계자증폭기 Relay 자동계자 개폐기 조정계자 개폐기 |
재자회로를 차단 또는 연결하는 것
|
|
42 |
|
운전차단기 또는 개폐기 |
기기를 운전회로에 접속함 |
|
43
|
43-17 43-25 43-79 43-87 43-90 43A 43C 43P 43R |
제어회로 전환개폐기 P/W 전환개폐기 동기검출회로 전환개폐기 재패로방식 전환개폐기 모선보호용 전환개폐기 자동전압조정기용 전환개페기 자동수동 전환개폐기 반송장치 전환개폐기 PT회로 전환개폐기 원방세어 전환개폐기 |
제어회로를 자동 또는 수동으로 전환함
|
|
44
|
44G 44S |
거리계전기(일본) 지락거리계전기 단락거리계전기 Sequence Starting Relay(미국) |
|
|
45 |
|
직류 과전압 계전기(일본) 기압계전기(미국) |
|
|
46 |
|
역상 또는 불평형계전기 |
역상 또는 불평형전류에 동작하는 것 |
|
47
|
47A 47F 47T |
결상 또는 역상전압계전기 공기압축기용 Relay 변압기 냉가 Fan용 차단기 결상 Timer |
결상 또는 역상시에 동작함
|
|
48
|
48-24 48-25 |
정체검출계전기 Tap 정체 검출 Relay 동기병열 정체 Relay |
소정시간내 동작치 않을시 작동할 것 |
|
49
|
49A 49R |
회전기 온도계전기 공기냉각용 온도계전기 회전자 온도계전기 |
회전기 온도가 규정치 이상, 이하에서 동작 |
|
기구번호 |
명 칭 |
설 명 | |
|
50
|
50G 50S |
단락, 지락 선택계전기 지락 선택계전기 단락 선택계전기 |
단락, 지락회로를 선택하는 것 |
|
51
|
51G 51H 51L 51N 51P 51S 51V |
교류과전류 계전기 지락과전류 계전기 고정정 O.C.R 저정정 O.C.R 중성점 O.C.R MTr 1차 OCR MTr 2차 OCR 전압억제부 OCR |
과전류에 동작하는 것
|
|
52
|
52C 52T 52H 52P 52S 52K |
교류차단기 차단기 Closing Coil 차단기 Trip Coil 소내용 차단기 MTr 1차 차단기 MTr 2차 차단기 MTr 3차 차단기 |
교류회로를 차단하는 것
|
|
53 |
|
여자계전기 |
여자 예정상태에서 동작 |
|
54
|
54A 54F |
직류고속도 차단기 양극용 DC고속 차단기 전철용 DC고속 차단기 |
직류회로를 고속도로 차단하는 것
|
|
55 |
|
역률계전기 또는 조정기 |
무효전력이나 역률을 조정함 |
|
56
|
56S |
동기탈조검출계전기(일본) 자동여자조정기(미국) 동기기 탈조검출 계전기 |
|
|
57 |
|
자동 전류조정기(일본) 접지 또는 단락장치(미국) |
회로를 단락 접지시키는 장치 |
|
58 |
|
정류기 고장검출기 |
|
|
59
|
59H 59L |
교류과전압 계전기 고정정 O.V.R 저정정 O.V.R |
교류전압이 규정치 이상에서 동작 |
|
60
|
60C 60P |
전압평형 계전기 콘덴서 고장검출 Relay PT 고장검출 Relay |
2회로의 전압으로 동작 |
|
기구번호 |
명 칭 |
설 명 | |
|
61
|
61C |
전류평형 계전기 콘덴서 고장검출 전류 Relay |
2회로의 전류차로 동작하는 것 |
|
62 |
|
정지 또는 폐로지연용 계전기 |
|
|
63
|
63A 63N 63Q 63V 63W |
압력계전기 공기압력 계전기 질소압력 계전기 유압 계전기 진공 계전기 수압 계전기 |
유체의 압력에 의해 동작함
|
|
64
|
64D 64E 64H 64L 64N 64φ |
지락과전압 계전기 직류접지계전기 여자회로 지락계전기 고정정 64계전기 저정정 64계전기 중성점 64계전기 지락상 판별계전기 |
접지회로의 전압에 동작함
|
|
65 |
|
고속장치 조속기 |
속도조정장치 |
|
66
|
66F |
단속계전기 Flicker 계전기 |
교류회로의 전력, 지락방향에 따라 동작함
|
|
67
|
67G 67GA 67GI 67GO 67S |
지락방향계전기 또는 전력방향계전기 지락방향계전기 67G용 O.C.R 지락내부??향 계전기 지락외부방향 계전기 단락방향계전기 |
교류회로의 전력, 지락방향에 따라 동작함
|
|
68 |
|
탈조저지 계전기(미국) |
동기탈조시 회로동작을 저지함 |
|
69 |
|
유속계전기(일본) 절연접촉기(미국) |
유체의 흐름에 의해 동작 |
|
70
|
70E 70M 70S |
가감저항기(Rheostat) 주여자기 계자종정기 전등기 계저조정기 부여자기 계저종정기 |
|
|
71
|
|
정류소자 고장검출기(일본) Level Switch(미국) |
|
|
기구번호 |
명 칭 |
설 명 | |
|
72 |
|
직류차단기 |
직류회로를 개페하는 것 |
|
73 |
|
저항단락용 차단기 |
전류제한 저항을 단락하는 것 |
|
74
|
|
경보용 계전기(미국, 영국) 조정변(일본) |
수차조정면 |
|
75 |
|
위치변환장치(미국) 제동장치 |
기기의 제동을 하는 것 |
|
76 |
|
직류과전류계전기 |
직류회로 과전류로 동작 |
|
77
|
|
Pulse 전송기(미국) 부하조정장치 |
|
|
78
|
78G 78S |
반송보호 위상비교 계전기 지락위방비교 계전기 단락위상비교 계전기 |
전류의 위상차를 반송파로 비교 동작하는 것 |
|
79
|
79TI 79T2 79T3 |
교류재폐로 계전기 재폐로준비용 Timer 재폐무압시간용 Timer 재폐로확인용 Timer |
교류회로 재폐로를 제어함
|
|
80 |
|
유속계전기(미국) 직류부족전압계전기(일본) |
|
|
81
|
81G |
주파수계전기(미국) 조속기구동장치(일본) 조속기구동용 발전기 |
조속기를 움직이는 장치
|
|
82 |
|
직류재폐로 계전기 |
직류회로 재폐로를 제어함 |
|
83 |
|
선택접속기 |
전원을 선택 절환하는 것 |
|
84
|
|
일반구동장치(미국) 전압계전기(일본) |
|
|
85
|
85R 85R-1 85R-2 85RC 85RP 85S 85TA |
신호계전기 수신용계전기 수신 Trip용 계전기 수신 점검용 계전기 반송보호용 계전기 표시선용 계전기 송신용 신호계전기 신호장치 점검 Timer |
송신 또는 수신신호에 동작하는 것
|
|
기구번호 |
명 칭 |
설 명 | |
|
86
|
86-1 86-2 86-3 86-5 |
폐쇄계전기(Look Out Relay) 비상정지용 Lock Out 급정지용 Lock Out 무부하용 Lock Out 고장 완정지용 Lock Out |
|
|
87
|
87B 87G 87T |
전류차동계전기 모선보호 차동계전기 발전기용 차동계전기 주변압기 차동계전기 |
단락 또는 지락 차전류에 의해 동작하는 것
|
|
88
|
88A 88F 88H 88Q 88QT 88V 88W |
보조기용 저촉기 공기압축기용 개폐기 Fan용 개폐기 Heater용 개폐기 유압 Pump용 개폐기 OT 순환 Pump용 개폐기 전공 Pump용 개폐기 냉각수 Pump용 개폐기 |
전동장치의 운전용 개폐기
|
|
89
|
89C 89T 89IL |
단로기 단로기용 Cilsing Coil 단로기용 Opening Coil 단로기 ock Magnet |
|
|
90 |
|
자동전압조정기 또는 조정계전기 |
전압을 어떤 범위로 조정하는 것 |
|
91 |
|
전력계전기(일본) 전력방향계전기(미국) |
예정된 전력에 동작하는 것 |
|
92 |
|
전력방향계전기(미국) 문비(일본) |
출입구의 Damper |
|
93 |
|
여자절환개폐기(미국) |
|
|
94 |
|
Trip Free 접촉기 |
Trip Free 계전장치 |
|
95
|
95H 95L |
주파수계전기 고정정 주파수계전기 저정정 주파수계전기 |
|
|
기구번호 |
명 칭 |
설 명 | |
|
96
|
96-1 96-2 96P |
정지기 내부고장 검출장치 Bucholzz 경보계전기 Bucholzz Trip 계전기 순시압력 계전기 |
변압기 등의 내부고장을 기계적으로 검출하는 것 |
|
98 |
|
연결장치 |
동력전달을 위해 연결하는 것 |
|
99
|
99F 99S |
자동기록장치 자동고장기록장치 자동동작기록장치 |
|
[10] 계기명
MOF (계기용변압변류기) - 3상3선은 PT CT 두 개를 각각 V결선 / 3상4선은 PT,CT각 3개를 Y결선)
DM (최대수용전력량계)
VAR (무효전력계)
VS (전압계용 절환개폐기)
V (전압계)
F (주파수계)
PF (역률계)
KW (WH-전력량계)
AS (전류계용 절환개폐기)
A (전류계)
[11] 23KV CV 3-1C 38SQ
수용전압 23KV로서 38㎟ 1C CV케이블 3본
[12] PF-3 25.8KV 200AF (10AF/15AF)
퓨즈의 정격전류는 변압기1차의 전류를 계산후 2배를 하여 구한다.
기술기준에서 고압의 경우 포장퓨즈는 정격의 1.3배에서 견디고 2배에서 120분안에 용단 / 비포장퓨즈는 정격의 1.25배에 견디고 2배에서 2분이내 용단될것.
괄호안의 단위가 AF가 아니고 AT일듯 하며 각각 정격의 1.13배 1.32배 1.5배로 적용되어 있음.
350KVA인 변압기의 경우 I = 350/(√3 X 22.9) X 2 = 17.64A
300KVA인 변압기의 경우 I = 300/(√3 X 22.9) X 2 = 15.12A
400KVA인 변압기의 경우 I = 400/(√3 X 22.9) X 2 = 20.16A
[13] TRANSFORMER -2 (Δ-Y) P : 22,900V S : 380/220V 3Φ 300KVA
전력용 변압기 2번이 (Δ-Y)결선으로 되어 있으며 이로서 1차는 3상3선 Δ결선이고 22,900V가 인가되어서 2차측은 Y결선 선간전압이 380V로 강압되며(상전압은 380/√3 = 220V) 300KVA의 정격용량을 갖는 변압기이다.
2차측의 Y결선 중 중성선은 E2 즉 2종 접지를 행한다.
[14] 600V CV 4-1C - 250SQ
정격전압 600V용 CV케이블로 단심케이블 4본이며 전선의 단면적은 250㎟임.
[15] MCCB 3P 50/50AT
MCCB는 배선용차단기로서 Molded Case Circuit Breaker의 약자임.
통상 차단기의 KA는 차단용량으로 단락전류에 대한 차단능력을 말하며 용량선정방법은 해당회선의 변압기정격전류*20 이상하면 되며 AF는 차단기 FRAME의 용량으로 차단기 몸체가 견딜 수 있는 전류의 한계를 말하고 AT는 TRIP용량으로 우리가 흔히 얘기하는 차단기의 정격전류임.
여기에서는 차단기 프레임도 50A, 트립전류도 50A임.
[16] PT 380/110V
계기용 변압기로서 1차측은 선간전압 380V 3상을 V결선으로 하고 2차측은 항상 110V 임.
[17] 3Φ SC 15KVA
3상에 적용한 전력용 콘덴서로서 그 정격용량은 15KVA임.
콘덴서용량 Qc = 부하용량 x 부하역률 {√(1-부하역률2)/부하역률 - √(1-합성역률2)/합성역률}
또는 콘덴서용량 Qc = 부하용량 x (tanθ1-tanθ2)
2번 변압기용량이 300KVA이고 현재 합성역률이 99%이므로 부하역률을 역산하여 구해보면
tanθ2 = √(1-cosθ22)/cosθ2 이고 cosθ2 = 0.99 이므로 tanθ2 = √(1-0.9801)/0.99 = 0.1425
15 = 300 x (tanθ1-0.1425) 따라서 tanθ1= 0.1925가되고 θ1 = tan-1 0.1925 = 10.896o
∴ cos(10.896o)= 0.982
즉, 전부하시의 부하역률이 98.2%일 때 15KVA의 콘덴서를 설치하면 합성역률이 99%(지상)이 됨.
[18] ACB 4P 600A (W/OCR OCGR)
ACB(Air Circuit Breaker) 4극이며 정격전류가 600A이며 과부하계전기 및 지락과전류계전기가 붙어있는 형식이다.
[19] CT - 3 600/5A
계기용 변류기로서 3개의 CT를 사용하므로 이는 Y결선으로 연결된 것임.
[20] LM - 105 3P 225/200
105동(1015동) 전등전열용 배전반에 공급되는 배선용차단기로서 3극이며 프레임정격이 225A이고 정격전류가 200A인 MCCB임.
[21] ELD 10CCT
누전경보기 10회로짜리??
발전기용 자동전원절환스위치로서 4극이고 정격전류가 1,000A임.
[23] AUTO STARTING PANEL W/ACB 4P 1000A
4극이며 정격전류가 1000A인 기중차단기가 붙어있는 자동시동판넬
[24] DISEL GENERATOR 3Φ 350KW 380/220v AC 60Hz
(Radiator cooling system)
디젤발전기로서 3상 350KW이며 선간전압이 380V이고 상전압이 200V이고 주파수가 60Hz인 교류발전기임. (냉각수는 라디에이터로 냉각함)
[25] E2
제2종 접지를 말한다.
|
제 1 종접지공사 |
|
▶변압기로 특별고압전선로에 결합되는 고압전로의 방전장치 ▶특별고압 계기용변압기의 2차측전로 ▶고압용전기기구의 철대 및 금속제외함 ▶고압전로에 시설하는 피뢰기 및 방출보호통 기타 피뢰기에 대용하는 장치 ▶고압옥측전선로의 시설로 관 기타의 케이블을 넣는 방호장치의 금속제부분,금속제전선접속함 및 케이블의 피복에 사용하는 금속체 ▶특별고압가공전선이 가공약전류 전선 등과 접근 또는 교차시의 보호망 ▶고압옥외배선에 사용하는 관 기타의 케이블을 넣는 방호장치의 금속제부분,금속제전선접속함 및 케이블의 피복에 사용하는 금속체 ▶방전등용 안전기의 외함 및 방전등용 전등기구의 금속제부분(전등회로의 사용전압이 고압이고 또한 방전등용 변압기의 2차단락전류 또는 전등회로의 동작전류가 1A가 넘는 경우) ▶옥측 또는 옥외에 시설하는 전등회로의 사용전압이 1,000V를 엄는 방전등 ▶전극식온천용승온기 차폐장치의 전극 ▶풀장용 수중조명등 등에 사용하는 절연변압기의 1차 권선과 2차권선과의 사이에 설치하는 금속제의 누설방지판 ▶고압의 표피전류가열장치에 사용하는 발열관(박스를 포함한다) ▒ 사람이 접촉할 경우가 없도록 시설하는 경우에는 제3종 접지공사를 할 수 있다 |
|
제 2 종접지공사 |
|
▶고압전로와 저압전로를 결합하는 변압기의 저압측의 중성점 또는 1단자 (사용전압이 300V이하의 경우이고 당해 접지공사를 변압기의 중성점에 시설하기 어려울 때) ▶고압전로와 저압전로를 결합하는 변압기로 고압권선과 저압권선과의 사이에 설치하는 금속제의 누설방지판 ▶다심형전선을 사용하는 경우의 중성선 또는 접지측전선용으로서, 절연물로 피복하지 아니한 도체 |
|
제 3 종접지공사 |
|
▶고압계기용변압기의 2차측전로 ▶400V 미만의 저압용 기계기구의 철대 또는 금속제외함 ▶저압가공전선 또는 고압가공전선에 케이블을 사용하고, 이것을 조가하는 경우의 멧센져와이어어 및 케이블의 피복에 사용하는 금속체 ▶다심형전선을 사용하는 경우의 멧센져와이어용으로서 절연물로 피복하지 아니한 도체 ▶고압가공전선이 교류전차선 등의 위에서 교차하여 시설될 경우의 고압가공전선로의 포금류 ▶보호망 ▶보호선 ▶관, 암거 기타지중전선을 넣는 방호장치의 금속제부분, 금속제의 전선접촉함 및 지중전선의 피복에 사용하는 금속체 ▶터널내에 고압전선로를 시설하는 경우, 케이블을 사용 할 때 방호장치의 금속제부분, 금속제전선 접속함 및 케이블의 피복에 사용하는 금속체 ▶고주파전류에 의한 장해방지를 위하여 설치하는 콘덴서 및 네온점멸기의 고주파발생장치 접속단자의 접지측단자 ▶400V 미만의 합성수지관 공사에 사용하는 풀박스 또는 분진방폭형 플랙시블 휘팅 ▶400V미만의 금속제가요전선관배선에 사용하는 금속제 가요전선관 ▶400V미만의 금속덕트 배선에 사용하는 덕트 ▶400V미만의 버스덕트 배선에 사용하는 덕트 ▶플로어덕터배선에 사용하는 덕트 ▶400V미만의 케이블배선에 사용하는 관 기타의 배선을 넣는 방호장치의 금속제부분, 금속제전선접속함 및 전선의 피복에 사용하는 금속체 ▶방전등용안정기의 외함 및 방전등용전등기구의 금속제부분(제1종접지공사, 특별제3종접지공사의 조건이외의 경우) ▶400V이상 1,000V이하의 전등회로의 배선으로 다음에 해당하는 것. ▶에스칼레이트내의 관등회로 배선으로 전선과 접촉하는 금속제의 조영제 ▶네온변압기를 넣는 외함의 금속제부분 ▶옥측 또는 옥외에 시설하는 관등회로로서 사용전압 1,000V이하의 방전등 ▶교통신호등 제어장치의 금속제 외함 ▶발열선 또는 발열선과 직접 접속하는 전선의 피복에 사용하는 금속체 및 방호장치 ▶전열보드의 금속제외함 또는 전열시트의 금속제피복 ▶전극식온천용승온기에 사용하는 절연변압기의 철심 및 금속제외함 ▶전기욕기에 사용하는 절연변압기의 철심 및 금속제외함 ▶전기방충용전원장치를 넣는 금속제의 외함 ▶아크용접장치의 피용접제 또는 이것과 전기적으로 접속되는 지구, 정반 등의 금속제 ▶엑스선발생장치의 변압기 및 콘덴서의 금속제외함등 ▶엑스선관도선의 노출하는 충전부분에 1m 이내로 접근하는 금속체 ▶라이팅덕트 배선에 사용하는 덕트 ▶표피전류가열장치에 사용하는 발열관(박스를 포함한다) |
|
특별 제 3 종접지공사 |
|
▶400V 이상의 저압용기계기구의 철대 및 금속제 외함 ▶400V 이상의 합성수지관배선에 사용하는 풀박스 또는 분진방폭형 플랙시블 휘팅 ▶400V이상의 금속관 배선에 사용하는 관 ▶400V 이상의 금속제가요전선관배선에 사용하는 금속제 가요전선관 ▶400V 이상의 금속덕트 배선에 사용하는 덕트 ▶400V 이상의 버스덕트배선에 사용하는 덕트 ▶400V 이상의 케이블전선에 사용하는 관 기타전선을 넣는 방호장치의 금속제부분, 금속제전선접속함, 렉크등지지물의 금속제부분,케이블의 피복에 사용하는 금속체 ▶방전등용안정기의 외함 및 금속제부분(관등회로의 사용전압이 400V 이상의 저압이고 또한 방전등용 변압기의 2차 단락전류 또는 관등회로의 동작 전류가 1를 넘는 경우) ▶옥측 또는 옥외에 시설하는 관등회로의 사용전압이 1,000V 이하의 방전등 ▶풀용 수중조명등에 사용하는 자동차단장치 등을 넣는 금속제의 외함 ▶풀장용 수중조명등을 넣는 욕기 및 방호장치의 금속제 부분 ▶400V이상의 저압의 발열선 또는 발열선과 직접접속하는 전선피복에 사용하는 금속체 및 방호장치 ▶400V이상의 저압의 직접가열장치에 사용하는 발열체의 단열제의 금속제외피 및 절연물을 중간에 둔 금속제 비충전부분 ▶400V이상의 저압의 표피전류가열장치에 사용 하는 발열관(박스를 포함한다) ▒ 사람이 접촉할 경우가 없도록 시설하는 경우에는 제3종 접지공사를 할 수 있다 ※ 접지공사 그 자체는 규제되어 있지 아니하나 소정의 접지공사를 할 경우에 시공방법이 완화되는 것으로는 다음의 것이 있다. - 고압용 절연기구를 금속제의 함에 넣는 경우 - 저고압가공전선과 소도 등의 근접 또는 교차 - 저고압가공전선과 굴뚝 등이 접촉될 경우가 있는 경우 - 저압옥내전선과 약전류전선의 접근 또는 교차 - 옥내에 시설하는 저압콘트롤리선선의 공사 - 전극식온천용승온기의 시설 - 전기집진장치의 시설 |
|
접지종형 |
접지저투지 |
접지공작물 |
접저선의 굵기 |
접지극 |
|
제1종 |
10Ω이하 |
접지모선 및 피뢰기 |
14㎟이상 5.5㎜이상 |
접지극은 판형, 변형, 관형등의 동 또는 동피복 강제의 접지극을 사용한다 |
|
제2종 |
150/ΩI1 이하I1은 1선지락전류. |
1상의 변압기합계용량5kVA이하 |
5.5㎟이상 | |
|
(100V의 경우) 10kVA이하 |
8㎟이상 | |||
|
" 20kVA이하 |
14㎟이상 | |||
|
" 40kVA이하 |
22㎟이상 | |||
|
" 60kVA이하 |
38㎟이상 | |||
|
인입선 14㎟이하 인입구접지 |
5.5㎟이상 | |||
|
" 38㎟이하 " |
8㎟이상 | |||
|
" 100㎟이하 " |
14㎟이상 | |||
|
" 250㎟이하 " |
22㎟이상 | |||
|
" 250㎟초과 " |
38㎟이상 | |||
|
특별제3종 |
10Ω이하 |
300V 넘는 저압용기기의 철대, 외함, 금속관공사의 고압옥측에 전선로의 관, 경질비닐공사에 의한 고압옥내배선의 금속제 풀복스등 |
제3종과 동 | |
|
제3종 |
100Ω이하 |
저압전동기의 자기이외의 공철대, 배관등 설비로서 과부하차단기가 |
| |
|
3.7 kW이하 50A이하 |
2.0㎟이상 | |||
|
7.5 kW이하 100A이하 |
5.5㎟이상 | |||
|
15 kW이하 200A이하 |
14㎟이상 | |||
|
37 kW이하 400A이하 |
22㎟이상 | |||
|
600A이하 |
38㎟이상 |
접지선의 굵기
|
제1종 접지공사의 접지성의 부분 |
접지선의 종류 |
접지선의 부분 | |
|
동 |
알루미늄 | ||
|
고정하여 사용하는 전기기계기구에 접지공사를 하는 경우 |
- |
2.6㎜ 이상 |
3.2㎟ 이상 |
|
이동하면서 사용하는 전기기계기구에 접지공사를 하는 경우 |
제3종 또는 제사종 크롤로프랜캡타이어케이블, 고압용의 캡타이어케이블 또는 고압용의 캡타이어 케이블의 차폐금속제 혹은 접지용 금속선 |
8㎟ 이상 |
- |
|
※이표는 비접지식 고압전선로에 전기기계기구를 접속하는 경우의 최저기준을 표시한다 | |||
|
제2종 접지공사 | ||||
|
변압기 중성점 접지 표 제2종 접지선의 굵기 | ||||
|
변압기 1상분 용량 [kva] |
접지선의 굵기 | |||
|
110v |
220v |
380v |
동선[㎟ ] |
알루미늄선[㎟ ] |
|
5.5 까지 |
11.0까지 |
19.0까지 |
5.5 이상 |
8.0 이상 |
|
11.0 까지 |
22.0까지 |
38.0 까지 |
8.0 이상 |
14 이상 |
|
22.0 까지 |
44.0 까지 |
76.0 까지 |
14 이상 |
22 이상 |
|
44.0 까지 |
82.5 까지 |
152.0 까지 |
22 이상 |
38 이상 |
|
66.0 까지 |
137.5 까지 |
228.0 까지 |
38 이상 |
60 이상 |
|
82.5 까지 |
165.0 까지 |
285.0 까지 |
50 이상 |
80 이상 |
|
110.0 까지 |
220.0 까지 |
380.0 까지 |
60 이상 |
100 이상 |
|
137.5 까지 |
275.0 까지 |
475.0 까지 |
80 이상 |
125 이상 |
|
※ 내선규정 표 1-18 | ||||
|
제 3종 또는 특별 3종 접지공사의 접지선의 굵기 | ||||
|
접지하는 기계기구의 |
일반의 경우 |
이동하면서 사용하는 기계기구에 접지를 하여야 할 경우로서 가연성을 필요로 하는 부분에 코오드 또는 캡타이어케이블을 사용하는 경우 | ||
|
동 |
알루미늄 |
단심의 굵기 |
2심을 접지선으로 사용하는 경우의 1심의 굵기 | |
|
20A 이하 |
1.6㎟ 이상 2 ㎟ 이상 |
2.6㎟ 이상 |
1.25㎟ 이상 |
0.75 ㎟ 이상 |
|
30A 이하 |
1.6㎟ 이상 2 ㎟ 이상 |
2.6㎟ 이상 |
2㎟ 이상 |
1.25 ㎟ 이상 |
|
50A 이하 |
2.0㎟ 이상 3.5㎟ 이상 |
2.6㎟ 이상 |
3.,5 ㎟ 이상 |
2㎟ 이상 |
|
100A 이하 |
2.6㎟ 이상 5.5㎟ 이상 |
3.2㎟ 이상 |
5.5㎟ 이상 |
3.5㎟ 이상 |
|
200A 이하 |
14㎟ 이상 |
22㎟ 이상 |
14㎟ 이상 |
5.5㎟ 이상 |
|
400A 이하 |
22㎟ 이상 |
38㎟ 이상 |
22㎟ 이상 |
14㎟ 이상 |
|
600A 이하 |
38㎟ 이상 |
60㎟ 이상 |
38㎟ 이상 |
22㎟ 이상 |
|
800A 이하 |
50㎟ 이상 |
80㎟ 이상 |
50㎟ 이상 |
30 ㎟ 이상 |
|
1,000A 이하 |
60㎟ 이상 |
100㎟ 이상 |
60㎟ 이상 |
30㎟ 이상 |
|
1,200A 이하 |
80㎟ 이상 |
125㎟ 이상 |
80㎟ 이상 |
38㎟ 이상 |
|
1. 이 표는 과전류 차단기는 인입구, 선용 또는 분기용에 시설하는 것( 개페기가 과전류 차단기를 겸하는 경우를 포함한다) 이며, 전기개폐기와 같은 전동기의 과부하보호기는 포함하지 아니한다, | ||||














