CAFE

보트와엔진

선외기 설치전 알아야할 상식

작성자강산|작성시간11.11.10|조회수2,162 목록 댓글 0

 


 





선외기는 엔진을 들어올려 물로부터 부식을 방지하는큰 장점이 있습니다  

이장치를 이용하기위해 파워트림&유압쇼바를 사용하여 편리하도록 설개가 되었습니다

또한 파워트림을 사용하여 선체의 균형을 잡기위해서도 이각도는 꼭필요합니다

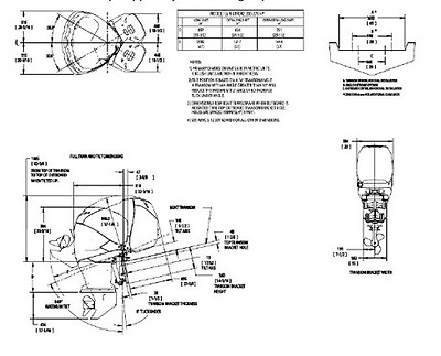
그러한 이유때문에 브라켓트 각도가 90도 각이아닌 78도를 유지하고 있습니다

 

 

 

 


선외기 엔진은 플레이트가 배믿면가 일직선상으로 마추도록 공식하 되어 있습니다

 

엔진보다 배가 클경우는 저항를 작게받개 하기위해 2-3 cm 정도 올려서다는 경우도 있습니다

 




플레이트는 물과 공기를 분리하는 부분이기에 플레이트가 배믿면보다 올라오면

 

프로펠러가 공기와 함께 회전하며 물속에서 기포를 발생하며  물의 저항을 적개 받습니다

 

플레이트가 너무네려가면 반대로 물의 저항이 강해저 엔진의 악영향을주며 재성능을 발휘하지 못합니다

 


 

  Cavitation

만약 선외기 엔진의 하부 가  충분히 물속에 잠기기 않는다면 , 프로펠러가 물만이 아니라 공기와 함께 물을 밀어

  내게 되어서 충분한 추진력을 가지지 않게 될겁니다. 이것을 용어로 cavitates 라는 동사로 사용합니다. 이것은

   또한 엔진 이나 파이프등등 을 마모 시켜서 수명을 단축 시키는 영향도 주게 됩니다. 또한 반대로 너무 깊게 엔진

    하부가 놓이게 된다면 , 더욱 빈번히 바닥에 닿기가 쉬울것이고 필요없는 끌림을 더 주게 될겁니다. 이것을

      방지 해주시 위한 납작한 판이 프로펠러 바로 위에 달려 있는데 이것을 " anti cavitation plate  " 라고 하고

프로펠러가 움직이면 , 프로펠러 앞쪽은 물을 프로펠러 쪽으로 내 보내기 때문에 저압이 되고 프로펠러 뒤쪽은 물이

 밀려 나와서 고수압이 됩니다. 그렇게 되면 공기가 프로펠러에 차서 돌아가게 되고 그러면 추진력이 떨어지게 되므로

   공기가 그런식으로 들어가는 것을 막기 위하여 , 안티 캐비테이션 판을 설치 해 놓은 겁니다만 , 이 판이 있다고

    만약 해초나 나뭇잎 ,이끼 같은것 ,쩍 일셨죠 그런것들이 엔진 하부 앞쪽에 들러 붙어 있어면, 물 흐름을 바꾸게

     되어서 프로펠러 앞쪽의 압을 현저하게 떨어 떨이게 되고 이것이 결국 안티 캐비테이션 판주위에서 공기를 빨아

     들이게 되고 거품이 생기게 되어서 추진력을 현저하게 낮추게 되는 결과를 가져오게 됩니다. 

 

아웃 보드에 적합한  트랜섬의 높이

 평균적인 보통 보트에 대해서 케비테이션 플래이트가 킬 아래 약 1 인치 (킬 있는 경우) , 킬 없는 보트는 배 밑바닥

  에서 1 인치 아래 라고 합니다만 ,레이싱 보트의 경우에는 높이 달수록 속도를 더 낼수 있다고 합니다. 엔진 하부

   층의 끌림을 줄이고 뒤쪽 압을 줄인다는 거죠. 가장 좋은 트랜섬 높이는 실험으로 얻는것이 가장 좋지만 , 

     캐비테이션이 과도하게 일어나는 순간까지 높이를 올리는 것이 좋다는 겁니다.

선외기 브로셔에는 권장 트랜섬 높이가  15 인치 , 20 인치 입니다.

    아래 그림들을 참고 하시기 바라며 ,또한 엔진의 기울기가 엄청 중요 한걸로 압니다. 그 기울기는 특별한

  공식이 있는 것은 아닐것이기 때문에 , 생략 합니다.

 

 

아래사진은 트랜섬각도에 따라 보트의 부상정도를 그림으로 표시합니다.

                                        트랜섬높이조절과 각도 조절은 상당히 중요하다고 볼수 있습니다,

                                                               위 내용은 frp,고무보트 모두 같습니다.

다음검색
현재 게시글 추가 기능 열기

댓글

댓글 리스트
맨위로

카페 검색

카페 검색어 입력폼