CAFE

★★구조역학 단위중량?? 질문있습니다

작성자asiapower|작성시간14.03.29|조회수439 목록 댓글 2

 

 

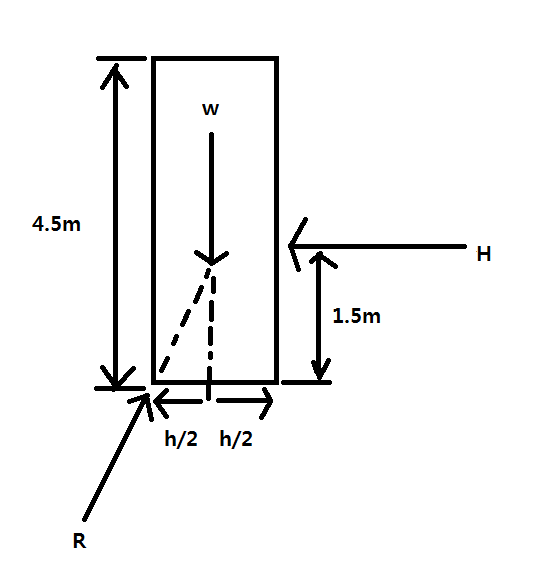
단위중량 W=2500kg/m3 토압 H=60kN/m 벽체가 토압에 의하여 전도되지 않으려면 벽체의 폭 h는 최소 얼마이상되어야하는가?

(단위길이1m에 대하여 계산하여라),이때 벽체와 기초사이에 일어나는 마찰력은 얼마인가? 마찰계수는 f=0.5 이다

 

답 h>1.07m  마찰력F=60.2KN 입니다 콘크리트단위중량 무게로바꿔서 계산맞지않나요? 답이틀렸는지 아무리해도 1.07 이안나오네요!!

다음검색
현재 게시글 추가 기능 열기

댓글

댓글 리스트
  • 작성자實力土木 | 작성시간 14.04.05 전도에 대한 안정 검토 시 안전율 1.5를 고려하면 h=1.07m나옵니다
  • 작성자實力土木 | 작성시간 14.04.05 구조물의 자중은 중력가속도를 10m/sec^2으로 가정할 때 W=2500*10*0.001*4.5h=112.5h kN/m 이구요
댓글 전체보기
맨위로

카페 검색

카페 검색어 입력폼