CAFE

회원장터

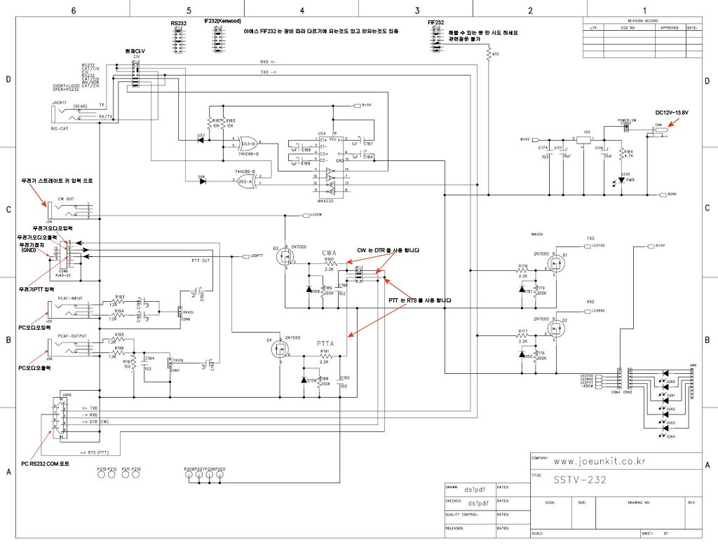
RS232 방식 cw, afsk (sstv,bpsk,rtty) 큰 회로

작성자DS1PDF|작성시간15.08.06|조회수353 목록 댓글 5

RS232 방식 cw, afsk (sstv,bpsk,rtty) 큰 회로 를 올립니다.

제가 보아도 글씨를 알아보기 힘든든하여 좀 큰회로를 올립니다.

큰 그림을 올렸는데도 비슷하내요. 아마도 올릴때 자동으로 그리 되는가 봅니다.

아래 PDF 파일을 추가 하였으니 클릭하여 보시면 더 잘 보입니다.

 

첨부파일 RS232_HAMBLE_SCH2.pdf

 

 

 

 

다음검색
현재 게시글 추가 기능 열기
  • 북마크
  • 신고 센터로 신고

댓글

댓글 리스트
  • 작성자HL1HG | 작성시간 15.08.06 감사합니다. 그렇지 않아도 기존 회로도의 부품 값이 잘 보이지 않는 부분이 있어 답답했는데 새로 업로드 해주신 파일은 훨씬 낫군요. 공제를 하지 않은 기판이라 관련된 다른 도움이 될만한 문서 파일이 없나 봅니다. 회로를 바탕으로 완성해 보겠습니다.
  • 답댓글 작성자DS1PDF 작성자 본인 여부 작성자 | 작성시간 15.08.06 자료 수정하여 더 추가 하였습니다
    다시 보세요
  • 작성자HL1HG | 작성시간 15.08.07 제가 필요했던 정보가 RJ45 커넥터의 연결과 각종 점퍼부분의 세팅이었는데 수정된 회로도에서 상세히 주석을 달아 주셨네요. 이제 PCB 활용에 별 다른 문제는 없을 것으로 생각됩니다. 감사합니다. 수고하셨습니다.
  • 답댓글 작성자DS1PDF 작성자 본인 여부 작성자 | 작성시간 15.08.07 다행입니다.
    전 회로만 보면 다 아실줄 알고 있어서 ...
  • 작성자ds5cgo/3 | 작성시간 15.09.01 기판 구매 가능한가요?
댓글 전체보기
맨위로

카페 검색

카페 검색어 입력폼