CAFE

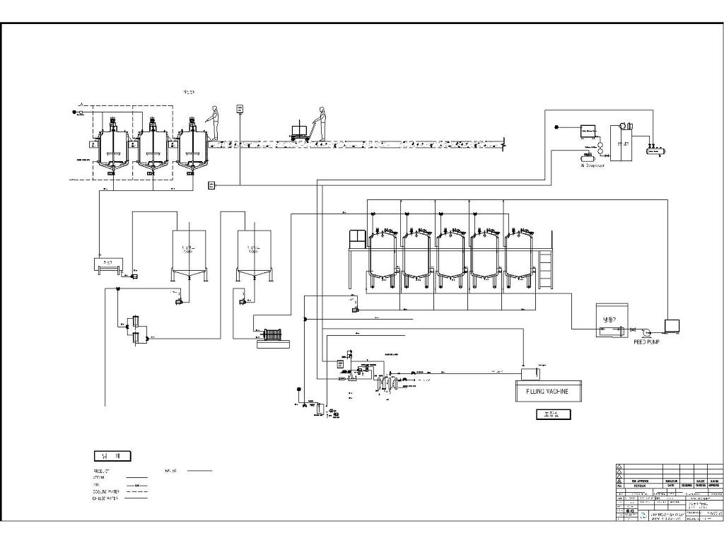
전통주 제조설비 & 공정도

작성자관리자|작성시간12.01.30|조회수2,521 목록 댓글 0

 

< 전통주 제조라인>

  

      제조설비    :     발효탱크   2Ton x 3대

                            세미기  x  1 set

                            파쇄기  x 1set

                            계량기 , 투입장치 

                            Control Panel & 제어 system

      제성설비   :     제성기 x 1 set

                           제성Tank  x 2set

      여과설비   :     규조토여과기  x 1set 

      숙성설비     :   Aging Tank  2,000Liter x 5set

      살균설비      :  HTST  1,000LITER/HR x 2set

      냉침설비      :  Refrigerator 15RT/HR & Piping,, Control system

      부대설비      :  Boiler  500kg/HR ,  Air Compressor

      FILLER       :   20BPM x 1 SET

     

 

 

 

 전통주는 술을 담그는 장인의 손길이 무엇보다도 중요합니다. 

 여기서는 술을 만드는 기능을 보유하신 분들 전제로 기본적인 설비를 설명 하고자 합니다.

 

 

<준비 및 발효과정>

 쌀이나 옥수수 찹쌀 등 원료 선별후 1차가공 (고두밥 짓기 혹은 생미의 경우 새미후 파쇄작업) 이후

 잘 세척이 되어 깨끗한 상태의 발효설비에 사입하는 과정부터 술 빚기가 시작 됩니다.

 원료의 양에 맞춰 적정량의 정제수를 투입합니다. ( 유량제어 장치에 의해 자동으로 조절 가능함.)      

 누룩이나 효소 등 발효용 종균을 투입한후 교반장치를 가동해서 잘 섞어 줍니다.

 이후 발효과정에서 생기는 열 등은 냉각장치(자켓이나 코일로 냉각수 순환) 를 이용해서

 발효에 지장이 없도록 온도를 조절 하게 됩니다.

 발효시간은 만드는 분에 의해 결정되지만 대략 3일~1주일 정도 발효후 제성을 하게 됩니다.

 

 <제성과정>

 발효탱크에서 막 나오는 원주는 슬러지가 많고 도수가 조정이 안된 말 그대로 원주 입니다.

 상품으로 만들기 위해 제성공정을 거쳐야 합니다.

 제성공정은 여과와 맛내기 도수조정 등으로 이루어집니다.

 1차 제성기(회전 거름망)를 통과하면 슬러지를 걸려낸 15~22도 정도의 원주가 됩니다.

 이 원주를 5~6도로 희석시키고 맛내기를 해서 만드는 술이 막걸리 입니다.

 1차 거름망을 통해 막 걸렸다고 "막걸리"라고 한다더군요.

 

 <전통주 만들기>    

 15~22도 정도의 원주를 원하는 돗수(일반적으로12~15도 정도)로 조정후 2차정밀 여과를 합니다.

 2차 여과기는 거름망  형태가 아닌 규조토여과기 같은 정밀한 여과기를 사용합니다.

 규조토여과기를 통과후 술은 맑고 미색을 띤 전통주의 모습이 됩니다.  

 

<숙성>

 2차 여과후 바로 병입해서 출고 하면 옛날 흔히 마시던 약주가 되는데 풍미나 질을 높이기 위해

 숙성이라는 과정을 거치게 됩니다.  

 오래 익은 술이 맛있다는 말이 있 듯 숙성은 상당히 중요한 과정입니다.  

 빛이 차단 된 저온 상태의 숙성은 맥주나 양주 와인 등 모든 주종을 막론하고 술 만들기에서는  

 반드시 거치는 중요한 단계 입니다.

 일반 공장에서는 와인용 지하 창고 같은 구조물을 준비하기엔 어려움이 있으므로

 현대식 설비는 밀폐 유지되고 보온이 되는 그리고 온도 조절이 가능하도록 제작 된 숙성탱크를 이용합니다. 

 

<후처리>

 짧게는 한달 길게는 수개월 수년씩 숙성후 출고되는 술은 상당히 풍미가 있고 상품성이 뛰어나지만

 상품의 유통성을 높이기 위해서 후처리 공정을 거칩니다.  

 돗수 높은 술은 생주 상태로도 출고를 많이 하는 편이지만 중저도의 술은 일반적으로 살균 과정을 거칩니다.

 살균을 하게되면 발효를 하던 효모균들이 사멸되므로 유통과정에서 일어나는 발효(부패가능성 있는 이상발효 포함)

 를 막고 일정한 풍미와 품질을 유지 할 수 있습니다.  

 살균 방법은 높은 온도에서 짧은 시간에 처리하는 HTST 살균방법을 많이 씁니다.

 이 과정 후 병입해서 출고 하면 됩니다.

 

 

 

<설비 설치사진>

2층 사입실 설치  이미지 입니다.

 

 발효탱크와 Control System 설치 모습.

 

 

 

 

 3대의 발효탱크 설치.

 발효후 탱크 하부(1층에 위치)로 원주가 배출되는 설치 구조 입니다. 

 

 

 

 

 유량계 & 자동밸브 설치 모습.

 - 원료 투입후 원료의 양에 맞게 정제수의 양을 조정해서 자동으로 투입하는 기능 임,

 

 

 

 

제성기 (1차 회전거름망) 설치 모습.

 

 

 

 

제성기 내부 모습

 

 

 

 

숙성탱크 설치하는 모습 

 

 

 

 

살균기 설치 모습

 

 

 

 

냉동기 & 순환펌프 장치

 

 

 

 

보일러 실 설치 모습

 

 

 

 

공기 압축기

 

 

 

 

 제조실 설치작업 모습

 

 

 

 

<제품 이송콘베어 & 턴테이블 설치 >

 

 

 

 

병입 충진기

 

 

 

 

주입기 & 콘트롤판넬

 

 

 

다음검색
현재 게시글 추가 기능 열기

댓글

댓글 리스트
맨위로

카페 검색

카페 검색어 입력폼