CAFE

빙과류 제조공정 & 설비

작성자관리자|작성시간13.03.28|조회수1,532 목록 댓글 0

 

 

 

   < 빙과류 제조공정 & 설비>

  

      아이스크림과 공정은 거의 같습니다.

   빙과류와 아이스크림은 유지방 함량의 차이로 나눠집니다.

   빙과류는 유지방이 거의 없는 경우가 대부분입니다만

   요즈음은 유명 프렌차이즈 매장에서 판매하는 고급형 빙과류도 있습니다.  

 

 

 <공정>

 

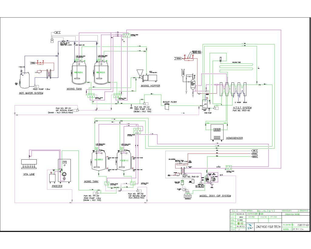
  1. 믹스 제조.

     공정의 우선은 용량과 온도가 제어 가능한 정제수(물) 준비

     그리고 원료를 배합할 설비가 필요합니다. 

     계량된 물에 정해진 비율의 배합물( 설탕+크림+첨가물) 을 넣고

      배합 탱크에서 균일하게 배합을 합니다.

 

 2. 살균

     제조한 믹스를 살균하는 과정이 필요합니다. (순간 고온 살균기 사용) 

 

 3. 균질   

      살균과정에서 추가로 균질 과정울 거칩니다.

      균질 과정을 거친 믹스는 유분리가 일어나지 않고 고운입자로 분쇄됩니다.

 

 4. 숙성

     살균과 균질을 거친 믹스는 숙성과정을 거칩니다.

     숙성은 믹스의 안정화와 맛을 좋게 하는 과정입니다.

 

 5. 성형

     숙성된 믹스가 프리자를 거치면 소프트 아이스크림이 됩니다.

      그 후 마지막으로 하드닝 공정을 거칩니다.

     ( 프리자나 하드닝공정은 모두 냉동공정 입니다.)

 

 6. 포장

      하드닝 공정을 거쳐 단단해진 믹스(제품) 는 위생적인 유통을 위해

      포장을 해서 출하하게 됩니다.

   

 

 <설비>

 

      믹스제조설비 :  믹싱탱크   2Ton x 2대

                            믹싱호퍼  20HP x 1 set

                            온수가열용 열교환기 x 1set

                            온수 저장탱크 1.5Ton x 1대

                            Control Panel & 제어 system

 

      살균설비      :  HTST  4,000LITER/HR x 1set

      균질설비      :  HOMOGENIZER    4,000LITER/HR

 

       숙성설비     :   Aging Tank  4,000Liter x 2set

       FREEZER   :   300~600LITER/HR x 1set                

       FILLER       :   VITA 14열 x 1 SET

      CIP system   : Single Use CIP system  x 1 set

 

 

 

 

 

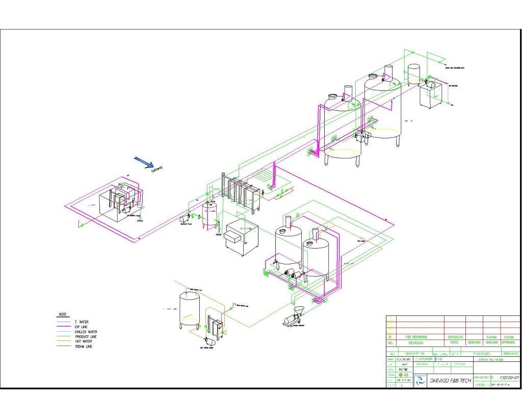
    1)  예상 배치도

 

 

 

2)  제조 공정도

 

다음검색
현재 게시글 추가 기능 열기

댓글

댓글 리스트
맨위로

카페 검색

카페 검색어 입력폼