CAFE

자유게시판

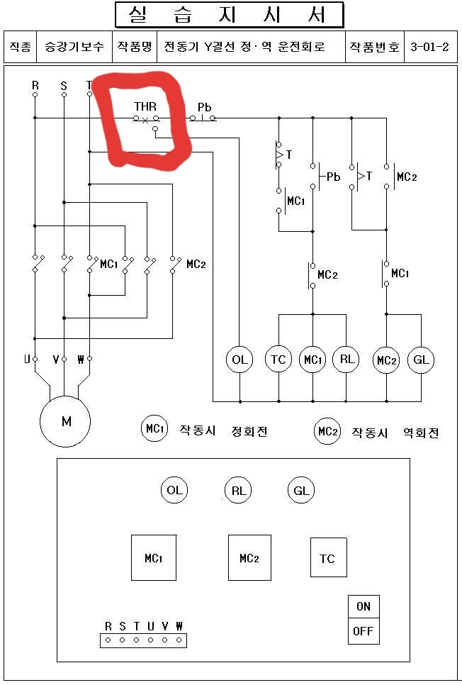
실기 도면 질문드립니다!!

작성자승민|작성시간20.06.06|조회수1,009 목록 댓글 8

혹시 요기 빨간색으로 표시된 THR에 X가 쳐져있는데 혹시 무슨 의미인지 알려실수 있을까요..?
도면을 만들때 저 부분을 생략하는건가요?

다음검색
현재 게시글 추가 기능 열기

댓글

댓글 리스트
  • 답댓글 작성자승민 작성자 본인 여부 작성자 | 작성시간 20.06.07 구단 정말 감사합니다ㅠㅠ
  • 작성자블루스리 | 작성시간 20.06.10 옛날 문제인것 같은데 요즈음은 EOCR로 출제됩니다
  • 답댓글 작성자승민 작성자 본인 여부 작성자 | 작성시간 20.06.10 감사합니다!! 회로도 결선할때에 저 x친곳도 연결해주는거 맞나요?
  • 답댓글 작성자블루스리 | 작성시간 20.06.12 위 댓글 b접점 참고하세요
  • 작성자메일친구 | 작성시간 20.06.11 저는 이 문제가 잘못된 것 같다고 생각합니다. THR이 OL에 연결되어 있어 생략할 수가 없습니다. 도면의 제어판에 thr 의 소켓이 없어 문제를 풀 수가 없습니다. 아무리 보아도 도면이 잘못된 것 같습니다. 많은 의견부탁합니다.
댓글 전체보기
맨위로

카페 검색

카페 검색어 입력폼