CAFE

[문제] 독서(비문학)

[2014 EBS 인터넷 수능] 화법과 작문 & 독서와 문법(A)-심화 문제로다지기2(발광 다이오드(LED))

작성자구렛나루|작성시간15.01.24|조회수1,444 목록 댓글 0

10강 심화 문제로다지기2

 

[04~06] 다음 글을 읽고 물음에 답하시오.

열복사로 가시광선을 낼 수 없는 낮은 온도의 물체에서도 빛이 나오는 경우가 있는데, 이러한 현상을 발광이라 고 한다. 발광은 물질 중의 전자가 여러 가지의 자극에 의해 바닥상태에서 들뜬상태로 전이되었다가 다시 안정된 바닥상태로 되돌아가며, 그 에너지 차이에 해당하는 빛을 방출하는 현상을 말한다. 따라서 이런 빛을 내도록 하기 위해서는 우선 물질을 불안정한 들뜬상태로 만드는 것이 필요하다. 이를 위해서 빛, 화학 반응, 전기, , 전자 등을 이용하는 다양한 방법이 사용된다. 그래서 발광은 들뜬상태를 만드는 방법에 따라 광, 화학, 전기, , 음극 등을 발광 앞에 붙여 구분한다.

최근 많은 관심을 받고 있는 LED는 발광 다이오드(Light Emitting Diode)의 약어로, 전기 발광을 이용한 것이 다. 순수한 반도체는 전류가 잘 흐르지 않기 때문에 약간의 불순물을 넣어 전류가 잘 흐르도록 하는데, 이 과정을 도핑이라고 한다. 원자가전자(原子價電子)4개인 순수 반도체에 원자가 전자가 5개인 인, 비소 등을 첨가하면 n형 반도체가 되는데, 추가된 원자는 공유 결합에 참여하지 못하는 전자 1개를 갖게 된다. 여분의 전자인 이 자유 전자는 원자에 약하게 구속되어 쉽게 들뜬상태가 되어 전도띠*로 올라가게 된다. 반면 원자가 전자가 3개인 알루미늄, 붕소 등을 순수 반도체에 첨가하면 p형 반도체가 되는데, 저마늄이 갖는 4개의 원자가 전자 중 1개는 공유 결합을 하지 못하고 전자가 부족한 양공이 만들어진다. 이와 같이 반도체에 약간의 불순물을 넣어서 남아도는 전자나 양공을 만들면, 전류를 흐르게 하는 입자가 많아지기 때문에 전기 전도도가 좋아진다.

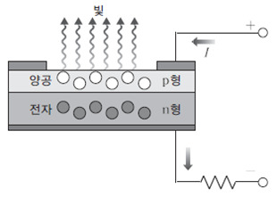
p형 반도체와 n형 반도체를 접촉시킨 뒤 양 끝에 전극을 붙인 것을 p-n 접합 다이오드라고 한다. p-n 접합 다이오드의 p형 반도체 부분에 ‘+’극을, n형 반도체 부분에는 ‘-’극을 연결한 경우를 순방향 전압이라고 한다. 순방향의 전압이 걸리면 p-n 접합면에 양공과 전자가 공존하는 영역이 생기면서 전자가 양공을 채워 전류가 지속적으로 흐르게 된다. 다이오드를 제작할 때 p형 반도체에 비해서 n형 반도체에 더 많은 양의 불순물을 넣으면, 전류가 흐를 때 주로 전자가 이동한다. 순방향 전압이 흐르면 전도띠에 머물던 전자가 p형 반도체에 도달해 양공과 결합하면서 에너지 준위*가 낮은 자리로 이동하는데, 이때 생기는 에너지를 빛의 형태로 방출하게 된다. LED는 바로 이러한 원리를 이용한 것이다. LED는 반도체의 재료로 어떤 화합물을 사용하느냐에 따라, p형 반도체와 n형 반도체 사이의 에너지 준위 차이가 달라지므로 이에 따라 방출하는 빛의 색깔도 달라진다.

LED1920년대에 처음 만들어졌고, 1960년대부터는 전광판이나 계산기 등에 일부 사용되었으나, 에너지 효율 이 낮아 보편화되지는 못하였다. 그러나 2000년대 이후 LED는 획기적인 발전을 거듭하여 빛 에너지 전환 효율이 형광등보다 높아지게 되었다. LED는 전력 소비량이 적고, 필라멘트가 없어 물리적 충격에도 강하며, 수명도 반영구적이다. 광원이 작아 소형화, 박형화, 경량화가 가능하며, 색의 조절이 자유롭고, 눈의 피로가 적으며, 환경 친화적이라는 장점도 갖고 있다. 하지만 광학적으로 선명한 단색광이기 때문에 기존 광원들에 비해 연색지수*가 낮아 자연광과는 차이가 나며, 열에 취약하여 온도가 상승함에 따라 휘도*가 감소하고 색상이 변할 가능성도 있다. 또한 아직은 가격 경쟁력이 낮다는 것도 문제점의 하나이다. 이처럼 LED는 많은 장점이 있는 반면에 적지 않은 단점과 기술적인 한계를 함께 안고 있다. 그러나 백열전구에 비해 소비 전력이 6분의 1에 불과하고, 수명은 10배 이상이나 되는 LED는 현재 안고 있는 문제점을 하나씩 극복해 가면서 앞으로 가장 널리 사용되는 광원이 될 것이다.

 

*전도띠: 원자의 제일 바깥쪽에 해당하는 전자가 차지하는 에너지띠를 원자가띠라고 하는데, 여기에 있던 전자가 열에너지나 전기장으로부터 에너지를 흡수하면 더 높은 에너지띠로 이동하여 들뜬상태가 된다. 이 에너지띠를 전도띠라고 한다.

*준위: 어떤 물리적 양을 이미 주어진 양의 상대적인 양으로 표시한 값.

*연색지수: 인공 광원이 얼마나 햇빛과 비슷하게 물체의 색을 보여 주는가를 나타내는 지수. 연색지수는 100에 가까울수록 자연광에 가까움.

*휘도: 발광체의 표면 밝기를 나타내는 단위. 발광체 또는 빛을 받고 있는 물체를 어떤 방향에서 볼 때 그 방향에 수직한 단위 면적에 대한 광도 (光度)를 말함.

 

04 윗글에서 언급된 내용이 아닌 것은?

LED의 발광 원리

LED의 향후 전망

LED의 탄생 배경

LED가 지닌 장단점

LED가 처음 개발된 시기

 

05 윗글을 바탕으로 <보기>에 대해 이해한 내용으로 적절하지 않은 것은?

 

 

n형 반도체에 있는 자유 전자는 들뜬상태가 되기 쉽다.

+극과 -극을 현재 상태와 같이 연결하면 전류가 지속적으로 흐르게 된다.

n형 반도체와 p형 반도체 사이의 에너지 준위 차이에 따라 빛의 색깔이 결정된다.

전원의 극을 서로 바꾸어 주면 p형 반도체의 양공이 에너지를 받아 전도띠에 머물게 된다.

p형 반도체보다 n형 반도체의 도핑 농도를 높이면 주로 전자가 이동하여 양공과 결합하면서 빛을 낸다.

 

06 윗글을 읽은 독자의 반응으로 적절하지 않은 것은?

LED는 사우나 같은 고온의 환경에서 사용할 경우 휘도가 줄어들 수 있겠군.

같은 물체를 LED 아래에서 볼 때와 태양광 아래에서 볼 때 그 느낌이 다르겠군.

가정에서 사용하는 백열전구를 LED로 모두 교체하면 전기 요금을 줄일 수 있겠군.

LED는 다양한 색깔 표현이 필요한 각종 표시등이나 전광판 등에 사용하면 좋겠군.

LED는 형광등보다 빛 에너지 전환 효율이 낮아 밝은 빛이 필요한 곳에서는 사용이 어렵겠군.

 

도움자료

[2014 EBS 인터넷 수능]

화법과 작문 & 독서와 문법 -A

 

[04~06] 발광 다이오드(LED)

해제 이 글은 발광 다이오드인 LED에 대해 설명한 글이다. 최근 많은 관심을 받고 있는 LED는 발광 다이오드(Light Emitting Diode) 의 약어로 p-n 접합 다이오드의 p형 반도체 부분에 ‘+’극을, n형 반도체 부분에는 ‘-’극을 연결하여 전류가 흐르게 하여 빛을 방출 하도록 한 것이다. 반도체에 어떤 첨가물을 사용하느냐에 따라 다양 한 색의 빛을 낼 수 있다. 백열전구에 비해 소비 전력이 6분의 1에 불과하고, 수명은 10배 이상이나 되는 LED는 아직 많은 문제점을 안고 있지만 앞으로는 이러한 문제점들을 해결하고 가장 널리 사용 되는 광원이 될 것이다.

주제 LED의 원리와 특징

구성

1문단: 발광의 개념과 원리

2문단: p형 반도체와 n형 반도체의 원리

3문단: p-n 접합 다이오드의 발광 원리

4문단: LED의 장단점과 전망

 

04 세부 정보 파악

윗글에서 언급된 내용이 아닌 것은?

중심 화제를 파악하는 문제이다. 지문의 내용을 잘 파악하여 언급된 내용이 아닌 것을 가려낼 수 있어야 한다.

[정답이 정답인 이유]

LED의 탄생 배경

이 글은 LED와 관련된 다양한 정보를 다루고 있지만 LED가 탄생하게 된 배경에 대해 특별히 언급된 내용은 없다.

[오답이 오답인 이유]

LED의 발광 원리

순방향 전압에 의해 p형 반도체에 도달한 전도띠의 전자가 에 너지 준위가 낮은 양공의 자리로 이동하면서 그 에너지를 빛의 형태로 방출하게 되는 것이라는 LED의 발광 원리가 3문단에 제시되어 있다.

LED의 향후 전망

현재 안고 있는 문제점을 하나씩 극복해 가면서 앞으로 가장 널리 사용되는 광원이 될 것이라는 내용의 LED 향후 전망이 4문단에 제시되어 있다.

LED가 지닌 장단점

LED가 지닌 여러 가지 장점과 단점이 4문단에 제시되어 있다.

LED가 처음 개발된 시기

LED1920년대에 처음 만들어졌다는 내용이 4문단에 제시 되어 있다.

 

05 구체적 상황에 적용하기

윗글을 바탕으로 <보기>에 대해 이해한 내용으로 적절하지 않은 것은?

구체적 상황에 적용하는 문제이다. 지문에서 파악한 내용을 <보기>에 제시된 시각 정보를 통해 적절하게 설명할 수 있어야 한다.

[정답이 정답인 이유]

전원의 극을 서로 바꾸어 주면 p형 반도체의 양공이 에너지를 받아 전도띠에 머물게 된다.

들뜬상태가 되어 전도띠로 올라가게 되는 것은 공유 결합에 참 여하지 못한 전자가 원자에 약하게 구속되어 생기는 것이다. 따라서 전원의 극을 서로 바꾸어 주어도 전자가 모자란 상태인 p형 반도체의 양공은 전도띠에 머물 수 없다.

[오답이 오답인 이유]

n형 반도체에 있는 자유 전자는 들뜬상태가 되기 쉽다.

n형 반도체는 공유 결합에 참여하지 못한 전자를 갖게 된다. 이 여분의 전자인 자유 전자는 원자에 약하게 구속되어 쉽게 들뜬상태가 된다.

+극과 -극을 현재 상태와 같이 연결하면 전류가 지속적으로 흐르게 된다.

p-n 접합 다이오드의 p형 반도체 부분에 ‘+’극을, n형 반도 체 부분에는 ‘-’극을 연결한 경우를 순방향 전압이라고 한다. 순방향의 전압이 걸리면 p-n 접합면에 양공과 전자가 공존하는 영역이 생기면서 전자가 양공을 채워 전류가 지속적으로 흐르게 된다.

n형 반도체와 p형 반도체 사이의 에너지 준위 차이에 따라 빛의 색깔이 결정된다.

p형 반도체와 n형 반도체 사이의 에너지 준위 차이가 달라져 방출하는 빛의 색깔이 달라진다고 했으므로, n형 반도체와 p 형 반도체 사이의 에너지 준위 차이에 따라 빛의 색깔이 결정 된다고 할 수 있다.

p형 반도체보다 n형 반도체의 도핑 농도를 높이면 주로 전자가 이동하여 양공과 결합하면서 빛을 낸다.

p형 반도체에 비해 n형 반도체에 더 많은 양의 불순물을 넣으면 전류가 흐를 때 주로 전자가 이동한다. 전자가 p형 반도체에 도달해 양공과 결합하면 에너지 준위가 낮은 자리로 이동하게 되면서 빛이 발생된다.

 

원자가 전자(原子價電子)

한 원자에 전자가 채워질 때에는 에너지 준위가 낮은 오비탈부터 차례로 채워진다. 전자가 에너지 준위가 낮은 오비탈부터 차례로 채워져 있는 바닥상태에서 가장 바깥 껍질에 있는 전자를 원자가 전자라고 한다. 2, 3주기 원소에서 원 자가 전자 수가 1~2개인 원자들은 원자가 전자를 잃고 양 이온이 되려는 경향성을 갖는다. 이러한 경향성을 갖는 원소들을 금속이라고 한다. 또한 원자가 전자 수가 6~7개인 원자들은 전자를 얻어 음이온이 되려는 경향성을 갖는다. 이러한 경향성을 갖는 원자들을 비금속이라고 한다. 원자가 전자 수는 원자 번호의 증가에 따라 규칙적으로 변하며, 원자가 전자 수가 같은 원소들의 화학적 성질은 비슷하다.

 

06 반응의 적절성 평가

윗글을 읽은 독자의 반응으로 적절하지 않은 것은?

독자 반응의 적절성을 평가하는 문제이다. 지문에서 제시된 다양한 정보를 통해 보았을 때 독자의 반응으로 적절한지 평가할 수 있어야 한다.

[정답이 정답인 이유]

LED는 형광등보다 빛 에너지 전환 효율이 낮아 밝은 빛이 필요한 곳에서는 사용이 어렵겠군.

LED는 처음에 에너지 효율이 낮아 보편화되지 못하였으나, 2000년대 이후 획기적인 발전으로 이제는 LED의 빛 에너지 전환 효율이 형광등보다 높아졌다고 했다.

[오답이 오답인 이유]

LED는 사우나 같은 고온의 환경에서 사용할 경우 휘도가 줄어들 수 있겠군.

LED는 열에 취약하여 온도가 상승함에 따라 휘도가 감소하고 색상이 변할 가능성도 있다고 했다.

같은 물체를 LED 아래에서 볼 때와 태양광 아래에서 볼 때 그 느낌이 다르겠군.

LED는 광학적으로 선명한 단색광이기 때문에 기존 광원들에 비해 연색지수가 낮아 자연광과는 차이가 난다고 했다.

가정에서 사용하는 백열전구를 LED로 모두 교체하면 전기 요금을 줄일 수 있겠군.

LED는 백열전구에 비해 소비 전력이 6분의 1에 불과하다고 했다.

LED는 다양한 색깔 표현이 필요한 각종 표시등이나 전광판 등에 사용하면 좋겠군.

LED는 첨가하는 화합물에 따라 다양한 색깔 표현이 가능하다 고 했다.

 

 

다음검색
현재 게시글 추가 기능 열기

댓글

댓글 리스트
맨위로

카페 검색

카페 검색어 입력폼