CAFE

튜닝,DIY Q&A

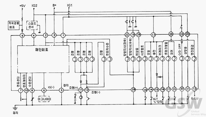
엘란트라 디지털 계기판 회로도가 어떻게 될까요?

작성자이동호|작성시간25.02.12|조회수72 목록 댓글 3

엘란트라 디지털 계기판입니다

인위적으로 12V 전원을 넣어서 테스트를 해볼까 하는데 GSW상으로 전원을 넣으면 작동이 안되네요

혹시 2번째 사진에 빨간색 1번부터 인가요? 아니면 GSW 회로도대로 노란색 1번부터 인가요?

다음검색
현재 게시글 추가 기능 열기

댓글

댓글 리스트
  • 작성자고돌이(박홍근) | 작성시간 25.02.17 gsw상으로 노란색 1번 기준으로 연결하는것이 맞는것 같습니다. 핀은 어떻게 결선하셨을까요..?
  • 답댓글 작성자이동호 작성자 본인 여부 작성자 | 작성시간 25.04.14 GSW상이 맞았습니다
    전원연결에 필요한 선만 연결한상태입니다만
    잘 구동됩니다
    댓글 첨부 이미지 이미지 확대
  • 답댓글 작성자고돌이(박홍근) | 작성시간 25.04.14 이동호 계기판 배선작업이 쉽지 않은 작업인데 성공하셨다니 정말 다행입니다.
    고생 많으셨습니다.
댓글 전체보기
맨위로

카페 검색

카페 검색어 입력폼