계기용변류기 (C.T : CURRENT TRANSFORMER)일반사항
가. 개요
- 계측기에 적당한 전압이나 전류로 변화하여 계측기를 고전압 회로에서 절연한다.
- 측정정확도가 향상된다.
- 사용시에 2차측 회로를 개방 시키면 고전압이 발생되어 위험하게 되며 계기를 소손할 우려가 있다
1. 정의
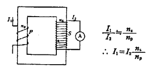
임의의 전류 값에 비례하는 전류 값으로 변성하는 계기용 변성기를 말한다.
|
|
|
계기용 변류기 |
2. 종류
2-1. 절연구조에 따른 분류
1) 건식
절연재료로 종이, 면 등을 절연 와니스에 진공 함침한 것을 사용한 CT, 저전압 옥내용으로 주로 사용한다.
2) Mold형
절연재료로 합성수지 또는 부틸고무 등을 사용하여 권선 또는 전체를 절연한 것으로 저전압 및 6.6KV, 22.9KV에 사용한다.
3) 유입형
절연유를 절연재료로 사용한 것으로 애자형, 탱크형 등으로 고전압(22.9~345KV), 옥외용에 많이 사용한다.
4) 가스형
절연유 대신 SF6 가스를 사용하여 탱크형으로 제작된다 최근 GIS(가스절연)설비용으로 많이 사용되고 있다.
2-2. 권선형태에 따른 분류
1) 권선형
1,2차 권선 모두 하나의 철심에 감겨있는 구조로서 필요에 따라 1차권선의 권수를 2회 이상으로 할 수 있기 때문에 저 전류 특성을 좋게 할 수 있다.
2) 관통형
1차권수가 1회(1차측도체가 변류기 1차권선으로 그대로 쓰이기 때문에 1차권수는 1로 제한된다)인 도체가 Ring형 철심 중심부를 통과, 철심에 2차권선이 균일하게 감겨있는 구조.
3) 부싱형
관통형의 일종으로 부싱내의 도체를 CT의 1차 도체로 사용하고 2차권선이 감긴 Ring형 철심이 변압기나 차단기를 절연하는 부싱을 둘러싸도록 취부 된다.
부싱형 변류기의 철심내경은 일반적으로 크기 때문에 磁路長이 다른 변류기보다 길다. 이것을 보상하기 위해 철심단면적을 크게 하므로 포화하기 어려워 1차전류가 큰 때에도 오차가 적고 저전류 영역에서는 큰 여자전류로 인해 오차가 크게된다.
대전류 영역에서 오차특성이 양호하여 계전기용으로 많이 사용한다.
4) 단일비 CT
한 개의 철심에 1차와 2차 권선이 있어 변류비가 1개뿐인 CT
5) 다중비 CT
변류비가 2개 이상인 것으로 1차권선의 결선을 다르게(직렬 또는 병렬) 하여 변류비를 변경하는 방식, 2차권선에 여러개의 탭을 두어 변류비를 변성하는 방식 등이 있으며, 사용목적에 따라 CT를 별개로 나누어 사용하게 되는데 경제성과 설치장소의 절약을 목적으로 한다.
|
|
|
6) 3차 권선부 CT
|
|
비접지 또는 고저항 접지계통에서 충분한 영상전류를 얻기 위하여 사용하고, 2차 권선에는 정상전류를 3차권선에서는 영상전류를 각각 얻을 수 있다. 따라서 고저항 접지계에서 1차전류가 300A(일본의 경우 400A) 이상인 CT에는 3차권선부로 하는 경우가 많다.(300A를 초과하는 경우에는 지락전류를 제한하기 위해 저항접지방식으로 하기 때문이다) |
2-3. 철심에 따른 분류
1) 단일철심 CT : 철심이 1개인 CT
2) 다중철심 CT
CT 1대 속에 철심이 여러개 있는 형태로 3개의 철심이 있어 3개의 CT 역할을 할 수 있어 경제적이다.

3) 공심 CT:
관통형 변류기의 일종이나 철심이 없는 것이 특징이다. 즉, 상호공심 리액터이다. 철심이 없기 때문에 철심포화에 의한 오차가 없다. 특성은 1차전류에 대하여 2차측에는 전압이 발생되도록 제작되어 있다. 2차측이 개방되어도 적은 전압이 발생되어 안전하다. 이 CT는 주로 모선보호방식에 사용된다.
전압은 1200/5V로 표시된다.
2-4. 검출용도에 따른 분류
1) 정상 CT
정상분을 얻기 위해서는 보통 CT로 한상에 1대의 CT가 필요하고 V결선에서는 2대로 3상전류를 얻을 수 있다.
2) 영상 CT
영상전류만을 간편하게 얻기 위한 CT로 1차권선이 3상 일괄로 통과되고 그 주위에 환상철심을 두어 철심둘레에 2차권선을 균일하게 감아 영상전류를 얻는 방식이다. 변류비는 1차 정격전류와 관계없이 영상전류에 대해서만 표시한다. 일반적으로 200mA/1.5mA

3) 합성 CT
여러 선로의 전력을 종합하여 계량할 목적으로 사용된다.
각 선로마다 계량기를 설치하여 합산하는 것보다는 합성 CT를 사용하여 종합계량기 1대로 계량하는 것이 경제적이다.

4) 보조 CT
오차보상, 소폭의 전류조정, 위상각 변경 등을 위해 사용한다. 보조CT 2차측에서 전류를 증가시키면 주 CT의 부담을 증가시키므로 부득이 사용시는 2차측에서 전류가 감소되도록 위치를 선정하는 것이 좋다.
2-4. 특성에 따른 분류
1) 계측용 CT
평상시 정상부하 상태에서 사용하므로 정격 이내에서 정확해야 하며 사고시에는 포화되어 계측기 및 회로를 보호하는 특성을 구비 하여야 한다.
2) 계전기용 CT
사고시에 응동하여야 하므로 재전류에서 포화되지 않아야 한다.
3) C형 CT
미국 ANSI 규격에서 정한 특성으로 정격의 20배 전류에 포화되지 않고 비오차가 -10% 이내에 유지토록 한 CT.
4) T형 CT
미국 ANSI 규격에서 정한 특성으로 철심의 누설자속이 커서 변류비 영향을 줄 수 있어 계산에 의해서 특성을 구할 수 없고 시험에 의해서만 구할 수 있는 CT.
나. 계기용 변류기의 주요정격
1. 최고전압 및 정격과전류
1-1. 최고전압은 공칭전압보다 한단계 높은 전압으로 하고 있다.
규정된 조건하에서 규격에 정하는 특성을 보증할 수 있는 통상 발생하는 최고의 회로전압으로 명판에 표시된 것을 말한다.
|
공칭전압(KV) |
3.3 |
6.6 |
11 |
22 |
154 |
|
최고전압(KV) |
3.45 |
6.9 |
11.5 |
23 |
161 |
- 변류기 과전류강도 = 열적 과전류강도+ 기계적 과전류강도
일반적으로 40, 75, 150, 300 등이 있어 특성에 맞는 것을 선택 사용한다. - S : 통전시간 t초에 대한 열적 과전류 강도
- Sn : 정격 과전류강도 (kA), t : 통전시간.
- 수전인입회로 및 변압기 회로 : 최대부하전류×125%~150%
(MOF의 경우 오차의 보증한도 내의 범위인 최대부하전류의 70-100%로 한다.) - MOTOR 부하 : 최대부하전류 ×200%~250%
1-2. 정격과전류(과전류강도)
고장전류가 변류기 1차 권선에 흐를 경우 그 변류기의 정격1차 전류 값의 몇 배까지 견딜 수 있는가를 정한 것을 정격과전류라고 하며(CT에 정격부담, 정격주파수 상태로 열적, 기계적, 전기적 손상없이 1초간 흘릴 수 있는 최고 1차전류를 정격1차 전류로 나눈 값),
열적 과전류강도와 기계적 과전류강도를 모두고려하여 변류기의 정격 내전류를 결정한다.
1-2-1. 열적 과전류강도
S = Sn ÷ √t (kA)
1-2-2. 기계적 과전류 강도
정격 과전류강도에 해당하는 1차전류의 2.5배에 상당하는 값으로 한다.
MOF(계기용변성기) 교체 관련 ----- (한국전기안전공사 사용전검사기준)참고용
MOF 및 CT 과전류강도 적용방법(검사 ’20001.6.12)
MOF(계기용변성기)
MOF의 과전류강도는 기기 설치점에서의 단락전류에 의하여 계산 적용하되,
22.9㎸급으로서 60A이하의 MOF 최소과전류강도는 한전규격에 의한 75배로하고,
계산값이 75배이상인 경우는 150배를 적용한다.
다만, 수요자 또는 설계자의 요구에 의하여 MOF 또는 CT 과전류강도를 150배 이상 요구한 경우는 그 값을 적용한다.
※ 기설 계기용변성기에 대한 과전류강도 적용방법
[(검사)740-69(2002.1.5)호 「전기설비기술기준 개정내용 알림」]
o 2001.12.19 산업자원부 고시 제2001-146호에 의거 개정 고시된 전기설비기술기준
부칙 ②의 경과조치 단서조항(계기용변성기에 대하여는 이 고시 시행일로부터 5년이내에
제57조제1항의 규정에 적합하도록 하여야 한다)에 의거 ’97.12.31 이전에 시설된 계기용
변성기의 과전류 강도가 적합하지 않은 경우 2006.12.19 이후 부터는 불합격 처리함
MOF 및 CT의 과전류강도 선정은
- 변류비 5/5A, 10/5A, 15/5A -> 150배 이상
- 변류비 20/5A, 60/5A -> 75배 이상
- 변류비 75/5A 초과 -> 40배 이상
| 22.9kv 계통 단락전류와 이에 필요한 과전류강도 | |||||||||||
|
구분 |
0km |
1km |
3km |
5km |
7km |
10km |
15km |
20km |
25km | ||
|
가 공 전 선 로 |
단락전류(KA) |
대칭분 |
7.8 |
6.3 |
4.5 |
3.5 |
2.9 |
2.2 |
1.6 |
1.3 |
1.1 |
|
최대비대칭 |
13.5 |
9.3 |
5.7 |
4.2 |
3.2 |
2.5 |
1.8 |
1.4 |
1.2 | ||
|
단시간(PP동작) 단락전류에 대한 과전류강도(배수) |
5A |
- |
174 |
130 |
101 |
82 |
66 |
57 |
41 |
35 | |
|
10A |
- |
115 |
79 |
60 |
47 |
38 |
29 |
21 |
17 | ||
|
15A |
- |
98 |
60 |
44 |
38 |
26 |
19 |
15 |
13 | ||
|
20A |
- |
74 |
45 |
33 |
25 |
20 |
14 |
11 |
10 | ||
|
지 중 전 선 로 |
단락전류(KA) |
대칭분 |
7.8 |
7.2 |
6.2 |
5.5 |
4.9 |
4.2 |
3.4 |
2.9 |
2.5 |
|
최대비대칭 |
13.5 |
11.7 |
9.2 |
7.8 |
6.6 |
5.4 |
4.2 |
3.5 |
2.9 | ||
|
단시간(PP동작) 단락전류에 대한 과전류강도(배수) |
5A |
- |
199 |
174 |
155 |
136 |
120 |
101 |
89 |
73 | |
|
10A |
- |
136 |
114 |
100 |
89 |
73 |
59 |
49 |
43 | ||
|
15A |
- |
123 |
97 |
82 |
70 |
57 |
44 |
37 |
31 | ||
|
20A |
- |
93 |
73 |
62 |
52 |
43 |
33 |
28 |
23 | ||
2. 정격전류
2-1. 정격 1차전류
회로의 최대부하전류를 계산하고, 그 값에 여유를 주어서 결정한다.
[표] 변류기의 정격 1차전류와 정격2차전류의 표준값
|
정격1차전류 |
정격2차전류 |
|
0.1 / 0.25 /0.3 / 0.5 / 0.75 / 1 / 1.5 / 2 / 2.5 / 3 / 4 / 5 / 6 / 7.5 / 8 / 10 / 12 / 15 / 20 / 24 / 25 / 30 / 40 / 50 / 60 / 75 / 80 / 100 / 120 / 150 / 200 / 250 / 300 / 400 / 500 / 600 / 750 / 800 / 1000 / 1200 / 1500 / 2000 / 2500 / 3000 / 4000 / 5000 / 6000 / 7500 / 8000 / 10000 / 12000 / 15000 / 20000 |
0.1 |
- CT 2차회로는 항상 정격부담 이하로 폐로 되어야 한다.
- CT 2차회로는 직렬로 접속하기 때문에 부하가 증가하면 임피던스가 증가하여 정격부담 이상이 되면 오차가 발생한다.
- 정격부담을 많이 초과하거나 개방상태가 되면 1차전류는 모두가 여자전류가 되어 자기포화와 철손이 증가되어 소손의 우려가 있다.
- I²× Z = VA
- Z값의 한도를 구한 값이 좌측 계산 값 보다 커야 한다.
- COSθ = 1로 본다.
- r : 케이블 편도저항(Ω),
- VA 1 : 정격부담,
- VA 2 : 2차측 부담
2-2. 정격 2차전류
일반적으로 5A의 것이 많이 사용되며, 디지털용, 원방계측의 것은 0.1~1A의 것이 사용되고 있다.
3. 3차권선
변류기의 정격1차 전류가 300A(일본의 경우 400A)초과의 경우에는 영상전류의 검출을 위해 3권선 C.T 설치.(300A를 초과하는 경우에는 지락전류를 제한하기 위해 저항접지방식으로 하기 때문이다)
4. 정격부담
규정된 조건에서 정해진 특성을 보증(오차범위 유지)할 수 있는 변류기의 권선당 부담을 나타내며, 변류기의 2차단자간에 접속되는 부하가 정격 주파수의 2차전류를 소비하는 피상전력을 말하며,
다음식으로 나타낸다.
- Z값의 한도를 구한 값이 좌측 계산 값 보다 커야 한다.
- COSθ = 1로 본다.
- 정격 2차전류
4-1. 변류기 계급별 정격부담
|
계 급 |
정 격 부 담 | ||||||
|
0.1급 |
2.5 |
5 |
- |
15 |
25 |
- |
- |
|
0.2급 |
- |
5 |
- |
15 |
25 |
- |
- |
|
0.5급 |
- |
- |
- |
15 |
25 |
40 |
100 |
|
1.0급 |
- |
5 |
10 |
15 |
25 |
40 |
100 |
|
3.0급 |
- |
5 |
10 |
15 |
25 |
40 |
100 |
4-2. 변류기 2차 배선시 검토사항
변류기의 정격부담보다 부하사용부담이 클 경우에는 변류기의 오차가 증가하고 과전류 특성도 나빠진다. 따라서 변류기의 부하로 보호계전기가 연결되어 있는 경우 (원방감시 포함)에는 다음의 계산식에 의해 확인 후 제어용 케이블 굵기의 적정여부를 검토하여야 한다.
|
변류기정격부담VA1 |
도체굵기㎟ |
단상 2선식 |
단상 3선식 |
3상 4선식 |
비고 | ||||||||||||
|
|
|
| |||||||||||||||
|
5 |
10 |
15 |
20 |
40 |
5 |
10 |
15 |
20 |
40 |
5 |
10 |
15 |
20 |
40 | |||
|
15 |
3.5 |
40 |
25 |
|
|
|
35 |
|
|
|
|
85 |
50 |
|
|
|
|
|
25 |
3.5 |
80 |
65 |
50 |
25 |
|
80 |
45 |
|
|
|
160 |
135 |
95 |
55 |
| |
|
40 |
3.5 |
135 |
125 |
110 |
90 |
|
150 |
115 |
85 |
35 |
|
275 |
250 |
220 |
185 |
| |
|
100 |
3.5 |
365 |
350 |
340 |
325 |
265 |
410 |
375 |
355 |
330 |
180 |
725 |
700 |
675 |
650 |
530 | |
4-3. 보호계전기 부담 예
- n = I'÷I
- I' : 변성비 오차가 -10%가 될 때의 1차 전류.
- I : 정격1차 전류.
- 과전류정수는 그 값이 가급적 적은 것이 유리하나 일반적으로 건축전기설비에서는 10으로 하면 무리가 없다.
- 변류비 : 1차전류에 대한 2차전류 크기의 비이다.
- 비오차 : 공칭 변류비와 측정 변류비 사이에서 얻어진 백분율 오차로서 아래 식에서 구한다.
- 비오차 = (공칭 변류비-측정 변류비)×100% / 측정 변류비
- 비오차 = (공칭 변류비-측정 변류비)×100% / 측정 변류비
- 비(比) 보증계수(Ratio Correction Factor) : 미국 ANSI 규격에서 정한 비오차 표시방법
- R.C.F = 측정 변류비 / 공칭 변류비
- 포화점(Knee Point) : CT의 1차 권선을 개방하고 2차 권선에 정격주파수의 교류전압을 서서히 증가 시키면서 여자전류를 측정할 때 여자전류가 50% 증가되는 점을 포화점이라 한다.
포화점의 인가점을 포화전압이라 하고, 이것이 충분히 높아야 대전류 영역에서 확실한 보호가 가능하다.
보호방식중 차동계전방식 또는 pilot wire 방식 등에서는 사용한 양단 CT의 포화특성 일치가 매우 중요한 요소가 된다.
|
계전기 명\메이커 |
GEC |
경보 | ||
|
type |
burden |
type |
burden | |
|
50/51 |
MCGG 62 |
0.5 |
GCO-C1 II D3 |
3.7×3(11.1) |
|
51 N |
MCGG 22 |
0.5 |
GCO-C1 II D5 |
16.1×1(16.1) |
|
87 T |
MBCH 12 |
3.2 |
GCR-CD 5 |
5.8×3(17.4) |
|
67 P |
MWTU 01 |
0.05 |
- |
- |
|
67 Q |
MWTU 01 |
0.05 |
- |
- |
4-4. Meter의 부담 예
|
계전기 명\메이커 |
경보 |
LG | ||
|
type |
burden |
type |
burden | |
|
A |
WA - A2 |
1.4 |
- |
- |
|
W |
WA - TW3 |
0.5 |
- |
- |
|
WH |
- |
- |
GF - 72Te |
8.0 |
|
VAR |
WA - TR3 |
0.5 |
- |
- |
|
PF |
WA - UTP3 |
0.5 |
- |
- |
5. 과전류 정수(포화특성)
정격 주파수 정격부담(역율 0.8 뒤짐)으로 정격전류 n배에서 비오차가 -10%를 초과하지 않은 n을 과전류 정수라고 하며, 과전류 특성을 향상시키기 위해서는 철심의 단면적을 크게 한다.
5-1. 과전류정수 적응표(JEC 추천 과전류 정수)
|
보호대상 |
보호방식 |
과 전 류 정 수 |
비고 | |
|
표준 |
특수 | |||
|
발전기 |
|
10 |
20 |
|
|
변압기 |
차동방식 |
10 |
20 |
2권선 |
|
송전선 |
차동방식 |
10 |
20 |
|
|
배전선 |
과전류방식 |
5 |
10 |
|
|
전동기 |
과전류방식 |
10 |
20 |
|
5-2. 정격과전류정수 n 으로 표시하며,n>5 , n>10, n>20 을 표준으로 하고 있다.
6. CT Ratio (비오차)
6-1. 오차계급
변류비 오차 또는 위상각 오차 등에 대하여 계급별로 허용범위를 정한 규정으로 각 나라마다 조금씩 다르게 규정하고 있다.
[표] CT의 오차계급 비교표
|
국별\구분 |
계 전 기 용 |
계 기 용 | ||||
|
계급 |
부담 |
허용오차 |
계급 |
부담 |
허용오차 | |
|
|
C 100 |
B-1(25VA) |
10%(n) |
1.2 |
B-0.5(12.5VA) |
± 1.2% |
|
미국 |
C 10 |
B - 0.1 |
-10% (n) |
1.2 |
- |
± 1,2% |
|
|
5P |
|
5% (n) |
0.1 |
|
0.1% |
|
일본 |
2차용 |
3차용 | ||||
|
1.0 |
- |
-10% (n) |
3G |
- |
± 3% | |
(주)
1) C 100은 계전기의 오차계급으로서 2차 단자에 100A의 전류를 흘렸을 때 단자전압이 100V이고 오차는 -10% 미만이어야 한다. 즉, 100은 2차 단자전압을 의미한다.
2) B-1은 부담을 나타내며 VA = I²·Z = 25 · 임피던스이므로 B-1은 25·1 = 25VA 이다. 여기서 1은 임피던스를 의미한다.
3) 예 B-0.5 = 12.5VA
7. 포화특성
변류기의 자속밀도가 포화(1차과전류)되어 변류기 2차측의 전류가 감소 또는 흐르지 않는 특성. 이러한 현상은 변류기의 2차 부담이 커질수록 심하게 나타난다.
8. 극성
1차전류 방향에 대하여 2차전류의 방향을 나타내는 특성이며 감극성과 가극성 두가지가 있고, 한국에서는 감극성을 표준으로 하고 있다.
표시는 아래 그림과 같이 사각형으로 표시한다. 감극성은 1차전류가 H1측에서 H2 측으로 흐른다고 하면 2차 전류는 X1측에서 부하를 통하여 X2측으로 흐름을 뜻한다. 가극성은 2차측 전류방향이 반대이다.

다. 변류기결선도
1. 사용 CT 선정
1-1. 보호구간
보호용으로 사용되는 CT 선정시 무보호구간이 없고 보호구간이 중첩되도록 그림과 같이 선정하여 사용한다.

1-2. 상일치
차단기용 BCT 사용시에 BCT에 상표시가 되어 있는 경우가 있다. 이때 가능하면 모선측상과 차단기의 상표시를 일치 시키는 것이 좋다. 부득이 일치시키지 못하는 경우에는 상확인을 한 후 사용한다.
1-3. 특성일치
CT의 특성에서 설명한 특성과 계측기 또는 계전기의 요구특성이 일치하도록 한다. 즉, 계전기용 CT와 계기용 CT를 구분하여 사용해야 한다.
2. 극성
2-1. 단독CT 사용시
1차권선의 "+"(H1)측은 차단기측에 연결하는 것이 일반적이다. 중성점에 설치할 때에는 접지(대지)측에 "+" 측이 가도록 결선한다.
2-2. 보호협조
보호협조상 필요시에는 보호방식에 적합하도록 극성을 일치시킨다.
2-3. 2차회로
CT 2차 권선을 Y 결선할 때에는 감극성임을 고려하여 "-"(X2)측을 common 하는 것이 일반적이다. 이때에도 보호협조상 필요시에는 보호방식에 따라 극성을 일치시킨다.
3. 권선별 결선 일반
3-1. 1차권선
CT 1차권선은 측정하고자 하는 선로에 직렬로 결선한다.
3-2. 2차권선
CT 2차 권선에는 계측장치 또는 계전기의 전류 coil을 극성에 따라 직렬로 결선한다. 이때 정격부담을 확인하여 정격부담 이내로 운전한다.
3-3. 다중비 권선
명판에 표시된 변류비를 확인하여 보증된 두 선만을 사용하고 나머지 선은 개방한다.
3-4. 잔류회로
2차회로의 잔류회로는 항상 폐로되어야 한다. 단, 3차권선을 영상회로에 사용시는 2차회로의 잔류회로는 개방해야 한다.
3-5. Cable 선정
2차회로는 외부로부터의 유도장해를 방지하기 위하여 차폐층 양단은 접지망에 접지한다.
3-6. 케이블 포설
포설방법으로는 1차계통과는 직각방향으로, 600V 이상 전력선과는 이격시키고 가능한 한 단거리로 접지망도체와 평행에 가깝게 설치하는 것이 좋다.
3-7. 차폐관
기기단자함에서 Cable duct 까지는 금속관 또는 플랙시블 스틸 파이프를 사용하여 유도방지해야 한다.
4. 결선도
- 6.6㎸ 배전선에서 사용하는 방식이며, 과전류계전기도 2개만 사용되는 경우가 있다. 이 경우 공통회로에는
로 S상 전류 가 흐른다.
- 공통선이 단선되면 IR, IS의 지시 값은 같아지며 크기는 IR값의 √3/2배를 지시한다.
- 가장 일반적인 접속방법으로 잔류회로에는 각상 전류의 벡터합이 흐르는데 영상전류의 3배가 흐르게 된다
- 잔류회로가 단선된 때 지락 사고시에는 영상전류가 CT를 과여자하여 소손되는 경우가 있다.
- 잔류회로에는 회로의 전위를 안정시키기 위한 것으로 CT 2차회로의 접지를 하며 반드시 한 곳만 접지하는 것이 중요하다.
- 계측기로서는 사용되는 일이 적고 변압기 보호회로( 차동계전기) 혹은 단락계전기 등에 사용.
- 계전기류는 결선에 따라 30도 진상, 30도 지상인 전류를 얻을 수 있다.
- 영상전류는 △내에서 순환하고 계전기 전류에는 나타나지 않는다.
- △ 결선에서는 계전기 입력전류는 상전류의 √3배가 되며 위상은 30도 진상
- 2차권선회로에는 잔류회로를 만들지 않았기 때문에 2차회로에는 상전류 - 영상전류인 전류가 흐르고 3차회로에는 영상전류가 흐른다.
- 계통 접지전류 수백A 이하인 고저항 접지 계통에서의 영상전류 검출은에 사용(고저항 접지계통에서는 변류비가 큰 CT를 사용하면 잔류전류를 얻는 방법인 때는 지락 과전류계전기를 동작시킬 만큼의 충분한 전류를 얻을 수 없다)
- 2차 잔류회로에는 3I0 전류가 흐르는데 3차 영상분로에는 I0가 흐른다.
- 1차 : 3차 전류비는 정격1차 전류와 관계없이 100:5 이다.
- 영상분로접속에서 주의해야 할 것은 2차 회로에 접지는 1개소에만 한다.(2차회로에서 2개소 접지에 의한 잔류회로를 만들지 않아야 한다)
|
결선방식 |
결선도 |
특성 및 용도 |
|
V-결선도 |
|
|
|
Y 결선 잔류회로방식 |
|
|
△-결선도 |
|
|
|
3권선CT방식 |
|
|
라. 변류기의 국제규격
- IEC 규격
- 과전류정수
5, 10, 15, 20, 30로 하고 있다. - 허용오차(변류비오차)
5P(5% 이내), 10P(10% 이내) - 오차계급
5P(JEC의 1.0급에 해당) 및 10P(JEC의 3.0급에 해당)으로 2가지가 있다. - 과도특성부 CT
고장발생후 수 사이클 동안 포화하지 않는다.
- 과전류정수
- JEC 규격
- 과전류정수
5, 10, 20, 40로 하고 있다. - 허용오차
통상 1.0급으로 사용하며, 정격부담 ~ 25%부담(역률 0.8에서)에서 정격전류 범위까지의 허용오차를 규정하고 있다. - 오차계급
1.0급 및 3.0급으로 2가지가 있다. - 과도특성부 CT
EHV 계통에서 고장전류중의 직류분에 의한 CT 포화의 방지를 위해 고장발생후 수 사이클 동안 포화하지 않는다.
- 과전류정수
- ANSI 규격(ANSI Relaying Accaracy Class)
- C
균일한 분포권선을 가진 부싱 CT등으로서 누설자속이 변류비에 영향을 거의 주지 않으며 변류비를 계산할 수 있는 CT - T
권선형이며 주설자속이 변류비에 큰 영향을 주며 변류비를 시험에 의해 산출해 낼 수 있는 CT - 2차단자 정격전압
표준 부담하에서 정격 2차전류의 1~20배 전류(5~100A)에서 % 비오차가 10%를 넘지 않으며 그 때의 단자전압을 말한다. - 표준부담
-
, I = 5A
- B-1(1Ω), B-2(2Ω), B-4(4Ω), B-8(8Ω)로 되어 있고
- 역률 0.5 - ANSI 규격은 정격전류 5A 미만의 전류에 대한 규제는 없다.
- C










