Re:5.보호계전기의 동작에 필요한 전류를 얻기 위한 변류기의 각종 접속에 대하여 설명하시오(ct 회로의 표준 결선방식)
작성자강신환작성시간10.03.16조회수4,700 목록 댓글 0CT회로의 표준 결선방식
가, 일반사항
- 극성은 감극성으로 한다.
- 변류기 회로결선 표시방법은 1차측은 전류의 유입측, 2차측은 전류의 유출측으로 극성표시를 한다.
- 변류기 회로의 2차측은 안전을 위하여 반드시 배전반과의 연결부분에서 한 장소에만 접지시킨다.
- 단독변류기의 2차측 접속은 +(H1)측을 차단기에 접속한다.(단, 중성점에 설치되는 단독변류기는 접지측을 +(H1)에 접속한다)
- 부싱변류기의 1차측 결선은 모선과 차단기의 상이 일치되도록 한다.
- 보호계전기용 CT 설치시는 무보호구간이 없도록 중첩하여 설치한다.
- 3상변류기의 접속방식에는 V접속, Y접속 Δ접속, 영상3차권선접속, 영상변류기벚속 그리고 교차접속방식이 있다.
- 변류기의 결선시에는 접속방법 여하에 불구하고 CT 2차(또는 3차)가 개방되는 경우가 발생되지 않도록 하여야 한다.
- 보조CT는 가능한 한 사용을 억제하고 사용하는 경우에는 변류기 2차측 전류가 감소하는 방향으로 결선하여 주변류기의 부담이 감소되도록 한다.
나. 결선방식 세부사항
1. 송배전선용 변류기회로
- 차단기 BCT 또는 단독 CT를 공히 사용할 수 있으나 보호면에서는 BCT를 사용하는 것이 유리하다.
- 345KV 송전선 보호용 CT는 모선(1.5CB 또는 Ring)에서의 345KV 송전선 인출 양측 차단기 각각 설치한다.
- BCT의 경우 : 차단기 외부측(송전선 인출과 반대측)
- 단독 CT 일 경우 : 차단기 외부 또는 내부 - CT 수량은 각 설치점에서 보호전용으로 2철심형을 설치한다.
- #1 (송전선로에서 먼측 CT) : 1계열 보호배전반으로
- #2 (송전선로에서 가까운 CT) : 2계열 보호배전반으로 - 변류기의 결선은 3상 Y 결선으로 하되 송전선로 인출측을 Common한다.
- 차단기의 모선측에 설치함을 원칙으로 하나 단독형(다중철심형) CT 로 모선보호용과 겸용의 (core는 다르더라도) 경우는 선로측에 설치한다.
- 선로보호 전용의 CT를 사용한다.
- 변류기의 결선은 3상 Y 결선으로 하고 송전선로 인출측을 Common한다.
- 방향단락계전기의 변류기 회로 결선시는 각 결선법을 유의하여 결선한다.
- 방향지락계전기의 변류기 회로(CT Y결선 잔류회로, 주변압기 중성선 CT회로, 영상 CT회로) 결선시는 전류극성에 유의한다.
- 보호계전기 변류기 회로는 전용으로 사용한다.
1-1. 345KV 송전선 보호용 변류기 회로
1-2. 154KV 송전선보호용 변류기회로
2. 변압기 보호용 변류기회로
- 효율적인 보호방식 적용을 위해 변압기 각 권선용 중성점에 각각 2철심(2 core)형 단독 CT를 별도로 설치하던지 또는 변압기용 차단기의 BCT(2 coer)를 사용하도록 하고, 가급적 변압기 BCT는 사용하지 않도록 한다.(단, 345 KV 측은 2개 차단기로 연결되므로 양 차단기측에 각각 2철심(2 core)를 설치한다.
- 원칙적으로 변압기용 차단기의 외부측(변압기의 반대측)에 설치하여 2권선 CT 중
- #1 (외부) CT : 주보호(비율차동계전방식)
- #2 (내부) CT : 후비보호 - 154KV 모선구성이 절환모선을 포함하는 경우 절환모선 운전시 변압기 주보호계전기(비율차동계전기)의 오동작을 방지하기 위해서 비율차동계전기용 154KV측 변류기는 변압기 154KV 측 BCT를 사용한다(단, 트립회로는 자동절체되어야 한다)
- 변류기의 결선
- 주보호방식용 변류기결선
- 후비보호방식용 변류기 결선
◇ 변압기 1,2차측 CT는 Y결선하되 변압기측을 Common한다. [단, 3차측(23KV)은 변압기의 반대측을 Common한다.]
◇ 중성점 CT 결선은 극성과 접지에 유의한다. - 원칙적으로 주변압기 각 권선측에 1개씩(1 core) 설치 사용되며 설치위치는 변압기용 차단기의 모선측에 설치한다.
- 주변압기의 각 권선측에 후비보호 또는 과부하 보호방식을 적용하였을 경우의 변류기는 원칙적으로 주보호 방식과 겸용한다.
이 경우의 주보호방식용 CT회로 결선이 Δ 이면 배전반에서 Δ결선한다. - 주변압기 용량이 10MVA 이상으로 154KV 주변압기와 동일한 보호방식을 적용한 경우 변류기 결선은 154KV 주변압기 변류기 회로 결선사항에 준한다.
- 주변압기 용량이 10MVAA 이하로 과전류계전방식만 적용할 경우의 변류기 회로 결선방식
- 변류기 설치위치 : 1차 차단기의 모선측
- 변류기 결선 : Y결선(변압기측 Common)
2-1. 345KV 주변압기(Auto trans) 보호용 변류기회로
2-2. 154KV 변압기보호용 CT 회로
2-3. 66KV 이하 전력용 변압기의 변류기회로
3. 모선보호용 CT회로
- 피보호 모선형태는 1.5CB 방식으로 한다.
- CT의 수량과 설치위치는 각 모선 각 Bay별로 2철심(2 core) CT를 차단기의 모선 반대측에 설치한다.
#1 (차단기측에서 먼측) : 보호모선 1계열에 연결
#2 (차단기에 가까운측) : 모선보호 2계열에 연결 - 변류기 결선 : Y 결선하고 모선측을 Common한다.
- 피보호 모선형태는 2M, 2MIT, 1MIT, 단모선방식으로 한다.
- CT 설치위치 및 수량 : 각 선로별로 1개의 CT를 차단기의 외부측(모선반대측)에 설치한다.
- 변류기의 결선 : Y 결선하고 모선측을 Common 한다.
3-1. 345KV 모선보호용 CT회로
3-2. 154KV 이하 모선보호용 CT회로
다. 결선법
1. Y 결선
Y 결선은 CT회로의 기본결선이다. 그림에서와 같이 각 상마다 CT를 설치하여 한측은 Common하고 다른 한 측에서 정상전류를 얻어 사용한 후 다시 Common하여 잔류회로를 만들어 영상전류까지 얻을 수 있다.

변형된 Y결선으로 양측에서 정상전류를 각각 사용후 잔류회로를 만든 경우이다. 이 때 정격부담에 주의하고 계측용은 극성이 반대이므로 보정해야 한다. 그러나 권장되는 결선은 아니므로 사용하지 않는 것이 좋다.

2. Δ 결선
선전류가 상전류의 √3배가 되고 위상차가 30° 발생하여 특별한 목적외에는 별로 사용되지 않는다.
아래 그림은 Δ 결선으로 30° 진전류법과 30° 지전류법을 각각 표시한다.

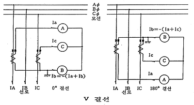
3. V 결선
평형 3상 3선식 회로에서는 2대의 CT로 3상전류를 얻을 수 있는 방법으로 극성에 따라 0° 결선법과 180° 결선법 2가지가 있다.

4. 교차결선
전압보상에 이용되는 LDC회로용 교차결선이다. A상과 C상에 CT를 설치하고 2차극성을 교차하여 합전류 IR을 얻도록된 결선이다.
이때 IR은 Ia에서 Ic를 뺀 전류로 역율이 100% 이면 Vac와 동상이 된다.

5. 화동결선
모선보호방식의 CT 화동결선으로 모선에 연결된 병행선로의 총합전류를 얻기 위해서 각 CT의 2차측을 극성에 따라 병렬결선한 것이다. 이때 변류비와 포화특성 등이 일치해야 한다. 그림은 3상중 1상만 표시한 것이다.

아래 그림은 변형된 화동결선의 예이다. 그림에서 L3와 L4 선로의 CT 변류비는 4000/5이고 L1과 L2는 2000/5A 일 때 최대변류비에서 포화특성이 보자되기 때문에 변류비와 포화특성을 만족시키기 위해서는 변형된 화동결선이 필요하다.

아래의 그림은 1½ CB 방식에서 선로전류를 얻기위한 화동결선이다. 그림에서 #1모선과 #2 모선 사이를 흐르는 전류는 CT를 통하여 환류하고 송전선로로 유출되는 전류만 계전기회로에 IR로 나타난다. 그림은 3상중 A상만 표시한 것이다.

6. 차동결선
아래그림은 병행 2회선 차동결선이다. 그림에서와 같이 A상의 CT 2차회로를 차동결선하면 IR은 I1과 I2의 차전류를 얻을 수 있다. 즉, 평상시 부하상태에서는 CT 2차권선을 환류하는 전류만 있고 계전기전류 IR은 없다. 그러나 한 선로에서 사고가 발생하면 불평형 차전류 IR 이 발생하여 계전기는 감지할 수 있다. 이때에도 두 CT의 특성이 일치해야 한디.

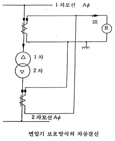
아래 그림은 변압기 보호방식의 차동결선중 A상 한상만 표시한 것이다. 상시 부하전류는 CT 2차를 환류하고 IR은 없다. 그러나 내부사고로 변압기에서 전력소모가 발생하면 차전류 IR 이 발생하여 계전기를 동작시킨다.

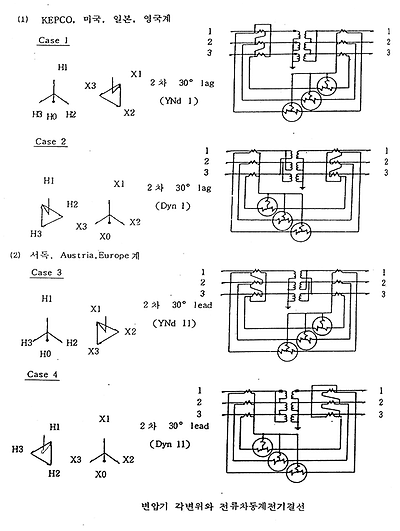
아래그림은 변압기의 각변위와 전류차동계전기의 결선도를 나타낸다.

7. 직병렬 결선
아래 그림은 100/5 CT 2대를 1차 및 2차권선 모두 직렬로 결선한 경우이다. 이때 종합변류비는 100/5 그대로 변하지 않고 포화특성만 개선된다. 여기서 CT 철심이 같은 경우는 다중비 CT가 되어 동철심직렬결선과 같이 종합 변류비는 200/5가 된다.

아래 그림은 CT 두 대를 1차는 직렬, 2차는 병렬로 결선한 경우(종합변류비는 50/5로 변한다)와 100/5 CT 두 대를 1차는 병렬, 2차는 직렬로 결선한 경우이다. 종합변류비는 200/5로 변한다.

아래 그림은 100/5 CT 두 대를 1차 및 2차권선 모두 병렬로 결선한 경우이다. 종합변류비는 100/5 이나 합전류가 표시된다.

8. 영상전류
아래 그림은 3상 CT 잔류회로를 이용한 방법과 3차 권선부 CT에서 얻는 경우이며 Io가 검출된다.

아래 그림은 영상 CT로부터 영상전류를 얻는 경우(3Io가 검출된다)와 중성점 접지개소에 단상 CT 1대를 사용하여 영상전류를 엊는 경우(3Io가 검출된다)이다.

아래 그림은 Auto Trans의 Δ 결선 내부 CT를 이용하는 방법이다. Y 결선 Auto Trans나 Y-Y 결선 변압기에서는 사고의 위치에 따라 중성점 영상전류 방향은 변할 수가 있다. 따라서 이 경우는 중성점 영상전류 보다는 Δ 권선 내부 CT를 병렬 결선하여 방향요소계전기의 전류극성용 영상전류로 사용하여야 한다.
