CAFE

IC 란?

차동증폭기(Differentiall Amplifier)에 대해 알아봅시다.

작성자덤보|작성시간18.02.12|조회수12,368 목록 댓글 2


차동증폭기에 대해 알아봅시다.



차동 증폭기(differential amplifier)는 거의 모든 리니어 IC의 입력단에 사용되는 기본적인 구성회로로 

연산 증폭기와 비교기 IC 등에 사용된답니다.


차동증폭기(Differentiall Amplifier)는 입력된 신호의 차이를 증폭시키는 증폭기를 의미하고, 동상입력(공통모드)과 

차동입력(차동모드)의 2가지 모드로 동작하며, 특히 동상입력(공통모드)은 잡음을 제거하기 위한 회로로 사용되어진답니다.


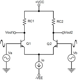
차동증폭기의 기본적인 구조는 2개의 트렌지스터(또는 FET)가 에미터 공통 접속되어 정전류원에 연결되어 있는 회로로, 

2개의 베이스 입력과 2개의 콜렉터 출력, 그리고 2개의 전원으로 구성되어 있답니다.




 

이렇게 구성된 차동증폭기의 출력은 트랜지스터가 에미터 공통 접속으로 연결되어 있으므로, Vin1과 Vin2에 입력되는  

어떤 입력 전압에 의해서든지 영향을 받게 된답니다.

즉, Q1과 Q2의 에미터 전류는 Q1을 흐르는 전류와 Q2를 흐르는 전류의 합으로 항상 일정하여야 하므로 Vout1과 Vout2는 

한쪽의 전압이 높아지면 다른 한쪽의 전압이 낮아지는 차동 동작을 하게 된답니다.


차동증폭기 Vin1과 Vin2에 입력되는 입력신호가 아래 그림과 같이 +Va와 -Vb 정부 전압이 입력되는 것을 차동입력전압

(Differential Input Voltage) 또는 차동입력모드(differential mode:차동모드)라고 하고, Va = Vb의 동일 전압이 입력되는 것을

동상입력전압(Common Mode Input Voltage) 또는 동상입력모드 (common mode, 공통모드)라고 한답니다.



                


차동입력                                                          동상입력


차동증폭기는 신호 입력 방법에 의해 2가지 모드로 동작하게 되는데,

차동 입력 모드 (differential mode, 차동모드)는 입력된 두 신호의 차이에 의해 출력의 크기와 극성이 결정되어 나타나고,

동상 입력 모드 (common mode, 공통모드)는 입력된 동일 신호 2개에 의해 출력의 크기가 동일한 반전된 2개의 출력이

나타나게 된답니다.

여기서 동상 모드 동작에 의한 출력을 중첩시켜 상쇄시키면, 원하지 않는 신호는 제거하고, 원하는 신호만을 출력할 수 있답니다.

이러한 동상모드 출력상태를 중첩, 상쇄하여 외부로부터 유입되는 잡음을 억제하는데 사용되어지므로 차동증폭기는

외부 잡음에 강한 동작특성을 나타내게 된답니다.

이러한 특성은 공통모드 신호를 제거하는 매게변수로 사용되어지고, 차동증폭기의 공통모드 신호 제거 능력을

나타내는 매게변수를 공통모드 제거비(CMRR) 또는 동상모드 제거비라고 한답니다.



이것으로 차동증폭기에 대한 간략하게 알아보았습니다.

보다 자세한 내용은 다음 기회에 하기로 하고.....


다음은 리니어 IC의 대표격인 연산증폭기(Operational Amplifier:OP amp)에 대해 알아보기로 하겠습니다.


다음검색
현재 게시글 추가 기능 열기

댓글

댓글 리스트
  • 작성자임종권 | 작성시간 18.02.15 베이스의 걸리는 전압의 의해 독립적으로 움직이는 거 같지만 에미터가 공통으로 묶여 있어 두개의 티알의 베이스의 걸리는 전압으로 컬렉터에서 에미터로 흐르는 전류의 변화로 그런것 같습니다
  • 작성자Der Techniker | 작성시간 19.03.22 노이즈 제거!!! 바이패스 커패시터처럼 노이즈를 제거하는군요!!!
댓글 전체보기
맨위로

카페 검색

카페 검색어 입력폼