CAFE

일반 자료

트랜지스터 비안정, 단안정, 쌍안정 멀티바이브레이터에 대해 알아봅시다.

작성자덤보|작성시간12.08.13|조회수28,018 목록 댓글 3

트랜지스터 멀티바이브레이터에 대해 알아봅시다.

 

트랜지스터 멀티바이브레이터는 비안정(astable) 멀티바이브레이터, 단안정(monostable 또는 one-shot) 멀티바이브레이터,

쌍안정(bistable) 멀티바이브레이터로 분류되는데 모두 2개의 트랜지스터를 상호 접속한 형식으로 펄스 출력을 만들때

사용한답니다.

 

각각의 멀티바이브레이터에 대해 조금 깊게 알아봅시다.

 

비안정 멀티바이브레이터(Astable Multivibrator)

 

2개의 트랜지스터와 콘덴서를 상호 결합하여 동작시키게 되면, 회로는 트랜지스터가 안정 상태를 유지하지 못하고

상대 트랜지스터와 ON-OFF 상태를 교대로 반복하게 되는데, 이 상태를 비안정 상태라고 하고,

트랜지스터는 교번하는 비안정 상태에 의해 일정한 주기의 펄스를 출력하는 발진동작을 하게 된답니다.

 

트랜지스터 비안정 멀티바이브레이터 회로는 다음과 같이 구성되어진답니다.

 

회로 동작 상태를 살펴보면,

처음 전원이 회로에 공급되면 각각의 트랜지스터에는 연결된 저항과

콘덴서를 통해 전류가 흐르게 된답니다.

(C1 = C2, R2 = R3)

 

각각의 트랜지스터는 전류의 흐름에 의해 동작을 시작하게 되는데,

트랜지스터를 동작시키기 위해서는 트랜지스터의 베이스 전압이

0.6~0.7V가 되어야만 동작이 가능하답니다.

 

회로를 자세히 살펴보면, 각각의 트랜지스터 베이스 전류는 2개

방향에서 유입되는데, 하나는 저항 과 콘덴서를 통하여, 또 다른

하나는 저항을 통해서 트랜지스터의 베이스로 유입된답니다.

 

여기서, 콘덴서를 통과하는 전류는 방전전류이므로 콘덴서 양단

전압은 감소하게 되고 트랜지스터 베이스 전압은 서서히 증가하게

되어 2개의 트랜지스터 중 베이스 전압이 먼저 0.6~0.7V에 도달한 

트랜지스터가 동작을 하게 된답니다.

 

회로도에서 먼저 동작한 트랜지스터가 Q2 라고 한다면, 트랜지스터 Q2 콜렉터는 저항 R4에 의해 풀업(pullup) 되어 있던

공급전압(Vcc)이 0V로 급격하게 떨어지게 되고, 저항 R4와 같이 트랜지스터 Q2 콜렉터에 연결되어 있던 콘덴서 C2 전위도

0V로 급격하게 떨어지게 된답니다.

 

여기서 콘덴서 전위는 콘덴서 특성에 의해 한쪽단자 전압이 급감하면 다른 쪽 단자도 그 감소한 크기만큼 급감하게 되므로

트랜지스터 Q2 콜렉터와 연결된 콘덴서의 반대쪽 단자에는 공급전압 만큼 (-)방향의 전위(-Vcc)가 나타나게 된답니다.

 

따라서 아직 동작하지 않고 있는 트랜지스터 Q1은 콘덴서 C2의 (-)전위에 의해 베이스 전압이 -Vcc가 되어 완전하게

OFF 상태가 되어 버리고 트랜지스터 Q2는 ON 상태를 유지하게 된답니다.

 

트랜지스터 Q1 베이스를 (-)전위로 OFF 시킨 콘덴서 C2는 시간이 지남에 따라 저항 R3에 의해 서서히 충전되는데,

콘덴서의 충전 전위는 연결된 트랜지스터 Q1 베이스 전압을 0.6~0.7V까지 상승시켜 트랜지스터 Q1을 동작시키게 한답니다.

 

트랜지스터 Q1이 동작함으로 저항 R1에 의해 풀업(pullup) 되어 있던 콜렉터 공급전압(Vcc)이 0V로 급감되고, 트랜스터 Q1

콜렉터에 같이 연결되어 있던 콘덴서 C1 전위 역시 0V로 급감하게 된답니다.

결국, 콘덴서 C1 전위 극감은 트랜지스터 Q2 베이스와 연결되어 있는 콘덴서 C1의 전위를 (-)전위로 급감시켜 트랜지스터 Q2를 OFF 상태로 전환시키게 되죠.

 

계속해서 (-)전위를 가진 콘덴서 C1은 풀업되어 있는 저항 R2에 의해 충전이 진행되어 트랜지스터를 TURN-ON 시키기 위한

베이스 전압을 0.6~0.7V까지 상승시키게 되어, Q2가 처음 동작한 상태로 되돌아가게 되어 계속해서 트랜지스터 Q1과 트랜지스터 Q2는 ON-OFF, OFF-ON 동작을 반복적으로 수행하게 된답니다.

 

이렇게 반복적인 트랜지스터의 ON-OFF 동작 상태는 트랜지스터의 콜렉터 측에서 확인할 수 있는데,

콜렉터 측의 반복적인 ON-OFF 스위칭 동작 시간은 RC회로의 방전 시간에 의해 결정된 0.69라는 시간 상수와 저항과 콘덴서 값으로 산출할 수 있답니다.

 

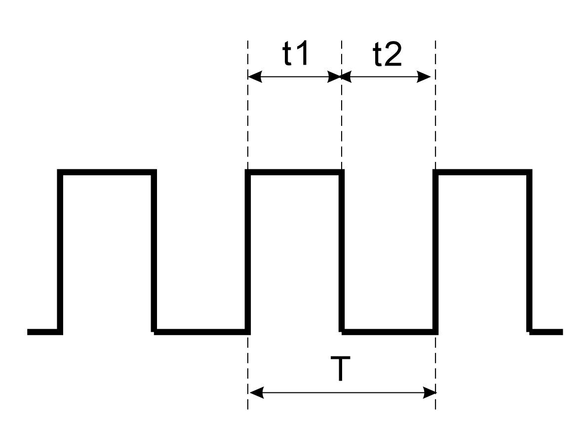
멀티바이브레이터의 스위칭 동작을 표시하면 다음 그림과 같고, 출력 주기와 진동 주파수는 다음과 같이 표시된답니다.

 

멀티바이브레이터 출력 파형

 

출력주기

    T = t1 + t2

         t1 = 0.69C1R3

         t2 = 0.69C2R2

 

진동 주파수

    F = 1/T = 1/1.38RC

 

 

 

 

 

 

단안정 멀티바이브레이터(monostable multivibrator)

 

트랜지스터 단안정 멀티바이브레이터 회로는 다음과 같이 구성되어진답니다.

 

단안정 멀티바이브레이터 회로를 자세히 살펴보면,

비안정 멀티바이브레이터 회로와 똑같은데 한쪽 트랜지스터의

회로구성에서 콘덴서가 사라지고, 저항으로 분할 구성된 것을

알 수 있답니다.

 

이 회로의 동작상태를 살펴보면,

회로에 전원이 공급되고 트랜지스터 Q1이 ON, Q2가 OFF상태가

되었다면, 콘덴서 C1과 R2에 의해 트랜지스터 Q1이 OFF, Q2가

ON 상태로 가겠지만, 트랜지스터 Q1이 OFF, Q2가 ON 상태라면

이 상태를 유지하게 되어 하나의 안정한 상태를 갖는 단안정

(monostable) 회로가 된답니다.

 

단안정 멀티바이브레이터의 안정상태가 시간이 지남에 따라 변하지

않고 안정한 상태를 유지하게 되었을 때, 트랜지스터 Q2의 베이스에

(-) 펄스(트리거 펄스)를 입력하게 되면, 트랜지스터 Q2는 일시적으

로 OFF 상태가 되어 비안정 멀티바이브레이터와 같이 트랜지스터

Q1이 ON 상태, Q2가 OFF 상태로 들어가게 된답니다.

 

이 상태에서 콘덴서 C1은 비안정 멀티바이브레이터와 같은 동작을 하게 되어 C1이 시간이 지남에 따라 R2에 의해 충전되면서

다시 원래의 안정상태로 돌아가서 (-) 펄스(트리거 펄스)가 다시 들어올 때까지 그 상태를 유지하게 된답니다.

 

따라서 입력된 트리거 펄스에 의해 동작된 단안정 멀티바이브레이터는 콘덴서 C1과 R2의 충방전 시간만큼 폭이 확장된 펄스를 출력하게 됩니다.

 

쌍안정 멀티바이브레이터(bistable multivibrator circuit)

 

쌍안정 멀티바이브레이터 회로를 역시 자세히 살펴보면 비안정 멀티바이브레이터 회로와 똑같은데 양쪽 트랜지스터간의

회로구성에서 2개의 콘덴서가 모두사라지고, 저항으로 분할 구성된 것을 알 수 있답니다.

 

쌍안정 멀티바이브레이터는 처음 어느 한쪽의 트랜지스터가

ON 상태가 되면 다른 쪽 트랜지스터는 OFF 상태로 안정 되었다가,

외부 트리거 펄스가 가해지면 먼저 ON 되어 있던 트랜지스터가

OFF가 되고 OFF 되어있던 트랜지스터가 ON 되는 반전 동작을

하게 된답니다.

 

회로동작상태를 살펴 보면,

회로에 전원이 공급되고 트랜지스터 Q1이 먼저 ON된 상태라 하면,

트랜지스터 Q1 콜렉터 전압은 0V로 떨어지게 되는데, 이 콜렉터

전압 강하는 트랜지스터 Q2를 동작시키기 위한 베이스 전압을 0V로

하강시키게 되어 트랜지스터를 동작시키기 위한 베이스전압

0.6~0.7V보다 낮아지므로 트랜지스터 Q2는 OFF 상태가 된답니다.

 

OFF된 트랜지스터 Q2의 콜렉터에는 공급전압과 같은 전압이 분압

저항 R4를 거쳐 트랜지스터 Q1의 베이스에 공급되게 되므로

트랜지스터 Q1은 TURN-ON 되어 안정상태로 변하게 되죠.

 

이 상태에서 트랜지스터 Q1의 베이스에 (-) 펄스(트리거 펄스)를 입력하게 되면, 트랜지스터 Q1은 일시적으로 OFF 상태가

되고, 트랜지스터 Q1 콜렉터 전압은 공급전압과 같은 수준으로 상승하게 된답니다.

상승된 콜렉터 전압은 분압저항 R3를 거쳐 트랜지스터 Q2 베이스에 공급되어져 트랜지스터 Q2를 TURN-ON 시키게 되는데,

이때 트랜지스터 Q2의 콜렉터 전압이 0V로 하강하게 되므로 Q1은 OFF 상태를 계속 유지하게 된답니다.

 

반대로 트랜지스터 Q2의 베이스에 (-) 펄스(트리거 펄스)를 입력하게 되면, 트랜지스터 Q2은 일시적으로 OFF 상태가 되므로

트랜지스터 Q2 콜렉터 전압은 공급전압과 같은 수준으로 상승하게 되죠.

상승된 콜렉터 전압은 분압저항 R4를 거쳐 트랜지스터 Q1의 베이스에 공급되어져 트랜지스터 Q1을 TURN-ON 시켜,

처음 트랜지스터 Q1에 트리거 펄스가 입력되기 이전의 동작 상태로 돌아가게 한답니다.

 

이렇듯 트리거 펄스에 의해 동작 상태가 반전되는 회로를 쌍안정 멀티바이브레이터라고 하고, 처음 트리거 펄스에 의해

동작하는 것을 SET, 원래의 상태로 복귀하는 것을 RESET 상태라고 한답니다.

 

이와 같이 SET, RESET 동작에 의해 안정상태가 반전 동작을 하는 회로를 플립플롭(Flip-Flop)이라고 하는데,

트랜지스터 회로보다는 디지털 회로에서 많이 사용되어지고 있고요, 데이터 정보(0 또는 1)를 기억하는 최소단위의 회로로

사용되어진답니다.

 

조금 어렵죠..

하지만 많은 도움되시길 바랍니다...

 

 

 

다음검색
현재 게시글 추가 기능 열기

댓글

댓글 리스트
  • 작성자은별이 | 작성시간 12.09.12 어렵지만..... 이제까지 바이브레이터에 대해서 찾고 다녔었는데 가장 좋은 설명이었습니다. 감사드려요.
  • 답댓글 작성자덤보 작성자 본인 여부 작성자 | 작성시간 12.09.13 조금 어렵죠?.. 하지만 도움이 되신것 같으니 기쁘네요...
    앞으로도 많은 관심과 조언 부탁드립니다... 감사합니다...
  • 작성자Der Techniker | 작성시간 19.03.13 트랜지스터들을 조합해서 IC칩들로 발전한 것이 아닌가 하는 생각이 들었습니다.

    좋은 자료 감사드립니다.
댓글 전체보기
맨위로

카페 검색

카페 검색어 입력폼