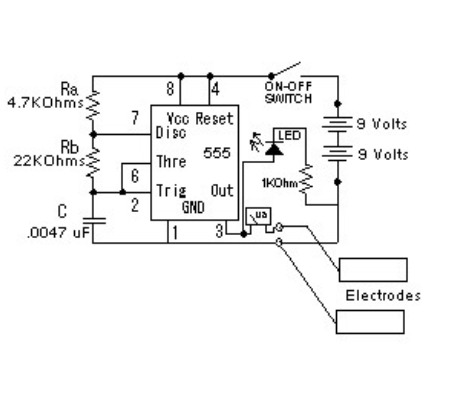
회로 기호 뜻? 작성자순리대로|작성시간13.05.25|조회수655 목록 댓글 0 글자크기 작게가 글자크기 크게가 위 회로도에서 우측하단에 ua 는 무엇을 나타내는지요, 부품은 ?/ 그리고 브레드보드에 배치 도면을 알려주세요. 회로공부하는 중년의 초보자임니다. 다음검색 현재 게시글 추가 기능 열기 북마크 공유하기 신고 센터로 신고 댓글 댓글 0 댓글쓰기 답글쓰기 댓글 리스트