커다란 디지털시계를 만들어 보았습니다.
PIC16F628A를 사용하여 커다란 디지털시계를 만들어 보았습니다.
회로 구성은 디스플레이부와 제어부, 정전을 대비한 전원 백업부 등으로 구성했습니다.
커다란 디스플레이를 사용하기 위해 공급전원은 12Vdc를 사용했답니다.
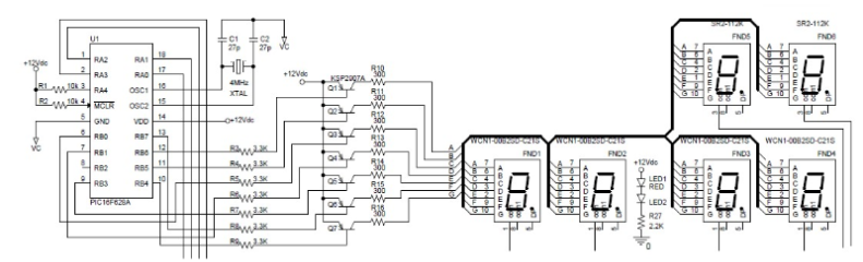
회로도
자세한 회로도, 부품 배치도, 패턴도, 소스코드, 시간 설정방법은 여기를 클릭하세요
https://cafe.daum.net/funny-circuit/M2lg/141
부품을 준비해 봅시다.
| 품명 | 형명 | 적용 | 수량 | 비고 |
| 밧데리 | Li-ion, 3.7V | Batt | 1 | 400mA 이상 |
| 콘덴서 | 27p | C1,C2 | 2 | 세라믹 |
| 콘덴서 | 100uF | C3 | 1 | 전해 |
| 콘덴서 | 10uF | C4,C5,C7,C8 | 4 | 전해 |
| 콘덴서 | 0.1uf | C6 | 1 | 모노리틱 |
| 다이오드 | 1N4148 | D1,D2 | 2 | |
| 다이오드 | 1N4007 | D3,D4 | 2 | |
| 다이오드 | 1N5819 | D6 | 1 | |
| FND | WCN1-00B2SD-C21S | FND1,FND4 | 4 | |
| FND | SR2-112K | FND5,FND6 | 2 | |
| 커넥터 | DC Power Jack | J1 | 1 | Adapter Jack |
| 커넥터 | 5268-3 | J2 | 1 | |
| 커넥터 | 5264-3 | J3 | 1 | |
| 커넥터 터미널 | 5264BPT | J3 | 2 | |
| 커넥터 | 5264-2 | J4 | 1 | |
| LED | RED, 5mm | LED1,LED2 | 2 | WCNLB1475-SR22 |
| 트랜지스터 | KSP2907A | Q1~Q7 | 7 | |
| 저항 | 10k | R1,R2,R25 | 3 | |
| 저항 | 3.3K | R3~R9 | 7 | |
| 저항 | 300Ω | R10~R16 | 7 | |
| 저항 | 1.5k | R26 | 1 | |
| 저항 | 2.2K | R27 | 1 | |
| 저항 | 82K | R29,R30 | 2 | |
| 저항 | 4.7Ω | R31 | 1 | |
| 보조기판 | li-ion charger pcb | SUB_PCB1 | 1 | |
| 스위치 | Tact SW | SW1 | 1 | |
| 스위치 | Tact SW | SW2 | 1 | |
| 스위치 | SLIDE SW | SW3 | 1 | |
| IC | PIC16F628A | U1 | 1 | |
| IC | CD4051B | U2 | 1 | |
| IC | ULN2003A | U3 | 1 | |
| IC | MC7905CT | U7 | 1 | 1A 이상 |
| 발진기 | 4MHz_ATS-49/U | XTAL | 1 | |
| 패턴 와이어 | 단선 | 패턴용 | 필요량 | 0.3mm 이상 |
| 전선 | 연선 | 배선용 | 필요량 | AWG24~26 |
| PCB | 만능 PCB | 28x110 |
부품이 준비되었으면 만들어 봅시다.
부품 배치도와 패턴도
완성품
완성이 되었으면 시계 조정과 백업 밧데리 동작등을 살펴봅시다.
1. 백업 밧데리를 J2 커넥터에 연결합니다.
2. 커넥터 J1에 12Vdc 어뎁터의 DC 플러그를 삽입하고, 전원 스위치 SW3를 눌러 전원을 켭니다.
3. 시계 전면의 숫자판에 12:00.00 이 표시되고, 후면의 밧데리 충전 PCB의 충전 램프(보통 적색 led)가 켜졌는지 확인합니다.
4. 시계 후면에 위치한 스위치 SW1를 눌러 시 단위를 맞추고, 스위치 SW3를 눌러 분 단위를 맞춥니다.
5. 시계의 백업 밧데리가 조금 충전 될 수 있도록 5~10 분정도 기다려 준 다음 전원 스위치 SW3를 끈 다음 5분 정도 기다려 줍니다.(정전 시험)
6. 전원 스위치를 다시 켠 다음 시계가 처음에 조정한 상태에서 5분 정도 지난 시간을 표시하면 백업 밧데리가 정상적으로 동작하는 것을 보여 줍니다.
7. 시간이 많이 지난 후, 시계 후면의 밧데리 충전 pcb에 충전 완료 램프(보통 파랑색 led)가 켜졌는지 확인합니다.
8. 정밀한 시간 설정은 첨부된 시간 설정 방법 절차를 따릅니다.
동작