CAFE

공작실

CD4013을 이용한 Push ON-OFF 스위치를 만들어 봅시다.

작성자덤보|작성시간12.09.08|조회수4,031 목록 댓글 19

CD 4013을 이용한 Push ON-OFF 스위치를 만들어 봅시다.

 

누름 스위치(Push SW) 1개로 회로를 ON-OFF 시키는 Push ON-OFF Switch를 만들어 봅시다.

 

D-Flipflop IC CD4013 또는 MC14013을 사용하여, 누름 스위치(Push SW)를 누르면 ON, 다시 누르면 OFF 되는 스위치 회로랍니다.

전자회로가 사용된 가전제품이나 산업용 기기등에 광범위하게 사용되는 스위치 회로라고 생각해도 된답니다.

 

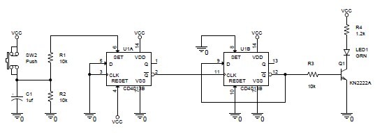
회로도

이 회로의 동작을 살펴보면,

누름스위치를 누르면 IC4013의 1번째 D-Flipflop의 Set에 “high" 신호가 입력되고, 출력 Q에서 클럭 펄스 1개가 출력되어

2번째 D-Flipflop의 클럭 신호로 입력되어 2번째 D-Flipflop의 출력 Q를 ”High" 상태로 동작시키게 된답니다.

 

다시 한번 누름스위치를 누르면 1번째 D-Flipflop에서 펄스 1개가 또 발생하게 되고, 이 펄스에 의해 2번째 D-Flipflop 출력 Q가 ”Low" 상태가 된답니다.

Push ON-OFF Switch는 D-Flipflop의 출력 Q가 “High", "Low" 신호를 출력하게 되는 상태를 이용한 회로랍니다.

 

D-Flipflop를 동작시키기 위해서는 반드시 클럭 입력이 필요하지만, 여기서는 Set 단자를 이용해(또는 Reset 단자를 이용해도 된답니다.) 1번째 D-Flipflop를 단위 클럭 펄스를 발생시키는 회로로 사용하였답니다.

 

전자회로를 구동시키기 위한 스위치로 사용하기 위해서는 트랜지스터나 별도의 드라이브 회로를 구성해야 한답니다.

 

자세한 회로도, 부품 목록, 부품 배치도, 패턴도는 여기를 클릭하세요

https://cafe.daum.net/funny-circuit/M2lg/21

 

부품을 준비해 봅시다.

품명형명적용수량비고
콘덴서1ufC11
콘덴서0.1uFC21
콘넥터5268-3J11또는 동등품
LEDGRNLED11
트랜지스터KN2222AQ11
저항10kR1,R2,R33
저항1.2kR41
스위치TackSW21
스위치SW SLIDE-DPDTSW31
ICCD4013BU11
패턴 와이어단선패턴용필요량0.3mm, 주석도금,
전선연선배선용필요량AWG24~26
PCB만능 PCB

 

부품이 준비되었으면 만들어 봅시다.

부품 배치도

 

패턴도

완성품

동작을 시켜 봅시다.

 

다음에는 손가락을 전극에 대기만해도 스위치가 ON-OFF 되는 터치 스위치를 만들어 볼꼐요...

다음검색
현재 게시글 추가 기능 열기

댓글

댓글 리스트
  • 해당 댓글은 작성자와 운영진만 볼 수 있습니다.
  • 해당 댓글은 작성자와 운영진만 볼 수 있습니다.
  • 해당 댓글은 작성자와 운영진만 볼 수 있습니다.
  • 해당 댓글은 작성자와 운영진만 볼 수 있습니다.
  • 해당 댓글은 작성자와 운영진만 볼 수 있습니다.
댓글 전체보기
맨위로

카페 검색

카페 검색어 입력폼