CAFE

공작실

단 단위 7 세그먼트 계수기(1 digit up counter)를 만들어 봅시다

작성자덤보|작성시간12.11.09|조회수1,269 목록 댓글 3

단 단위 7 세그먼트 계수기(1 digit up counter)를 만들어 봅시다

 

7 세그먼트를 사용하여 숫자를 표시하는 계수기 회로랍니다.

푸쉬 스위치를 누르게 되면 스위치를 누른 횟 수 만큼 7 세그먼트에 해당하는 숫자가 표시되는 회로이지요..

세그먼트의 표시는 단 단위이기 때문에 0~9까지의 숫자가 표시된답니다.

 

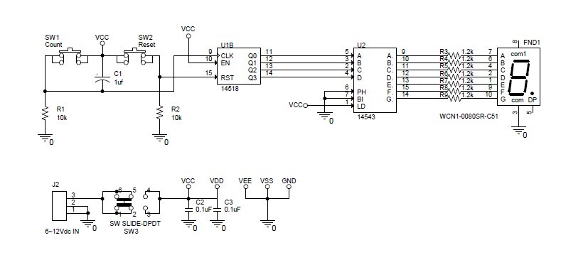
회로도

회로동작을 살펴보면

푸쉬 스위치를 눌렀다 놓으면 하나의 클럭신호가 발생하게 되는데, 이 신호가 IC MC14518의 클럭 입력단자에 입력되게 된답니다.

 

IC MC14518은 1개의 클럭입력을 4개의 출력으로 변환하여 출력하게 되고, 이 출력이 다시 IC MC4543b의 입력단에 입력되어 IC MC14543의 내부회로에 변환되어 7개의 출력을 발생시켜 7 세그먼트를 구동시키게 된답니다.

이렇게 7 세그먼트를 구동시키는 IC를 통상 BCD to Seven Segment Latch/Decoder 라고 하지요...

 

또 푸쉬 스위치의 경우 디스플레이를 초기화, 즉 “0”으로 되돌리기 위한 리셋 스위치와 숫자를 세기위한 신호입력을 위한 카운터 스위치로 구성되어 있고요..

 

카운터 스위치는 스위치 접점에 의한 채터링을 방지하기 위해 1uF의 콘덴서를 스위치와 병렬로 연결하였답니다.

 

본 회로는 5~12Vdc로 구동되도록 설계되어 있는데, 만약 7 세그먼트 디스플레이의 밝기가 너무 밝거나 또는 흐린 경우 드라이브 저항값을 바꾸어야 한답니다....(저항값은 “LED/발광다이오드를 켜봅시다”를 참조하세요...)

 

 

부자세한 회로도, 부품 목록, 부품 배치도, 패턴도는 여기를 클릭하세요

https://cafe.daum.net/funny-circuit/M2lg/27

 

 

부품을 준비해 봅시다.

품명형명적용수량비고
콘덴서1ufC11전해
콘덴서0.1uFC2,C32모노리틱
FNDWCN1-0080SR-C51FND11또는 동등품
콘덴서5268-3J21
저항10kR1,R22
저항1.2kR3~R97
스위치TackSW1,SW22
스위치SW SLIDE-DPDTSW31
IC14518U11
IC14543U21
패턴 와이어단선패턴용필요량0.3mm, 주석도금,
전선연선배선용필요량AWG24~26
PCB만능 PCB

 

 

부품이 준비되었으면 만들어 봅시다.

부품 배치도

 

패턴도

완성품

 

 

동작을 시켜 봅시다.

 

다음검색
현재 게시글 추가 기능 열기

댓글

댓글 리스트
  • 작성자안수호 | 작성시간 13.08.09
    까페장님. 회로구성하고 제작해 보았는데.. 콘덴서때문인지 카운터 5에서 멈추고 가끔 9까지 올라갑니다. 그리고 숫자 4까지만 나오게 하려면 어똫게 하나요?? 예를들자면 0,1,2,3,4, 다시 1,2,3,4, 다시 1,2,3,4..요렇게...는 어렵죠....
  • 답댓글 작성자덤보 작성자 본인 여부 작성자 | 작성시간 13.08.09 제작하신 회로에서 콘덴서가 이상한 듯하면 콘덴서를 제거하시고 다시한번 시험을 해보시기 바랍니다..
    그리고, 전해 콘덴서는 반드시 극성을 점검하셔야 하는데, 회로상의 공급전압 VCC 또는 +5V라 표시되어 있는 부분을 전해 콘덴서의 "+" 극성을 연결하셔야 한답니다.
    그리고 카운터를 0,1,2,3,4까지 카운트하게 만드는 것은 의외로 쉽답니다...
    한가지 부탁하고 싶은 것은 "BCD"라는 용어를 먼저 공부하셔서 이해의 폭을 넓혀주시면 더욱 쉽게 회로를 이해 하실수 있답니다...
    이러한 "BCD" 출력을 이용해서 카운터 범위를 조정할 수 있답니다....
    조만간 회로를 올려드리지요...ㅎㅎ
  • 작성자안수호 | 작성시간 13.08.12 오~ 감사합니다.^^ 휴가기간에 이것 저것 건드려보다가 콘덴서를 세라믹으로 바꿔서 해결했습니다. ^^; 더 낮은놈으로요..^^;; 덤보님 말대로 BCD라는 용어를 먼저 공부하고 있을께요~ ^^ 덤보님~ 지금 위에 있는회로도에 간단하게 추가 할 수 있는 회로도 꼭 부탁드리겠습니다.~ ^^;; 그럼 오늘도 좋은 하루 되세요~
댓글 전체보기
맨위로

카페 검색

카페 검색어 입력폼