CAFE

공작실

10 단위 7 세그먼트 계수기(2 digit up counter)를 만들어 봅시다

작성자덤보|작성시간12.11.18|조회수3,818 목록 댓글 35

10 단위 7 세그먼트 계수기(2 digit up counter)를 만들어 봅시다

 

7 세그먼트를 사용하여 0~99 까지 숫자를 표시하는 계수기 회로랍니다.

 

기본 동작은 1 digit up counter 와 동일한데, 1 digit up counter를 하나 더 추가하여 10 단위를 표시하게 한답니다.

푸쉬 스위치를 누르게 되면 스위치를 누른 횟수 만큼 7 세그먼트에 해당하는 숫자가 표시되는 회로로 세그먼트 표시는 10 단위이기 때문에 0~99까지의 숫자가 표시된답니다.

 

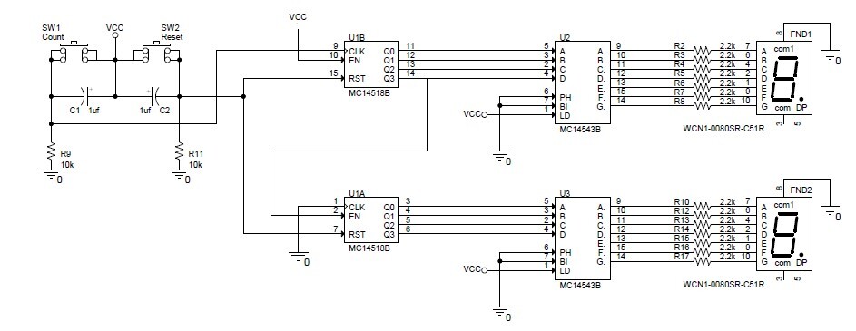
회로도

회로 동작을 살펴보면 푸쉬 스위치를 눌렀다 놓으면 하나의 클럭 신호가 발생하게 되는데, 이 신호가 MC14518의 클럭 입력단자에 입력되게 된답니다.

 

IC MC14518은 1개의 클럭 입력을 4개의 특수한 클럭으로 변환하여 출력하게 되고, 이 출력이 다시 MC4543b의 입력단에 입력되어 IC MC14543의 내부회로에 변환되어 7개의 출력을 발생시켜 7 세그먼트를 구동시키게 된답니다.

이렇게 하나의 클럭을 4개의 특수한 클럭으로 변환하는 IC를 BCD(binary coded decimal(2진화 10진법)) counter라고 하고, 7 세그먼트를 구동시키는 IC를 통상 BCD to Seven Segment Latch/Decoder 라고 하지요...

 

또 푸쉬 스위치의 경우 디스플레이를 초기화, 즉 “0”으로 되돌리기 위한 리셋 스위치와 숫자를 세기 위한 카운터 스위치로 구성되어 있고요..

 

카운터 스위치는 스위치 접점에 의한 채터링을 방지하기 위해 1uF의 콘덴서를 스위치와 병렬로 연결하였답니다.

 

본 회로는 C-mos IC를 사용하여 5~12Vdc로 구동되도록 설계되어 있는데, 만약 7 세그먼트 디스플레이의 밝기가 너무 밝거나 또는 흐린 경우 드라이브 저항값을 바꾸어야 한답니다....(저항값은 “LED/발광다이오드를 켜봅시다”를 참조하세요...)

 

자세한 회로도, 부품 목록, 부품 배치도, 패턴도는 여기를 클릭하세요

https://cafe.daum.net/funny-circuit/M2lg/28

 

 

부품을 준비해 봅시다.

품명형명적용수량비고
콘덴서1ufC1,C22전해
콘덴서0.1uFC3,C4,C5,C64모노리틱
FNDWCN1-0080SR-C51RFND1,FND22
콘넥터5268-3J11
저항2.2kR2~R1714
저항10kR9,R112
스위치TackSW1,SW22
스위치SW SLIDE-DPDTSW31
ICMC14518BU11
ICMC14543BU2,U32
패턴 와이어단선패턴용필요량0.3mm, 주석도금,
전선연선배선용필요량AWG24~26
PCB만능 PCB

 

 

부품이 준비되었으면 만들어 봅시다.

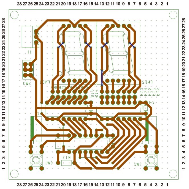
부품 배치도

 

패턴도

참고 : 청색 패턴은 점퍼(부품을 삽입하기 전에 먼저 부품 밑으로 패턴을 만들어도 됩니다.)

 

 

완성품

 

 

동작을 시켜 봅시다.

 

다음검색
현재 게시글 추가 기능 열기

댓글

댓글 리스트
  • 답댓글 작성자덤보 작성자 본인 여부 작성자 | 작성시간 20.11.12 안녕하세요..^^
    회로를 구성하는데 동작을 하지 않으면 참 속상하지요..
    일단, 모든 부품과 회로가 정상적으로 연결되어있는지 확인하십시요.
    스위치는 푸쉬 버튼(스위치가 누름상태가 유지되면 안됨), ic는 c-mos(74hc 타입 C-mos는 공급전원이 5Vdc로 제한됨)를 사용했는지?
    그리고, mc14518b와 mc14543B의 datasheet를 확보하셔서 핀맵과 동작특성을 이해하시기 바랍니다.

    저항 12kohm은 mc14518의 클럭 입력단의 플로팅을 제거하기 위한 풀다운 저항으로,
    반드시 연결되야 하고, 스위치 on-off 동작시 low-->high-->low의 1개 클럭을 발생시키기 위한 것이랍니다.

    회로도를 보면 IC에 공급되는 전원 VCC(VDD) 또는 VSS(VEE, GND)이 표시되지 않고, 연결되어 있지도 않는데, 이는 공급 전원을 공통으로 사용하기 때문에 회로도에서 연결을 생략하기 때문이랍니다.
    그래서 ic 데이터 시트를 참고하라고 하는 것이고, mc14513b, 14543B의 경우 공급 전원 Vdd는 16핀, Vss(gnd)는 8핀을 사용하므로 회로를 구성할 때는 회로도에 표시가 없거나 연결이 안되어 있어도
  • 답댓글 작성자덤보 작성자 본인 여부 작성자 | 작성시간 20.11.12
    반드시 연결하여 회로를 구성해 주어야 한답니다.

    회로도를 보면 MC1453b, 14543B의 VDD와 VCC는 VCC로 모두 연결이 되어 있는데, GND를 표시하는 VSS, VEE, GND는 블록에 표시도 없고, 연결된 내용도 없답니다.
    데이터 시트를 참고하셔서 GND가 서로 연결되어있는지 확인하시기 바랍니다.

    아마도 이런 연유로 IC의 GND가 연결되지않아 회로가 동작하지 않을 수 도 있겠네요..
    도움이 되셨으면 좋겠네요...^^
  • 답댓글 작성자코인좋아 | 작성시간 20.11.16 친절한 답변 감사합니다!! 덤보님이 조언해주신 방법으로 회로를 재구성해보니 문제가 해결되었습니다! 저희가 정확히 할려는 것은 덤보님의 회로도를 이용하여 25까지만 출력되는 segment를 만드는것입니다. 그래서 기본적으로 pspice를 통해 덤보님의 회로도를 조금 수정할려 하는데 문제가 발생하였습니다. 제 pcpice 기본 라이브러리에는 sw_push 소자라던지 mc14518소자라던지 라이브러리에 존재하지않는것을 발견했습니다. 혹시 이 라이브러리들을 어디서 구하셨는지 질문드려도 될까요??
    또한 회로에서 커패시터들을 사용하신 이유는 무엇인지 궁금한데 이것또한 질문드리겟습니다 ㅠ
  • 답댓글 작성자덤보 작성자 본인 여부 작성자 | 작성시간 20.11.18 문제가 해결되었다니, 잘되었습니다.
    우선 pspice 라이브러리에서 c-mos ic는, 제조사 이름과 다르게 CDxxxx로 형명 앞에 cd를 입력해야 한답니다.
    예를 들어, MC14518B는 예전 모토로라(현 Onsemi)에서 생산된 형명으로 MC1xxxx로 표기되어있는데, 이는 CD4518B와 동일한 형명이랍니다.
    따라서 pspice 라이브러리에서는 CD4518B를 입력해야 시물레이션 가능한 라이브러리가 나타나게 된답니다.
    그리고 푸쉬 스위치는 "Sw_tClose"와 "Sw_tOpen" 을 사용하여 시간을 조정해 구성하면 시뮬레이션이 가능하답니다.
    - 하단 스위치 연결 그림 추가(0,1초 동안 푸쉬 스위칭 모습)
    댓글 첨부 이미지 이미지 확대
  • 답댓글 작성자덤보 작성자 본인 여부 작성자 | 작성시간 20.11.18 회로에 사용된 각각의 커패시터는 용도는 다음과 같답니다.

    ic 전원 선과 연결된 커패시터는 전원 바이패스용이고,
    카운트 스위치와 연결된 커패시터는 채터링 억제를 위한 것이고,
    리셋 스위치와 연결된 커패시터는 전원 투입시 자동으로 리셋 신호를 발생하기 위함입니다.

    물론 두 스위치 모두 같은 회로로, 전원을 투입하면 모두 리셋 신호가 만들어지지만 저항값에 의해 리셋 시간이 달라지게 되므로 카운트 스위치에서 만들어진 리셋 신호는 ic에 입력되어도 ic가 리셋 상태를 유지하고 있으므로 무시되어 카운트 신호로 사용되지 못합니다.
댓글 전체보기
맨위로

카페 검색

카페 검색어 입력폼