CAFE

공작실

100 단위 7 세그먼트 계수기(3 digit up counter)_3 를 만들어 봅시다.

작성자덤보|작성시간12.11.25|조회수2,725 목록 댓글 4

100 단위 7 세그먼트 계수기(3 digit up counter)_3 를 만들어 봅시다

 

7 세그먼트를 사용하여 0~999 까지 숫자를 표시하는 계수기 회로랍니다.

 

100 단위 계수기는 1 digit up counter 와 2 digit up counter에서 사용되었던 BDC 카운터를 사용하지 않고, 기능이 조금더 많은 다른 카운터 IC를 사용하여 회로를 구성하였답니다.

 

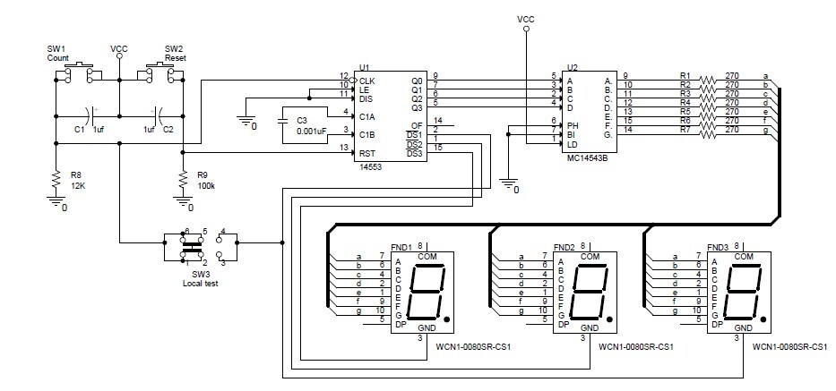
IC MC14553와 IC MC4543, Cathode Common 7 Segment 를 사용하여 부품수를 최소화한 3 digit up counter 회로랍니다.

이 회로에 7 segment는 1 digit cathode common을 사용하였답니다.(3 digit cathode common을 사용해도 됩니다.)

 

회로의 동작은 역시 1 digit up counter와 같이 푸쉬 스위치를 누르게 되면 스위치를 누른 횟 수 만큼 7 세그먼트에 해당하는 숫자가 표시되는 회로로 세그먼트 표시가 100 단위이기 때문에 0~999 까지의 숫자가 표시된답니다.

 

회로도

 

회로 동작을 살펴보면 누름 스위치(SW1)를 눌렀다 놓으면 하나의 클럭 신호가 발생하게 되는데, 이 신호가 IC MC14553의 클럭 입력단자(U1 Pin12)에 입력되게 된답니다.

 

IC MC14553은 1개의 클럭 입력을 4개의 특수한 클럭으로 변환하여 출력하게 되고, 이 출력이 다시 IC MC4543b(U2)의 입력단에 입력되어 IC MC14543의 내부회로에서 변환되어 7개의 출력을 발생시켜 7 세그먼트를 구동시키게 된답니다.

 

통상 1개의 세그먼트를 구동시키기 위해서는 1개의 BCD Decoder가 필요하게 되는데, IC MC14553은 3개의 7 세그먼트 구동을 위한 IC 내부 세그먼트 드라이브 제어회로에 의해 1개의 BCD Decoder로 3개의 7 세그먼트를 구동시키게 된답니다.

 

2개의 누름 스위치는 디스플레이를 초기화, 즉 “0”으로 되돌리기 위한 리셋 스위치(SW2)와 숫자를 세기 위한 카운터 스위치(SW1)로 구성되어 있고요..

카운터 스위치(SW1)는 스위치 접점에 의한 채터링을 방지하기 위해 1uF의 콘덴서(C1)를 스위치와 병렬로 연결하였고, 리셋 스위치(SW2)와 연결된 콘덴서(C2)와 저항(R9)은 전원을 투입 하였을 때 회로전체를 리셋 시키는 “초기화 리셋 회로”랍니다.

 

카운터의 정상 동작상태를 점검할 때, 누름 스위치를 눌러 카운터를 수행할 경우 많은 시간이 소요되므로, 카운터가 정상동작을 하는지 시험할 수 있는 Test 스위치(Local Test)를 추가하여 자체적으로 클럭을 카운터 할 수 있도록 회로를 꾸며 보았답니다.

 

본 회로는 C-mos IC를 사용하여 5~12Vdc로 구동되도록 설계되어 있는데, 만약 7 세그먼트 디스플레이의 밝기가 너무 밝거나 또는 흐린 경우 드라이브 저항값을 바꾸어야 한답니다(저항값은 “LED/발광다이오드를 켜봅시다”를 참조하세요).

 

자세한 회로도, 부품 목록, 부품 배치도, 패턴도는 여기를 클릭하세요

https://cafe.daum.net/funny-circuit/M2lg/29

 

 

부품을 준비해 봅시다.

품명형명적용수량비고
콘덴서1uFC1,C22
콘덴서0.001uFC31
FND0.1uFC4,C52
콘넥터5268-3J11
저항270R1~R77
저항12KR81
저항100kR91
스위치SW SLIDE-DPDTSW3,SW42
스위치TackSW5,SW62
ICMC14553BU11
ICMC14543BU21
FNDWCN1-0080SR-C51FND1,FND2,FND33
패턴 와이어단선패턴용필요량0.3mm, 주석도금,
전선연선배선용필요량AWG24~26
PCB만능 PCB

 

 

부품이 준비되었으면 만들어 봅시다.

부품 배치도

 

패턴도

 

완성품

 

동작을 시켜 봅시다.

   

다음검색
현재 게시글 추가 기능 열기

댓글

댓글 리스트
  • 작성자김진혁 | 작성시간 15.11.23 덤보님, 로컬스위치 동작이 안됩니다. 회로는 똑같이 구성을 다했고, 건전지로 9v 넣어주고있습니다. 다른건 전부 동작합니다. 다른 특이사항이라면 콘덴서와 104커패시터를 쓰지 않았습니다.
  • 작성자덤보 작성자 본인 여부 작성자 | 작성시간 15.11.24 로컬 스위치와 연결된 회로를 점검해 보세요.. 그리고 스위치가 정상적으로 동작하는지도 확인해 보시고요..
    확인하신후에도 이상이 없으면 로컬 스위치를 제거하시고 점퍼를 날려서 시험 해 보세요..
    스위치 대신 점퍼를 연결해서 동작시험을 할 경우 자동으로 카운트를 한다면 스위치가 불량이겠죠...
    동작을 하지 않는다면.. 뭔가 회로 배선이 잘못된 것이겠지요???
  • 작성자김진혁 | 작성시간 15.11.28 하하 감사합니다. 급하게마무리지어야해서 555타이머를 사용하였습니다. 혹시 14543과 14553 ic칩 정보를 알 수 있을까요? 검색을해도만족스러운답변은어디에도없더군요..
  • 답댓글 작성자덤보 작성자 본인 여부 작성자 | 작성시간 15.11.30 일반자료실에 가면 c-mos databook이 있답니다...
댓글 전체보기
맨위로

카페 검색

카페 검색어 입력폼