LM2576-ADJ 스위칭 레귤레이터(Switching Regulator)를 이용한 가변출력 정전압회로를 만들어 봅시다.
작성자덤보작성시간13.03.10조회수12,789 목록 댓글 0LM2576-ADJ 스위칭 레귤레이터(3A Step-Down Switching Regulator)를 이용한 가변출력 정전압회로를 만들어 봅시다.
LM2576 고정출력과 가변출력 기능을 가진 스위칭 레귤레이터랍니다.
고정출력은 3.3V, 5.0V, 12V, 15V 가 있고, 출력을 가변할 수 있는 LM2576-ADJ 가 있답니다.
데이터 시트를 살펴보면 스위칭은 벅 컨버터(Buck converter) 방식이라고 한답니다.
보통 스위칭 컨버터의 경우, 직류에서 직류로 변환(dc-dc converter) 기능을 수행하게 되는데, 입력과 출력간의 절연관계에 의해 비절연형 컨버터와 절연형 컨버터로 구분된답니다.
계략적으로 살펴보면
비절연형에는 벅 컨버터(Buck Converter), 부스터 컨버터(Boost Converter), 벅-부스터 컨버터 (Buck-Boost Converter), 축 컨버터 (Cuk Converter) 등이 있고, 절연형에는 플라이백 컨버터(Flyback Converter), 포워드 컨버터 (Forward Converter) 등이 있답니다.
LM2576은 입력과 출력, 출력을 가변 할 수 있는 Adjust, ON/OFF 스위치, Feed-Back 의 5단자로 구성되어 있답니다.
입력전압은 3Vdc~40Vdc 로 상당히 넓은 범위를 가지고 있고, 출력전압은 1.23Vdc~37Vdc±4% 로 2개의 저항을 사용하여 가변 할 수 있답니다.
또한 출력전류는 3A 가 주로 사용되어 진답니다.
일반적으로 레귤레이터 IC를 사용할 때 공급전압이 필요전압보다 크지 않을 경우에는 78xx 계열을 사용하지만 공급전압과 필요전압의 차이가 클 때는 LM317, 또는 LM2576을 사용하여 필요전압을 공급하게 된답니다.
여기서 78xx 계열 또는 LM317을 사용할 때 입력전압과 출력전압의 차가 크면 효율이 급격히 낮아지고 많은 열을 방출하게 되어 사용하는데 많은 제약이 따르게 된답니다.
스위칭 방식을 적용한 LM2576 레귤레이터는 입력전압과 출력전압에 대한 제약이 거의 없고, 스위칭에 의한 출력전압을 조절하므로 열의 방출이 상대적으로 적답니다.
따라서 입력과 출력전압의 차가 클 경우에는 LM2527을 사용하는 경우가 많답니다.
하지만, 스위칭 레귤레이터는 스위칭 펄스에 의한 스위칭 노이즈가 발생하기 때문에 최종 출력에 많은 부가회로를 필요로 한답니다.
또한 가변 출력은 리니어 가변출력과 같이 실시간으로 변하지 못하고, 매우 느린 응답 출력을 갖는답니다.
열의 방출을 위해 방열판을 사용하는 것을 권장하지만 낮은 출력전류에서는 사용하지 않아도 된답니다.
LM2527 출력가변 정전압회로 역시 전자장비에 공급된 주 전원을 회로 내부의 필요 전원으로 변환시킬 목적으로 사용되지만,
여기서는 20V 1A급의 외부 가변출력 전원으로 만들어 보기로 합니다.
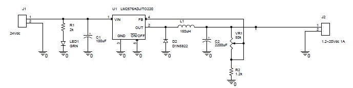
회로도
가변 출력 전압은 다음 공식에 의해 구할 수 있는데, 회로상의 R2를 고정저항으로 변경할 경우 적용하면 좋을 듯합니다.
(저항 R1은 1% 오차를 갖는 F급 저항을 사용하면 좋답니다.)
참고 : 상기 회로는 ON Semiconductor LM2576- "3.0a, 15V, Step-Down Switching Regulator"의 응용자료 "Adjustable Output, Low-Ripple Power Supply - 1.2 to 35V Adustable 3.0A Power Supply with Low Output Ripple"을 적용한 회로랍니다.
자세한 회로도, 부품 배치도, 패턴도, 부품 목록은 여기를 클릭하세요
https://cafe.daum.net/funny-circuit/M2lg/119
부품을 준비해 봅시다.
| 품명 | 형명 | 적용 | 수량 | 비고 |
| 콘덴서 | 100uF | C1,C3 | 2 | C3는 필요시 |
| 콘덴서 | 2200uF | C2 | 1 | |
| 다이오드 | 1N5822 | D2 | 1 | |
| 콘넥터 | YW396-03 | J1 | 1 | 또는 동등품 |
| 콘넥터 | YW396-02 | J2(J3) | 1 | 또는 동등품 |
| 저항 | GRN 5mm | LED1 | 1 | |
| 인덕터 | 150uH | L1 | 1 | |
| 인덕터 | 20uH | L2 | 1 | 필요시 |
| 저항 | 2k | R1 | 1 | |
| 저항 | 1.2k | R2 | 1 | |
| IC | LM2576ADJ/TO220 | U1 | 1 | |
| 가변저항 | 50k | VR1 | 1 | |
| 패턴 와이어 | 단선 | 패턴용 | 필요량 | 0.3mm, 주석도금, |
| 전선 | 연선 | 배선용 | 필요량 | AWG24~26 |
| PCB | 만능 PCB |
참고 : 출력을 20V 이상으로 설정할 경우에는 입력단 콘덴서와 출력단 콘덴서의 내압을 63V 이상으로 변경해야 한답니다.
부품이 준비되었으면 만들어 봅시다.
완성품
시험
1. 전원을 공급하기 위한 전원공급기(0~30V 2A 정도)와 부하저항을 몇 개 준비합니다.
2. 조립이 완료된 정전압회로의 입력단에 가변 전원공급기를 연결합니다.
3. 출력전압이 가변되는가를 확인하기 위해 입력 전압을 24V로 고정하고 조립 완료된 정전압회로에 공급합니다.
4. 정전압회로의 VR 손잡이를 서서히 가변하면서 디지털 멀티메터 또는 아나로그 테스터를 이용하여
출력전압이 1.25V~20V로 증가하는지 확인합니다.
5. 출력전류를 측정하기 위해 준비한 부하저항(표 참조)을 정전압회로 출력 J2에 연결합니다.
(출력전류를 1A로 설정하여 측정합시다.)
| 측정 전압 | 3V | 5V | 9V | 12V | 24V |
| 측정 저항 | 3Ω/5W | 5Ω/5W | 9Ω/5W | 12Ω/5W | 24Ω/5W |
| 측정 전류 |
6. 출력전압을 3V, 5V, 9V, 12V로 각각 조정한 후 각각의 전압에 해당하는 부하저항을 연결하여 출력전류를 측정합니다.
동작을 시켜봅시다.
다음에는 계측용으로 많이 사용하고 가격이 상당한(수만~수십만원정도??)하는
0~30V 2A이상, CC, CV 기능이 있는 리니어 가변출력 전원공급기를 만들어 보기로 할까요?.
제법 힘들겟지요??....