AC 디지털 전류계(AC digital ammeter)를 만들어 봅시다.
IC ICL7107을 사용한 AC용 디지털 전류계(AC digital ammeter)를 만들어 봅시다.
AC용 디지털 전류계(AC digital ammeter) 회로는 AC용 디지털 전압계(AC digital voltmeter) 회로와 거의 동일한데, 측정하고자 하는 것이 AC 전류이므로 AC를 DC로 변환하는 ADC(AC-DC Convertor) 회로가 추가적으로 필요하게 된답니다.
측정전류는 0~10A 까지로 설계를 하였지만 실제 회로는 5A까지만 측정하도록 구성하였답니다....
회로를 살펴보면 전류를 측정하기 위한 전류검출용 저항으로 0.1Ω 5W를 사용하였답니다.
AC를 DC로 변환하기 위한회로는 AC용 디지털 전압계와 같이 AC를 DC로 변환하는 ADC회로가 추가되었답니다.
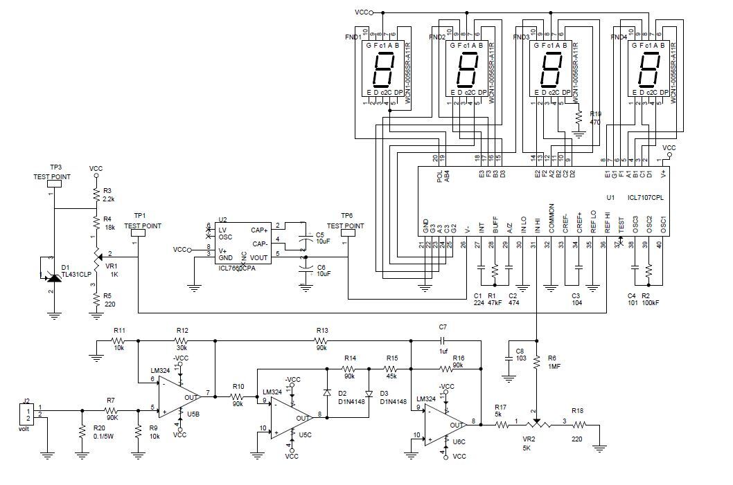
회로도
자세한 회로도와 부품 목록, 부품 배치도와 패턴도는 여기를 클릭하세요
https://cafe.daum.net/funny-circuit/M2lg/70
부품을 준비해 봅시다.
| 품명 | 형명 | 적용 | 수량 | 비고 |
| 콘덴서 | 224 | C1 | 1 | |
| 콘덴서 | 474 | C2 | 1 | |
| 콘덴서 | 104 | C3,C9,C14 | 3 | |
| 콘덴서 | 101 | C4 | 1 | |
| 콘덴서 | 10uF | C5,C6,C13 | 3 | |
| 콘덴서 | 1uf | C7 | 1 | |
| 콘덴서 | 103 | C8,C11,C12 | 3 | |
| 다이오드 | 1N4148 | D2,D3 | 2 | |
| FND | WCN1-0056SR-A11R | FND1~FND4 | 4 | 또는 동등품 |
| 콘넥터 | molex | J2 | 1 | 또는 동등품 |
| 콘넥터 | 연호 | J3 | 1 | 또는 동등품 |
| 저항 | 47kF | R1 | 1 | |
| 저항 | 100kF | R2 | 1 | |
| 저항 | 2.2k | R3 | 1 | |
| 저항 | 18k | R4 | 1 | |
| 저항 | 220 | R5,R18 | 2 | |
| 저항 | 1MF | R6 | 1 | |
| 저항 | 90kF | R7 | 1 | |
| 저항 | 0.1/5W | R20 | 1 | |
| 저항 | 10k | R9,R11 | 2 | |
| 저항 | 90k | R10,R13,R14,R16 | 4 | |
| 저항 | 30k | R12 | 1 | |
| 저항 | 45k | R15 | 1 | |
| 저항 | 5k | R17 | 1 | |
| 가변저항 | 5k | VR2 | 1 | 3296W |
| 가변저항 | 1K | VR1 | 1 | 3296W |
| 저항 | 470 | R19 | 1 | |
| 스위치 | mini Slide | SW | 1 | 또는 동등품 |
| TP | TEST POINT | TP1~TP6 | 4 | |
| IC | ICL7107CPL | U1 | 1 | |
| IC | ICL7660CPA | U2 | 1 | |
| IC | MC7805CT | U3 | 1 | |
| IC | LM324 | U4 | 1 | |
| IC | TL431CLP | D1 | 1 | |
| IC 소켓 | 40, 14, 8pin | 각 1 | 선택 | |
| PCB | 만능 PCB | 1 | ||
| 점퍼와이어 | 단선 | 필요량 | 심선 0.3mm, 주석도금 | |
| 전선 | 흑/적, 연선 | 필요량 | AWG24~26 | |
| 전원 | 9~12Vdc 출력 | 건전지 또는 어댑터 |
부품이 준비되었으면 만들어 봅시다.
주 :
- 청색 패턴은 점퍼입니다.
- VR2를 3296W로 변경하였습니다.
- 실제 완성품은 부품위치가 조금 변경된 곳도 있고, 공간부족으로 동작에 큰 지장을 주지않는 부품을 생략한것도 있습니다.
완성품
조립이 완료되고 육안검사가 끝났으면 기준전압을 설정해 봅시다.
※ ※ ※ 동작을 시켜보기 전에.....
상용전원 AC220V를 사용하기 때문에 AC 입력단의 심선이 외부로 노출 되지 않도록 보완하고 손이나 피부가 닫지 않도록 세심한 주의가 필요하답니다.
AC 220V가 인체에 닿으면 감전되어 치명상을 입을 수 있답니다...!!!!!!!!
아주~~아주~~ 주의하세요...
AC 입력/출력 전압을 측정하기 전 반드시 측정 리드선의 피복이 벗겨져 있지 않은가를 확인하고, 측정시 측정단자가 손이나 피부에 닫지 않도록 주의하여야 한답니다.
또한 주위에 피복이 벗겨진 전선이나 볼트, 나사류.. 등등.. 전기가 통하는 물건이 있으면 일단 멀리 치운 후 측정을 하시기 바랍니다.
잠깐의 실수로 합선의 위험이 있거든요....
매우~~~매우~~~~ 주의하세요...
1. 건전지 또는 전원공급기를 전원연결 콘넥터에 연결한 후 슬라이드 전원스위치를 켜세요..
(이때 공급되는 전원 단자가 정상적으로 연결되어 있는지, 외부 공급전압이 7Vdc 이상인지 꼭 확인한 후
전원스위치를 켜세요..)
2. 디지털 멀티메터 또는 아날로그 테스터로 정전압 IC 7805의 3번 핀 출력값이 +5Vdc인가 확인합니다.
3. 디지털 멀티메터 또는 아날로그 테스터로 부(-)전원 IC 7660의 5번 핀 출력값이 -5Vdc인가 확인합니다.
4. 측정 전압값이 모두 정상이면 IC 7107의 36번 핀의 측정값이 97~98mV(이론상 100mV임)가 되도록 VR1을
오른쪽 또는 왼쪽으로 돌려가며 맞춰봅시다.
5. AC 입력 전류를 조정하기 위하여 입력 AC220V, 출력 0~5(12)Vac 3A 용량의 트랜스포머를 하나와
부하저항으로 사용할 10W 이상의 저항을 몇 개 준비합니다.
부하저항은 R = V / I, 허용 전력은 P = IV = I2R 이므로 측정하고자 하는 전류와 전압을 계산하여 기록합니다.
(부하저항 산정예)
| 공급전압(Vdc) | 측정전류(A) | 부하저항(Ω) | 허용전력(W) |
| 5V 일 경우 | 0.1 | 50 | 0.5 |
| 1 | 5 | 5 | |
| 2 | 2.5 | 10 | |
| 3 | 1.666667 | 15 | |
| 12V 일 경우 | 0.1 | 120 | 1.2 |
| 1 | 12 | 12 | |
| 2 | 6 | 24 | |
| 3 | 4 | 36 |
7. 디지털 멀티메터 또는 아날로그 테스터를 AC 전류 측정 모드로 고정한 후 측정리드를 준비한 트랜스포머의
출력단과 부하저항에 직렬로 연결한 후 전류값을 측정하여 기록합니다.
8. 조립이 완성되어 기준전압설정이 끝난 AC 디지털 전류계의 측정리드를 준비한 트랜스포머의 출력단과
부하저항에 직렬로 연결한 후 전류값을 측정하여 기록합니다.
9. 기록된 전류값의 편차를 조정하기 위해 중간 측정전류의 부하저항을 연결한 후 디스플레이 된 측정값을
VR2를 좌우로 조금 돌려 교정합니다.
10. 교정이 끝나면 부하저항을 바꿔가며 전류값을 다시 측정합니다.
동작을 시켜봅시다.
AC용 디지털 전류계가 완성되었습니다.
다음에는 ICL7107로 구성된 AC/DC 전압/전류계와 저항을 측정할 수 있는 기능을 포함한 디지털 멀티메타를 만들어 봅시다.