CAFE

공작실

로터리 스위치를 이용한 케이블 체커(Cable Checker) 시리즈 2를 만들어 봅시다.

작성자덤보|작성시간17.05.24|조회수811 목록 댓글 0

케이블 체커(Cable Checker) 시리즈 2

 

로터리 스위치를 이용한 케이블 체커(Cable Checker) 시리즈 2를 만들어 봅시다.

 

로터리 스위치에 인가된 전원이 스위치가 회전하는 순서에 의해 전선뭉치 또는 배선뭉치를 구성하고 있는 각각의 전선을 통과한 후 점멸되는 LED를 가지고 회로의 단선과 합선 여부를 판단했던 “로터리 스위치를 이용한 케이블 체커(Cable Checker)”를 조금 보완한 회로랍니다.

 

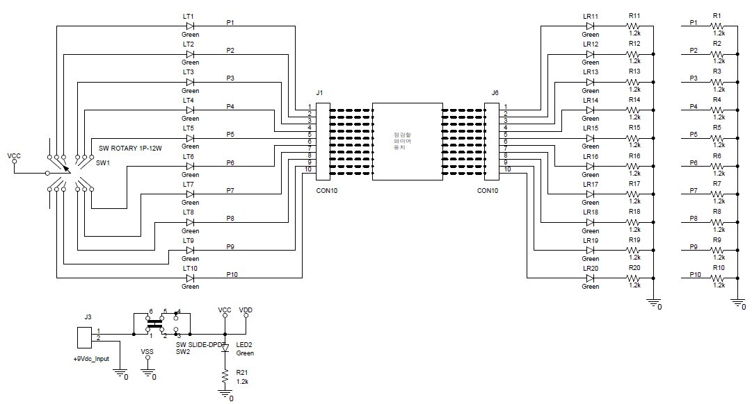
회로도

 

자세한 회로도, 부품 배치도, 패턴도는 여기를 클릭하세요

https://cafe.daum.net/funny-circuit/M2lg/82

 

 

회로 동작은

로터리 스위치가 회전하는 순서를 LED로 모니터 하고, 연결된 배선 뭉치와 전선뭉치를 통과한 전원신호가 LED를 점등하게 되어 모니터 LED 점멸과 시험대상 배선뭉치를 통과한 전원신호에 의해 점멸되는 LED에 의해 회로가 단선 또는 합선을 표시하게

된답니다...

 

부품을 준비해 봅시다.

품명형명적용수량비고
커넥터5267-10PJ1,J22또는 동등품
커넥터5267-2PJ31또는 동등품
LEDGreen 3mmLED1
LT1~LT10, LR1~LR10
21
저항1.2kR1~R21211/4W
스위치ROTARY 1P-12PSW11또는 동등품
스위치SLIDE-DPDT MINISW21또는 동등품
패턴 와이어단선패턴용필요량0.3mm, 주석도금,
점퍼 와이어단선점퍼용필요량0.3mm
전선연선배선용필요량AWG24~26
PCB만능 PCB

 

 

부품이 준비되었으면 만들어 봅시다..

부품 배치도
패턴도와 점퍼 1

 

패턴도와 점퍼 2

 

조립 완성

(후면 패턴은 만능기판의 공간이 제한되어 점퍼로 대치했답니다...)

 

 

조립이 완료되고 육안검사가 끝났으면 전원을 연결하여 동작 시켜 봅시다.

 

1. 건전지 또는 전원공급기를 전원연결 커넥터에 연결한 후 슬라이드 전원스위치를 켜세요..

   (이때 공급되는 전원 단자의 극성이 정상적으로 연결되어 있는지, 외부 공급전압이 9Vdc 인지 꼭 확인한 후 

    전원스위치를 켜세요..)

2. 커넥터 J1, J2에 시험용 케이블 뭉치를 연결합니다.

3. 로터리 스위치를 돌려가며 모니터 LED와 점검 LED가 순차적으로 점멸 되는지 확인합니다...

 

 

4. 시험용 케이블 뭉치에서 임의의 순번 전선을 단선(Open) 시킨 후 로터리 스위치를 돌려가며 임의의 순번에서

   점검 LED가 켜지지 않는 것을 확인합니다. 

 

   (사진에서는 8번의 모니터 LED는 점등 되었는데, 점검 LED는 'off' 되어 단선(Open)을 알려주네요...)

 

5. 시험용 케이블 뭉치에서 임의의 순번 전선 2곳을 서로 합선(Short) 시킨 후 로터리 스위치를 돌려가며 임의의 순번에서 

   모니터 LED와 점검 LED가 켜지는 것을 확인합니다.

 

  (사진에서는 모니터 LED 6번이 점등 되었는데, 점검 LED는 6번과 7번이 켜져 배선뭉치의 6번 전서과 7번 전선이 합선(short) 

    되었음을 알려주네요...)

 

이상으로.. 케이블 체커 시리즈 2를 만들어 보았는데, 그래도 만족할 만한 동작 상태는 아닌듯 하네요.. 

로터리 스위치를 대신한 순차 점멸기 회로를 적용한 케이블 체커는 어떨까요???

계속해서 업그레이드를 해봅시다.

 

다음검색
현재 게시글 추가 기능 열기

댓글

댓글 리스트
맨위로

카페 검색

카페 검색어 입력폼