CAFE

공작실

32.768Khz 수정발진기(크리스탈 발진기(x-tal))를 사용한 1Hz 주파수를 만들어 봅시다.

작성자덤보|작성시간17.06.18|조회수4,020 목록 댓글 2

32.768Khz 수정발진기(크리스탈 발진기(x-tal))를 사용한 1Hz 주파수를 만들어 봅시다.

 

수정 발진기(크리스탈 발진기(X-tal)) 32.768Khz와 IC 4060, 4013을 사용하여 1Hz의 클럭 주파수를 만들어 봅시다.

 

주파수는 시간과 밀접한 관계에 있는데 이를 수식으로 주파수(F) = 1/시간(Sec)로 표시된답니다...

즉, 1Hz는 1초(Sec)를 나타낸답니다.

 

보통 크리스탈 발진회로는 피어스 발진회로가 크리스탈 발진회로 기본형으로 사용되어지는데, 인버터와 병렬저항 그리고 여진 레벨을 억제하기 위한 부성저항, 부하 용량을 조절할 수 있는 콘덴서들로 구성된답니다.

 

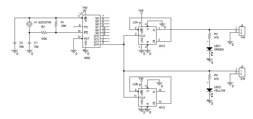
회로도

자세한 회로도, 부품배치도, 패턴도는 여기를 클릭하세요 

https://cafe.daum.net/funny-circuit/M2lg/86

 

 

회로 동작은

IC 4060의 핀10과 핀11에 구성된 크리스탈 발진회로가 IC 4060 내부 인버터와 병렬로 연결된 저항에 의해 궤환 (feedback) 증폭 하게 되어 동작하게 되고, 발진된 클럭 주파수는 IC 4060(14bit 바이너리 카운터)의 내부회로를 거쳐 32.768khz의 클럭 주파수가 14분주되어 2Hz 클럭 주파수를 핀3번 Q14로 출력하게 된답니다.

이렇게 분주된 2Hz 클럭 주파수는 다시 IC 4013으로 입력되어 2분주되어 1Hz의 클럭 주파수를 출력하게 된답니다.

 

부품을 준비해 봅시다...

품명형명적용수량비고
콘덴서33pFC11ceramic
콘덴서50pFC21ceramic
콘덴서0.1uFC5,C62mono
커넥터5267-2PJ11
커넥터5267-2PJ2,J31선택
커넥터5264-2PJ1,J2,J31선택
터미널5263J1,J2,J36선택
LEDGREEN 5mmLED11
LEDYELLOW 5mmLED21
저항10MR11또는 9M
저항330kR21
저항470R3.R42
스위치Slide-MiniSW11또는 동등품
ICMCI4060U11
ICMCI4013U21
X-tal32.768KhzX11
패턴 와이어단선패턴용필요량0.3mm, 주석도금,
전선연선배선용필요량AWG24~26
PCB만능 PCB

 

부품이 준비되었으면 만들어 봅시다..

부품 배치도
패턴도

LED1은 2Hz(0.5초), LED2는 1Hz(1초) 랍니다.

J2와 J3는 외부로 클럭을 내보내기 위한 콘넥터로 실제 조립시에는 제거되었답니다.

필요시 조립하시기 바랍니다.

 

조립 완성

 

조립이 완료되고 육안검사가 끝났으면 전원을 연결하여 동작 시켜 봅시다.

 

1. 건전지 또는 전원공급기를 전원연결 커넥터에 연결한 후 슬라이드 전원스위치를 켜세요..

   (이때 공급되는 전원 단자의 극성이 정상적으로 연결되어 있는지, 외부 공급전압이 6~12Vdc 인지 꼭 확인한 후 

    전원스위치를 켜세요..)

 

2. 2Hz 모니터용 녹색 LED와 1Hz 모니터용 황색 LED가 점멸되는지 확인합니다...

 

다음은 회로를 더욱 간단하게 만든 IC 4521를 사용한 1Hz 클럭주파수 발진기를 만들어 봅시다..

 

다음검색
현재 게시글 추가 기능 열기

댓글

댓글 리스트
  • 작성자코코넛콘 | 작성시간 17.06.19 1Hz 만들기..
    좋은 자료 감사합니다.~!!
  • 작성자3형제 | 작성시간 17.08.04 시계의 카운터 할때 편하겠군요!
댓글 전체보기
맨위로

카페 검색

카페 검색어 입력폼