30V3A 출력 전압/전류 가변(CC, CV) 회로 PCB를 만들어 봅시다.
정전압 출력과 정전류 출력을 가변하기 위한 회로랍니다.
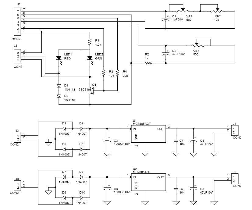
회로는 정전압과 정전류를 표시하기 위한 CC, CV 램프 회로와 전압과 전류 출력을 가변하기 위한 가변 회로, 전원공급기 전면부의 전압/전류 표시회로에 공급되는 전원회로가 구성되어 있답니다.
회로도
자세한 회로도와 부품 목록, 부품 배치도, 패턴도는 여기를 클릭하세요
https://cafe.daum.net/funny-circuit/M2lg/115
부품을 준비해 봅시다.
| 품명 | 형명 | 적용 | 수량 | 비고 |
| 콘덴서 | 1uF50V | C1 | 1 | 전해 |
| 콘덴서 | 47uF16V | C2,C5,C8 | 3 | 전해 |
| 콘덴서 | 1000uF16V | C3,C6 | 2 | 전해 |
| 콘덴서 | 104 | C4,C7 | 2 | Mono |
| 다이오드 | 1N4148 | D1,D2 | 2 | |
| 다이오드 | 1N4007 | D3~D10 | 8 | |
| 콘넥터 | 5267-7 | J1 | 1 | Molex 또는 동등품 |
| 콘넥터 | 5267-3 | J2 | 1 | Molex 또는 동등품 |
| 콘넥터 | 5267-2 | J3,J6 | 4 | Molex 또는 동등품 |
| 콘넥터 | SMH250-02 | J4,J5 | 4 | 연호 또는 동등품 |
| LED | RED 3mm | LED1 | 1 | |
| LED | GRN 3mm | LED2 | 1 | |
| TR | 2SC3198 | Q1 | 1 | 또는 동등품 |
| 저항 | 1.2k | R1,R5 | 2 | |
| 저항 | 10 | R2 | 1 | |
| 저항 | 10k | R3 | 1 | |
| 저항 | 20k | R4 | 1 | |
| 가변 저항 | 500 | VR1,VR3 | 2 | |
| 가변 저항 | 10k | VR2 | 1 | |
| IC | MC7805ACT | U1,U2 | 2 | 또는 동등품 |
| 패턴 와이어 | 단선 | 0.3mm, 주석도금, | ||
| 전선 | 단선 | AWG24~26 | ||
| PCB | 만능 PCB |
**** 본 회로에서는 공간 부족으로 콘덴서 104 Mono는 적용하지 않았습니다.
꼭 콘덴서 104를 삽입하시려면 회로도를 참조하셔서 적용하시기 바랍니다.
부품이 준비 되었으면 만들어 봅니다.
부품배치도
패턴도
조립완성
완성품과 부품 배치도의 PCB 외곽 구조가 다를 수 있습니다.
이는 PCB를 조립하기 위한 기구물 구조에 따라 달라지므로, 제작자분들께서는 PCB를 조립할 기구물에 염두에 두고 PCB 외곽을 결정하시기 바랍니다.
다음검색