MC34063을 사용한 5V 입력 12V 150mA 출력 승압 회로를 만들어 봅시다.
(Boost Step Up 5V to 12V 150mA Converter using MC34063)
MC34063은 강압 및 승압 회로에 사용되는 DC-DC 컨버터 IC 랍니다.
데이터 시트를 대략적으로 살펴보면 입력 전원의 범위는 3.0V~40Vdc이고, 적절한 출력 스위칭 트랜지스터를 추가하면 1.5A의 높은 출력 스위치 전류를 생성할 수 있답니다.
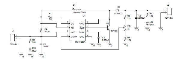
회로는 MC34063의 스위칭 주파수를 결정하는 캐패시터(C2)와 스위칭용 인덕터(L1), 출력을 평활하기 위한 다이오드(D1)와 캐패시터(C3), 출력 전압을 안정화하기 위한 분압 회로(R3,R7,R4), 출력 전류를 제어하기 위한 피크 전류 검출 저항(R2)으로 구성된답니다.
회로도
자세한 회로도, 부품 배치도, 패턴도는 여기를 클릭하세요
이러한 회로 구성은 MC34063의 데이터 시트에 서술 되어 있는 디자인 공식 테이블(Figure 14. Design Formula Table)에 의해 계산한답니다.
우리는 여기서 5V 입력으로 12V 150mA 출력의 승압회로(Step-Up)를 만들 것이므로 데이터 시트의 Design Formula Table의 항목을 계산하여 MC34063에 부가되는 부품을 계산 해 낼 수 있습니다.
참조 : MC34063의 데이터 시트
그럼 이제부터 해당 구성 요소값을 계산해 봅시다.
MC34063의 데이터 시트의 공식에 의해 Ton/Toff, (Ton+Toff), Toff, Ton, Ct, Ipk, Rsc, Lmin, Cout, 저항 분압회로를 계산합니다.
Ton/Toff = (Vout+Vf-Vin_min)/(Vin_min-Vsat)
여기서 Vf는 다이오드의 순방향 전압인데, 데이터 시트에서 사용된 1N5819의 순방향 전압(Vf)은 0.6V(if=1.0A 일 경우)입니다(다이오드 1n5819 데이터 시트 전기적 특성(Electrical Characteristics)을 참고 하세요).
출력 스위치 포화 전압 Vsat는 MC34063 데이터 시트의 전기적 특성(Electrical Characteristics)에 따라 Vsat=0.45V, 입력 최소 전압 Vin_min을 4.7V로 설정하면
Ton/Toff = (Vout+Vf-Vin_min)/(Vin_min-Vsat) =(12+0.6-4.7)/(4.5-0.45)≒1.86
(Ton+Toff) = 1/f
스위칭 주파수 f는 데이터 시트의 전기적 특성(Electrical Characteristics)에 따라 24~42KHz 사이를 선택합니다. 여기서는 스위칭 주파수를 25KHz로 적용했습니다.
(Ton+Toff) = 1/f = 1/25KHz = 40uS
Toff = ((Ton+Toff) / (Ton/Toff)+1) = 40uS/(1.86+1) ≒ 13.99uS
Ton = (Ton+Toff) - Toff = 40uS - 13.99uS = 26uS
Ct = 4.0 * 10^-5 * Ton
스위칭 주파수를 만들기 위한 타이밍 커패시터 Ct를 계산합니다.
Ct = 4.0 x 10^-5 x 26uS ≒ 0.001uF = 1000pF = 102
Ipk = 2 x Iout(max) x ((Ton/Toff )+1)
여기서 우리는 출력 전류를 150mA로 설정 하였으므로, 최대 출력 전류를 200mA를 적용합니다.
Ipk = 2 x 0.2A x (1.86+1) = 1.144A
Rsc = 0.3/Ipk = 0.3/1.144 ≒ 0.26 ohm
Lmin = ((Vin_min - Vsat/Ipk)) x (Ton(max)) = (4.7-0.45/1.2)) x (26x10^-6) ≒ 92uH
Cout = 9*((Iout*Ton)/Vrip_pp)
부스트 출력의 리플값(Vrip_pp)을 200mV로 설정하면
Cout = 9*((Iout*Ton)/Vrip_pp)= 9 x ((0.2* 26uS)/0.2) = 234uF
Vout = 1.25 x (1 + R2/R1), Vout = 12V 이므로
R2 = ((Vout/1.25) -1) x R1 = ((12/1.25)-1) x R1 = 8.6 * R1
여기서 R1을 1.2k로 설정하면
R2 = 8.6 x 1.2 = 10.32kohm
위 계산된 값으로 5V 입력 12V 출력 승압 회로를 설계합니다.
여기서 Cout은 리플 억제를 위해 계산 된 값보다 큰 470uF 용량을 사용하였고, 저항 분압회로의 R2는 10kΩ과 200Ω을 직렬로 연결하여 사용하였답니다.
또한 인덕터는 계산치 보다 큰 100uH를 사용하였고, 전류 검출 저항은 0.15Ω을 적용했습니다.
부품을 준비해 봅시다
| 품명 | 형명 | 적용 | 수량 | 비고 |
| 콘덴서 | 100uF 16V | C1 | 1 | 전해 콘덴서 |
| 콘덴서 | 0.001uF(1000pF) | C2 | 1 | 102 |
| 콘덴서 | 470uF 24V | C3 | 1 | 전해콘덴서 |
| 다이오드 | 1N5819 | D1 | 1 | |
| 커넥터 | 5045-2 | J1 | 1 | 또는 동등품 |
| 커넥터 | 5267-2 | J2 | 1 | 또는 동등품 |
| LED | RED 5mm | LD1 | 1 | |
| LED | GRN 5mm | LD2 | 1 | |
| 인덕터 | 100uH | L1 | 1 | |
| 전압계 | FND_3_Volt_Metter | METER1 | 1 | 선택 |
| 저항 | 180 | R1 | 1 | |
| 저항 | 0.26 | R2 | 1 | |
| 저항 | 10k | R3 | 1 | |
| 저항 | 1.2k | R4,R6 | 2 | |
| 저항 | 680 | R5 | 1 | |
| 저항 | 200 | R7 | 1 | |
| IC | MC34063A | U1 | 1 | |
| 스위치 | SW SLIDE-DPDT | SW2 | 1 | |
| 스위치 | SW SLIDE-DPDT | SW1 | 1 | 선택 |
| 패턴 와이어 | 단선 | 패턴용 | 필요량 | 0.3mm, 주석도금, |
| 전선 | 연선 | 배선용 | 필요량 | AWG24~26 |
| PCB | 만능 PCB |
부품이 준비되었으면 만들어 봅시다.
부품 배치도와 패턴도
완성품