CAFE

수업 Q&A

테브난 정리를 이용한 회로해석 방법 질문 입니다.

작성자아자아자!|작성시간12.03.23|조회수1,549 목록 댓글 0

 

교수님 수업을 들었던 수강생입니다.

  회로이론 수업시간에 아래와 같이 종속 전원이 있는 회로에서는 Rth를 구하는 경우 개방단자에 테스트 전원이나 전류원을 인가해서 개방단자에 걸리는 전압이나 전류로 Rth를 구하도록 배웠었는데요.

  제가 묻고자 하는 것은 이런 방법으로 Rth를 구할 때 회로에서 원래 존재했던 전원을 그대로 두는 것인지 아니면 없애고 하는 것인지 궁금합니다. 제가 배웠던 것은 기존의 전원을 없애고 테스트 전원만 있는 채로 Rth를 구하는 방법 이었는데요. 이 방법이 모든 회로에 적용이 되는 것 인가요? 전공 책을 보니 어떤 회로는 전원을 그대로 두는 것이 있고 없애는 경우도 있었습니다. 어떤 기준으로 해석을 해야 하는지 모르겠습니다.

 

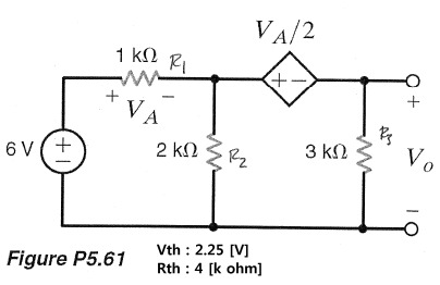
아래 1번 회로의 경우 6 V 의 전원을 그대로 두고 테스트 전원 1 A를 인가하면 Rth가 구해집니다.

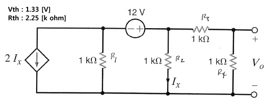
그러나 2번 회로의 경우 12 V 의 전원을 그래도 두면 Rth가 구해지지 않습니다. 12 V의 전원을 shot 하고 해석해야 Rth가 구해집니다.

어떤 기준으로 풀어야 하나요?

 

1번 회로

 

 

 

 

2번 회로

 

 

 

다음검색
현재 게시글 추가 기능 열기

댓글

댓글 리스트
맨위로

카페 검색

카페 검색어 입력폼