CAFE

플로트레스 접점이해

작성자온암|작성시간10.05.24|조회수16,986 목록 댓글 33

Q>플로트레벨스위치 쓸 때 급수는 무슨 접점을 쓰고 배수는 무슨 접점을 쓰는지

 

동작특성상 급수는 b접점.. 배수는 a접점을 사용하게 됩니다.

플로트레벨스위치도 그 종류가 많죠

보통 기기옆면을 보시면 회로도가 첨부되어 있죠.

그 회로도를 기본으로 사용하면 됩니다.

 

 

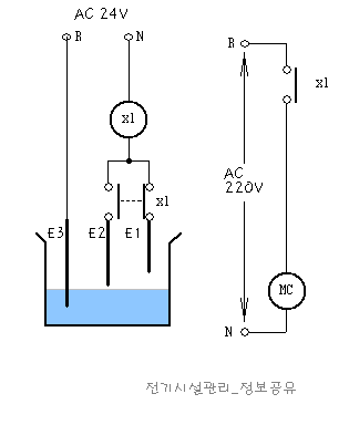
Q>그리고 플로트스위치에서 보면 E1,E2,E3가 있는데 그것이 어떻게 작용해서 펌프가 돌도 펌프가 꺼지는지요.

 

E1,E2,E3는 전극봉을 구별하기 위한 하나의 번호[기호]입니다.

순서는 회로를 구성하는 사람 맘이죠.

그러나 보통 플로트릴레이에 있는 순서로 설치를 해주어야 보수 및 관리할 때 혼동을 피할 수 있습니다.

전극봉에서의 동작특성은 아래 회로도를 참고로 보세요.

아래와 같은 원리로 배수펌프를 동작시키는 것입니다.

물이 스위치역활을 하면서 펌프를 기동시키게 되는거죠.

 

참고로  배수펌프 전극봉에 사용하는 전압은 AC36V 이하로 사용해야 합니다.

전압이 높을경우 감전의 위험이 크기 때문입니다.

DC의 경우는 AC와 달리 전류의 흐름이 원활하지 않아 동작을 안하는 경우가 많습니다.

 

  

 

 자료출처: "전기시설관리_정보공유" 카페

다음검색
현재 게시글 추가 기능 열기

댓글

댓글 리스트
  • 작성자전기루 | 작성시간 18.10.12 감사합니다~~
  • 작성자가니 | 작성시간 19.09.27 E1에 물이차면 모터가 가동되고 E2까지 물이 빠져나가면 모터정지되는거 아닌가요?
  • 답댓글 작성자강한남자당 | 작성시간 19.12.13 반대죠 ^^ e1 가동되어 물이 오버되면 현장에서는 부저 울립니다. 현장 달려가 수동으로 돌린후 모터 정지 시키죠. 중간 드레인 열어서 보조탱크로 물 넘깁니다.다 자동인데도 안넘어갈경우 부저 울립니다. 교체하란뜻이요.

    위 사진 보시면 릴레이 b접점에서 e1 닿으니까 접점 떨어지면서 e2가 접점 되는게 보이실겁니다. 모터 정지하란뜻이죠. 플로트레스 두개면 아마도 두번째 보조탱크로 물 넘어가게 설계도 가능할것 같습니다.e1을 수량 70으로 두었을때 모터 정지하고 보조탱크 펌프가 작동하면서 1탱크 2탱크 어느정도 높이를 맞출듯 싶네요
  • 작성자baram | 작성시간 20.04.04 모두 감사드립니다~~
  • 작성자불루마린 | 작성시간 24.10.22 설명 감사합니다
댓글 전체보기
맨위로

카페 검색

카페 검색어 입력폼