CAFE

Q&A게시판

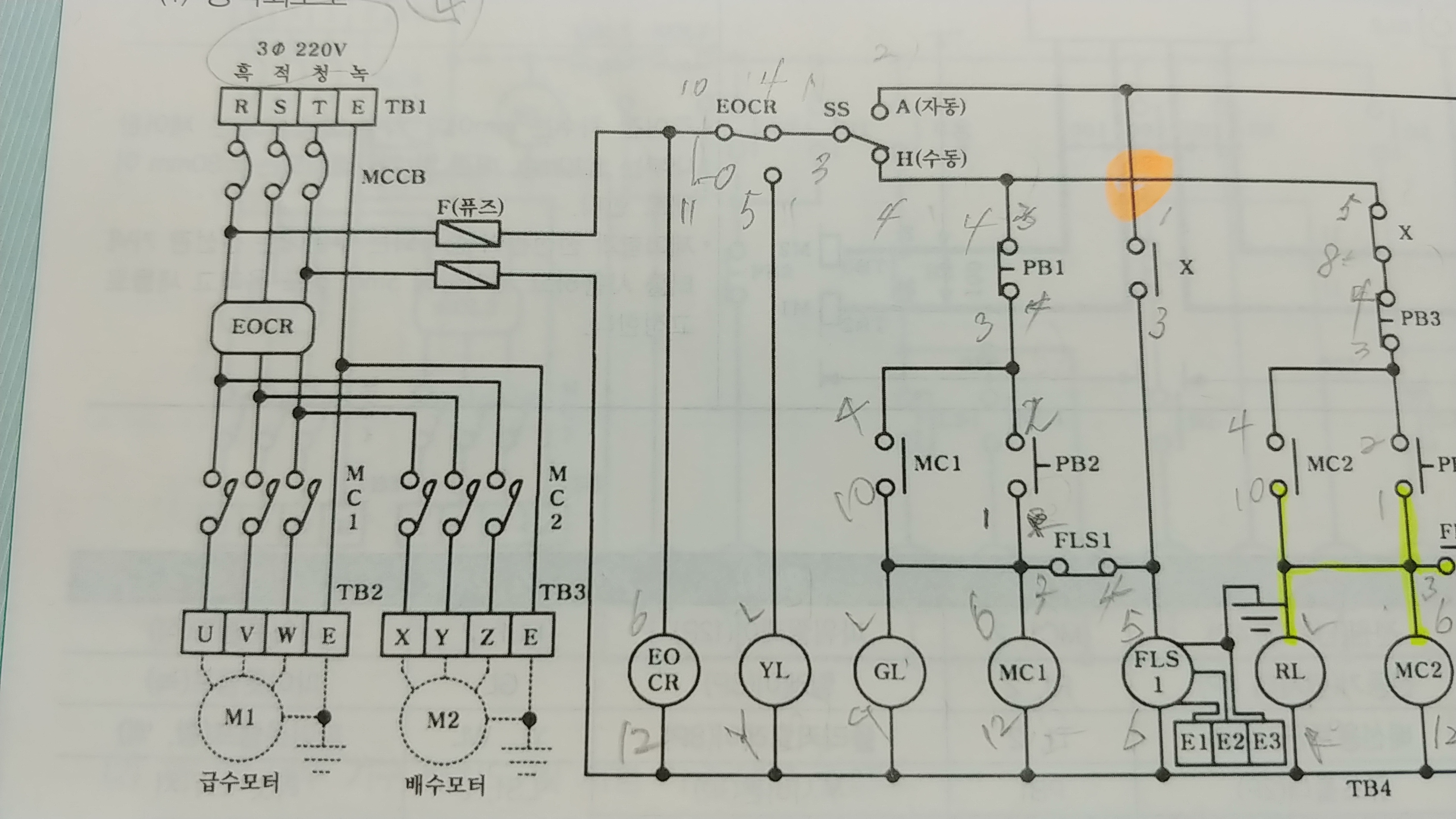
EOCR 결선 문의??

작성자4륜구동|작성시간21.01.07|조회수1,784 목록 댓글 11

 

급배수회로인데요..

 

eocr 회로도에서

10번과 11번이 공통선입니다.

 

보통 전원선이 123에서 입력되어

789 번이 출력이 되니까

4~5번에서 공통이 되어야 한다고 생각하는데

회로도는 그렇지 않습니다.

 

그래서 사진과 같이 10번과 11번을 공통으로 했는데

맞게 결선이 된건가요??

 

 

 

 

 

 

 

 

 

 

 

 

 

 

다음검색
현재 게시글 추가 기능 열기

댓글

댓글 리스트
  • 답댓글 작성자4륜구동 작성자 본인 여부 작성자 | 작성시간 21.01.07 고수님의 답글에 감사드립니다^^
    명쾌한 해답을 얻었습니다^^
    10번과 11번은 회로내에서 결선이 되어있다..
    기억하겠습니다.
  • 작성자온암 | 작성시간 21.01.07 궁금한 것이 잇는데, 첫번째 사진에서, 우측휴즈의 위측(1차측)에서 EOCR9번으로 연결이 되었는데, 잘못된 것 아닌가요?
  • 답댓글 작성자songja0223 | 작성시간 21.01.07 네 잘못 됬습니다 1번에서 나와야되는대...
  • 답댓글 작성자4륜구동 작성자 본인 여부 작성자 | 작성시간 21.01.07 songja0223 
    1. 퓨즈 우측은 반드시 R상으로 해야하나요??
    퓨즈 좌우를
    적당히 R이나 T로 선택하면 안되나요 ?
    2. 퓨즈입력측은
    EOCR 입력축인 3번이나 1번에서 따와야 하는건 맞는것 같고요...
  • 답댓글 작성자songja0223 | 작성시간 21.01.08 4륜구동 1. 퓨즈 우측은 반드시 R상으로 해야하나요??
    - 도면과 틀리기 때문에 실격 사유가 됩니다.
    - eocr에서 선을 빼거나 차단기에서 빼야 됩니다.
    - 789는 출력이기 때문에 안됩니다. 도면상 입력에서 빼게 되어 있습니다.

    1-1퓨즈 좌우를 적당히 R이나 T로 선택하면 안되나요 ?
    - 안됩니다.도면과 틀리기 때문에 실격 사유가 됩니다.

    2.퓨즈입력측은
    EOCR 입력축인 3번이나 1번에서 따와야 하는건 맞는것 같고요...
    - 네 맞습니다.
댓글 전체보기
맨위로

카페 검색

카페 검색어 입력폼