[전자계산기조직응용기사 필기 학습 콘텐츠(기출문제 CBT) 카페 자료실 안내]
아래 배너에 링크된 우리카페의 도타비 문제은행 목차에서 '전자계산기조직응용기사'를 선택하시면 최근까지 출제된 기출문제 파일 다운로드 및 CBT(자동채점, 틀린 문제 다시풀기, 랜덤모의고사 등)를 활용하실 수 있습니다.
기출문제 재구성 모의고사는 한국산업인력공단에서 공개한 시험문제를 문제 순서와 일부 지문은 적절히 수정하였으나 출제의도로 볼 수 있는 키워드 및 사전적 정의는 유지하였고, 답항 순서와 일부 지문을 적절히 수정하였으나 답안에 해당하는 지문, 용어, 이미지는 유지하여 작성하였습니다.
① External
② Static
③ Register
④ Point
2. 매크로 관련 용어 중 매크로 호출 부분에 정의된 매크로 코드를 삽입하는 것을 의미하는 것은?
① 매크로 확장
② 매크로 호출
③ 매크로 정의
④ 매크로 라이브러리
3. 어셈블리어에서 어떤 기호적 이름에 상수 값을 할당하는 명령어는?
① INCLUDE
② ASSUME
③ ORG
④ EQU
4. C 언어에서 문자열 출력 함수는?
① gets()
② puts()
③ getchar()
④ putchar()
5. 매크로 기능에 대한 설명으로 가장 적합한 것은?
① 어셈블리 언어로 작성한 프로그램을 다른 컴퓨터의 기계어로 변환시키는 기능이다.
② 어셈블리 언어로 작성한 프로그램 내에 다른 고급언어를 삽입할 수 있는 기능이다.
③ 고급언어로 작성된 프로그램 내에 어셈블리 언어의 문장 및 함수 등을 삽입시키는 기능이다.
④ 어셈블리 프로그램에서 반복적으로 나타나는 코드들을 묶어 하나의 새로운 명령으로 정의시키는 기능이다.
6. C 언어에서 나머지를 구하는 잉여 연산자(modular-operator)는?
① #
② $
③ &
④ %
7. C 언어의 기억클래스 중 “extern"을 사용하여 선언하는 변수는?
① 자동변수
② 정적변수
③ 외부변수
④ 레지스터변수
8. 서브루틴에서 자신을 호출한 곳으로 복귀시키는 어셈블리어 명령은?
① CALL
② LOOP
③ NOP
④ RET
9. 어셈블리어 명령에서 다음 설명에 해당하는 것은?
이 명령은 오퍼랜드가 없으며, 리스트를 출력할 때 이 명령 위치에서 페이지를 바꾸어 다음 내용을 출력한다. 따라서 리스트를 특정 내용이나 블록별로 분리하여 출력할 때 사용하면 편리하다.
① PUBLIC
② EXTERN
③ ASSUME
④ EJECT
10. 한 위치의 문자열을 다른 위치의 문자열과 비교하는 어셈블리어 명령은?
① REPE
② CMPS
③ SCAS
④ MOVS
11. 어셈블리어의 특징으로 옳지 않은 것은?
① 어셈블리어는 모든 컴퓨터 기종에 공통으로 적용할 수 있다.
② 어셈블리어는 기계어에 가까운 언어이다.
③ 어셈블리어는 기계어와 1대 1로 대응시켜서 표현한 기호식 표기법이다.
④ 어셈블리어에서는 데이터가 기억된 번지를 기호(symbol)로 지정한다.
12. C언어의 printf() 함수에서 실수를 출력할 때 사용하는 형식지정자는?
① %c
② %d
③ %f
④ %s
13. 원시프로그램을 번역할 때 어셈블러에게 요구되는 동작을 지시하는 명령으로서 기계어로 번역되지 않는 명령어를 무엇이라고 하는가?
① macro instruction
② machine instruction
③ operand instruction
④ pseudo instruction
14. 객체지향 기법에서 하나 이상의 유사한 객체들을 묶어서 하나의 공통된 특성을 표현한 것으로 자료 추상화의 개념으로 볼 수 있는 것은?
① 메소드
② 메시지
③ 클래스
④ 인스턴스
15. 시스템 프로그래밍에 가장 적합한 언어는?
① BASIC
② COBOL
③ FORTRAN
④ C
16. C 언어에서 이스케이프 문자의 의미가 잘못된 것은?
① \f : 16진수로 표현
② \n : 커서를 다음 줄 앞으로 이동
③ \b : 문자를 출력하고 뒤로 한 칸 이동
④ \t : 커서를 일정 간격만큼 수평 이동
17. 하나의 오퍼랜드에 호출할 가로채기 벡터의 번호를 표현하여 가로채기를 요청하는 어셈블리어 명령은?
① TITLE
② INC
③ INT
④ REP
18. 작성된 표현식이 BNF의 정의에 의해 바르게 작성되었는지를 확인하기 위하여 만든 트리는?
① menu tree
② king tree
③ parse tree
④ home tree
19. 기계어에 대한 설명으로 옳지 않은 것은?
① 각 컴퓨터마다 모두 같은 기계어를 가진다.
② 컴퓨터가 해석할 수 있는 1 또는 0의 2진수로 이루어진다.
③ 실행할 명령, 데이터, 기억 장소의 주소 등을 포함한다.
④ 프로그램 작성이 어렵고 복잡하다.
20. 프로그램 수행 순서로 옳은 것은?
① 컴파일러 → 목적 프로그램 → 원시 프로그램
② 원시 프로그램 → 목적 프로그램 → 컴파일러
③ 목적 프로그램 → 원시 프로그램 → 컴파일러
④ 원시 프로그램 → 컴파일러 → 목적 프로그램
21. 데이터 전송에서 오류 발생의 주된 원인으로 거리가 가장 먼 것은?
① 신호 감쇠 현상
② 지연 왜곡
③ 잡음
④ 채널 수
22. OSI참조모델에서 종단 간 메시지 전달 서비스를 담당하는 계층은?
① 물리 계층
② 트랜스포트 계층
③ 데이터 링크 계층
④ 세션 계층
23. 패킷교환 방식에 대한 설명으로 틀린 것은?
① 데이터 그램과 가상회선 방식으로 구분된다.
② 저장 전달 방식을 사용한다.
③ 전송하려는 각 패킷에는 헤더가 부착된다.
④ 전송할 수 있는 패킷의 길이는 제한이 없다.
24. TCP/IP 관련 프로토콜 중 응용계층에 해당하지 않는 것은?
① SMTP
② FTP
③ ICMP
④ SNMP
25. A와 B 사이에서 인터네트워킹을 위한 브리지(Bridge)의 일반적 기능으로 옳지 않은 것은?
① 네트워크 A에서 전송한 모든 프레임을 읽고, 네트워크 B로 주소가 지정된 프레임들을 받아들인다.
② 네트워크 B에 대한 매체 접근 제어 프로토콜을 사용하여 네트워크 B에게로 프레임을 재전송한다.
③ OSI 참조 모델의 데이터 링크 계층에 해당하는 것으로 LAN프로토콜 중 MAC 계층을 지원한다.
④ 네트워크 A에서 송신한 프레임의 내용과 형식을 수정한다.
26. 각 채널별로 타임슬롯을 사용하나 데이터를 전송하고자 하는 채널에 대해서만 슬롯을 유동적으로 배정하며, 비트블록에 데이터뿐만 아니라 목적지 주소에 대한 정보도 포함하는 다중화방식은?
① 파장 분할 다중화방식(WDM)
② 통계적 시분할 다중화방식(STDM)
③ 주파수 분할 다중화방식(FDM)
④ 코드 분할 다중화방식(CDM)
27. 데이터 링크 제어 문자 중 수신측에서 송신측으로 부정 응답으로 보내는 것은?
① NAK
② STX
③ ACK
④ ENQ
28. 호스트의 물리적 주소로부터 IP 주소를 구할 수 있도록 하는 프로토콜은?
① ARP
② FTP
③ IGMP
④ RARP
29. ITU-T 표준인 X.25가 정의하고 있는 것은?
① 경로 설정 알고리즘 정의
② 동기식 1200bps 변복조기 정의
③ 전용 회선을 위한 4800bps 변복조기 정의
④ 사용자 장치(DTE)와 패킷 네트워크 노드(DCE) 간의 데이터 교환 절차 정의
30. 여러 신호를 전송 매체의 서로 다른 주파수 대역을 이용하여 동시에 전송하는 것은?
① 시분할 다중화
② 주파수 분할 다중화
③ 동기식 전송
④ 비동기식 전송
31. 다음 자료를 버블 정렬을 이용하여 오름차순으로 정렬할 경우 1회전 후의 결과는?
자료 : 8, 5, 6, 2, 4
① 5, 8, 6, 2, 4
② 2, 8, 5, 6, 4
③ 5, 6, 2, 4, 8
④ 5, 2, 4, 6, 8
32. 선형 구조에 해당하지 않는 것은?
① 데크
② 큐
③ 스택
④ 트리
33. 분산 데이터베이스 시스템에 대한 설명으로 옳지 않은 것은?
① 소프트웨어 개발 비용이 감소한다.
② 지역 자치성이 높다.
③ 자료의 공유성이 향상된다.
④ 신뢰성 및 가용성이 높다.
34. 색인 순차 파일의 색인 구역에 해당하지 않는 것은?
① Track Index Area
② Cylinder Index Area
③ Master Index Area
④ Overflow Index Area
35. 트랜잭션의 특성에 해당하지 않는 것은?
① Isolation
② Consistency
③ Atomicity
④ Distribution
36. 데이터베이스의 등장 배경으로 거리가 먼 것은?
① 물리적인 주소가 아닌 데이터 값에 의한 검색을 수행하고 싶었다.
② 여러 사용자가 데이터를 공유해야 할 필요가 생겼다.
③ 데이터의 가용성 증가를 위해 중복을 허용하고 싶었다.
④ 데이터의 수시적인 구조 변경에 대해 응용 프로그램을 매번 수정하는 번거로움을 줄여보고 싶었다.
37. 데이터베이스의 특성으로 옳지 않은 것은?
① 실시간 접근성(Real-Time Accessibility)
② 계속적 변화(Continuous Evolution)
③ 동시 공유(Concurrent Sharing)
④ 주소에 의한 참조(Location Reference)
38. 스택의 응용 분야와 거리가 먼 것은?
① 인터럽트의 처리
② 운영체제의 작업 스케줄링
③ 부프로그램 호출 시 복귀주소 저장
④ 컴파일러를 이용한 언어번역
39. 다음 트리를 전위 순회(Pre-Order Traversal)할 경우 세 번째로 탐색하는 노드는?
① A
② B
③ D
④ F
40. 데이터베이스 설계 단계로 옳은 것은?
① 요구조건분석 → 논리설계 → 개념설계 → 물리설계
② 요구조건분석 → 개념설계 → 논리설계 → 물리설계
③ 개념설계 → 요구조건분석 → 물리설계 → 논리설계
④ 개념설계 → 요구조건분석 → 논리설계 → 물리설계
41. 전파지연(propagation delay)에 대한 설명으로 옳지 않은 것은?
① gate상의 operating speed는 propagation delay에 반비례한다.
② 전파지연은 ALU path에서 가장 짧은 delay를 말한다.
③ 더 빠른 gate를 사용함으로써 propagation delay time을 줄일 수 있다.
④ ALU의 parallel-adder에 전파지연을 줄이기 위해 carry lock ahead를 사용한다.
42. 불 함수식 F = (A+B)·(A+C)를 간략화 한 것은?
① F = A+BC
② F = B+AC
③ F = A+AC
④ F = C+AB
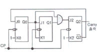
43. 다음 회로의 명칭은?
① 동기식 3진 카운터
② 동기식 4진 카운터
③ 동기식 5진 카운터
④ 동기식 6진 카운터
44. 폰 노이만(von neumann)형의 컴퓨터 연산장치가 갖는 기능에 속하지 않는 것은?
① 제어 기능
② 함수연산 기능
③ 전달 기능
④ 번지 기능
45. 짝수 패리티 비트의 해밍 코드로 0011011을 받았을 때 오류가 수정된 정확한 코드는?
① 0111011
② 0001011
③ 0011001
④ 0010101
46. 인터럽트 처리 루틴의 순서로 올바른 것은?
㉠ 현재 상태 보존
㉡ 인터럽트 형식
㉢ 요청 인터럽트 서비스로 분기 및 서비스
㉣ 사용자 상태 복구 및 재개
① ㉠→㉡→㉢→㉣
② ㉡→㉢→㉠→㉣
③ ㉡→㉠→㉣→㉢
④ ㉡→㉠→㉢→㉣
47. 인터럽트 서비스 루틴의 기능이 아닌 것은?
① 처리기 상태 복구
② 인터럽트 원인 결정
③ 처리기 레지스터의 상태 보존
④ 상대적으로 높은 레벨의 마스크 레지스터 클리어
48. 컴퓨터의 메모리 용량이 4096워드이고, 워드당 16bit의 데이터를 갖는다면 MAR은 몇 비트인가?
① 12
② 16
③ 18
④ 20
49. 제어장치를 구현하는 제어 방식이 아닌 것은?
① 상태 플립플롭 제어 방식
② RAM(random access memory) 제어 방식
③ PLA(programmable logic array) 제어 방식
④ 마이크로프로그램 제어 방식
50. Flynn의 컴퓨터 시스템 분류 제안 중에서 하나의 데이터 흐름이 다수의 프로세서들로 전달되며, 각 프로세서는 서로 다른 명령어를 실행하는 구조는?
① 단일 명령어, 단일 데이터 흐름
② 단일 명령어, 다중 데이터 흐름
③ 다중 명령어, 단일 데이터 흐름
④ 다중 명령어, 다중 데이터 흐름
51. 미소의 콘덴서에 전하를 충전하는 원리를 이용하는 메모리로, 재충전(Refresh)이 필요한 메모리는?
① SRAM
② DRAM
③ PROM
④ EPROM
52. 다중처리기에 의한 시스템을 구성할 때 고려사항이 아닌 것은?
① 메모리 충돌문제
② 메모리 용량문제
③ 캐시 일관성 문제
④ 메모리 접근의 효율성 문제
53. 다음 [그림]에서 F를 A, B의 부울식으로 나타내면? (단, 그림에서 X는 선의 절단을 표시함)
54. FETCH 메이저 상태에서 수행되는 마이크로오퍼레이션이 아닌 것은?
① MAR ← PC : PC의 값은 MAR로 이동
② PC ← PC+b : PC의 값을 인스트럭션의 바이트 수 b만큼 증가
③ IR ← MBR(OP) : MBR에서 연산(operation) 부분을 인스트럭션 레지스터로 옮김
④ IEN ← 0 : 인터럽트를 disable 시킴
55. 캐시와 주기억장치로 구성된 컴퓨터에서 주기억장치의 접근 시간이 200ns, 캐시 적중률이 0.9, 평균 접근시간이 30ns일 때 캐시 메모리의 접근 시간은?
① 9ns
② 10ns
③ 11ns
④ 12ns
56. 메모리 관리 하드웨어(MMU)의 기본적인 역할에 대한 설명으로 옳지 않은 것은?
① 논리 주소를 물리 주소로 변환
② 허용되지 않는 메모리 접근을 방지
③ 메모리 동적 재배치
④ 가상 주소 공간을 물리 주소 공간으로 압축
57. 기억장치에 기억된 정보를 액세스하기 위하여 주소를 사용하는 것이 아니라 기억된 정보의 일부분을 이용하여 원하는 정보를 찾는 것은?
① Random Access Memory
② Associative Memory
③ Read Only Memory
④ Virtual Memory
58. CISC 구조와 RISC구조를 비교하였을 때, RISC 구조의 특징으로 틀린 것은?
① 명령어가 복잡하다.
② 프로그램 길이가 길다.
③ 레지스터 개수가 많다.
④ 파이프라인 구현이 용이하다.
59. 실행 사이클에서 다음 마이크로 연산이 나타내는 동작은?
MAR ← MBR(addr)
MBR ← M(MAR), AC ← 0
AC ← AC + MBR
① ADD to AC
② OR to AC
③ STORE to AC
④ LOAD to AC
60. 버스 클록(clock)이 2.5GHz이고, 데이터 버스의 폭이 8비트인 버스의 대역폭에 가장 근접한 것은?
① 약 25GBytes/s
② 약 16GBytes/s
③ 약 2.5GBytes/s
④ 약 1.6GBytes/s
61. 운영체제의 대한 설명으로 옳지 않은 것은?
① 다중 사용자와 다중 응용프로그램 환경 하에서 자원의 현재 상태를 파악하고 자원분배를 위한 스케줄링을 담당한다.
② CPU, 메모리 공간, 기억 장치, 입/출력 장치 등의 자원을 관리한다.
③ 운영체제의 종류로는 매크로 프로세서, 어셈블러, 컴파일러 등이 있다.
④ 입출력 장치와 사용자 프로그램을 제어한다.
62. 운영체제의 성능평가 요인 중 다음 설명에 해당하는 것은?
이것은 컴퓨터 시스템 내의 한정된 각종 자원을 여러 사용자가 요구할 때, 어느 정도 신속하고 충분히 지원해 줄 수 있는지의 정도이다. 이는 사용 가능한 하드웨어 자원의 수나 다중 프로그래밍 정도 등의 요소가 좌우하는 것으로 같은 종류의 시스템 자원수가 많을 경우에는 이것이 높아질 수 있다.
① Throughput
② Availability
③ Turn around Time
④ Reliability
63. 분산 운영체제에 대한 설명으로 옳지 않은 것은?
① 자원 공유
② 연산속도 향상
③ 신뢰성 증대
④ 보안성 향상
64. 은행가 알고리즘은 다음 교착상태 관련 연구 분야 중 어떤 분야에 속하는 가?
① 예방
② 발견
③ 회피
④ 회복
65. UNIX의 특징으로 옳지 않은 것은?
① 하나 이상의 작업에 대하여 백그라운드에서 수행 가능하다.
② Multi-Tasking은 지원하지만 Multi-User는 지원하지 않는다.
③ 트리 구조의 파일 시스템을 갖는다.
④ 이식성이 높으며 장치 간의 호환성이 높다.
66. 다중 처리기 운영체제 구성에서 주/중(Master/Slave) 처리기 에 대한 설명으로 옳지 않은 것은?
① 주 프로세서가 고장날 경우에도 전체 시스템은 작동한다.
② 비대칭 구조를 갖는다.
③ 종 프로세서는 입출력 발생 시 주 프로세서에게 서비스를 요청한다.
④ 주 프로세서는 운영체제를 수행한다.
67. 보안 유지 방식 중 사용자의 신원을 확인한 후 권한이 있는 사용자에게만 시스템에 접근하게 하는 방법은?
① 운용보안
② 시설보안
③ 사용자 인터페이스보안
④ 내부보안
68. 메모리 관리 기법 중 Worst fit 방법을 사용할 경우 10K 크기의 프로그램 실행을 위해서는 어느 부분이 할당 되는가?
① NO.2
② NO.3
③ NO.4
④ NO.5
69. HRN 방식으로 스케줄링 할 경우, 입력된 작업이 다음과 같을 때 우선순위가 가장 높은 순서부터 차례로 옳게 나열한 것은?
① B→A→C→D
② B→A→D→C
③ C→D→A→B
④ D→C→A→B
70. 초기 헤드 위치가 50 이며 트랙 0번 방향으로 이동 중이었다. 디스크 대기 큐에 다음과 같은 순서의 액세스 요청이 대기 중일 때, SSTF 스케줄링 사용하여 모든 처리를 완료하고자 한다. 가장 먼저 처리되는 트랙은? (단, 트랙 가장 안쪽 트랙 0, 가장 바깥쪽 트랙 200)
대기 큐 : 100, 180, 40, 120, 0, 130, 55, 80, 51, 200
① 0
② 40
③ 51
④ 200
71. UNIX 시스템에서 커널의 수행기능에 해당하지 않는 것은?
① 프로세스 관리
② 기억장치 관리
③ 입출력 관리
④ 명령어 해석
72. 운영체제의 목적이 아닌 것은?
① 처리 능력의 향상
② 반환 시간의 최대화
③ 사용 가능도 증대
④ 신뢰도 향상
73. 페이징 기법과 세그먼테이션 기법에 대한 설명으로 옳지 않은 것은?
① 페이징 기법에서는 주소 변환을 위한 페이지 맵 테이블이 필요하다.
② 페이지 크기로 일정하게 나누어진 주기억장치의 단위를 페이지 프레임이라고 한다.
③ 페이징 기법에서는 하나의 작업을 다양한 크기의 논리적인 단위로 나눈 후 주기억장치에 적재시켜 실행한다.
④ 세그먼테이션 기법을 이용하는 궁극적인 이유는 기억공간을 절약하기 위해서이다.
74. RR(Round Robin) 스케줄링에 대한 설명으로 옳지 않은 것은?
① Time slice가 작을 경우 문맥교환이 자주 일어한다.
② Time Sharing System을 위해 고안된 방식이다.
③ FCFS 알고리즘을 선점 형태로 변형한 기법이다.
④ 우선순위는 “(대기시간+서비스시간)/서비스시간”의 계산으로 처리한다.
75. 파일 디스크립터(File Descriptor)에 대한 설명으로 옳지 않은 것은?
① 파일 관리를 위한 파일 제어 블록이다.
② 시스템에 따라 다른 구조를 가질 수 있다.
③ 보조기억장치에 저장되어 있다가 파일이 개방될 때 주기억장치로 옮겨진다.
④ 사용자의 직접 참조가 가능하다.
76. 프로세스 제어 블록을 갖고 있으며, 현재 실행 중이거나 곧 실행 가능하며, CPU를 할당받을 수 있는 프로그램으로 정의할 수 있는 것은?
① 워킹 셋
② 세그먼테이션
③ 모니터
④ 프로세스
77. UNIX에서 파일 내용을 화면에 표시하는 명령과 파일의 소유자를 변경하는 명령을 순서적으로 옳게 나열한 것은?
① dir, chown
② cat, chown
③ type, chmod
④ type, cat
78. 4개의 페이지를 수용할 수 있는 주기억장치가 있으며, 초기에는 모두 비어 있다고 가정한다. 다음의 순서로 페이지 참조가 발생할 때, FIFO 페이지 교체 알고리즘을 사용할 경우 페이지 결함의 발생 횟수는?
페이지 참조 순서 : 1, 2, 3, 1, 2, 4, 5, 1, 2, 3, 4
① 6회
② 7회
③ 8회
④ 9회
79. 프로세서의 상호 연결 구조 중 하이퍼 큐브 구조에서 각 CPU가 3개의 연결점을 가질 경우 총 CPU의 개수는?
① 2
② 3
③ 4
④ 8
80. 여러 사용자들이 공유하고자 하는 파일들을 하나의 디렉토리 또는 일부 서브트리에 저장해 놓고 여러 사용자들이 이를 같이 사용할 수 있도록 지원하기 위한 가장 효율적인 디렉토리 구조는?
① 비순환 그래프 디렉토리 구조
② 트리 디렉토리 구조
③ 1단계 디렉토리 구조
④ 2단계 디렉토리 구조
81. 스택 작동 명령어의 번지 지정 방식은?
① 묵시적 기법(implied mode)
② 레지스터 기법(register mode)
③ 상대 번지(relative addressing) 기법
④ 실효 번지(effective addressing) 기법
82. 어느 프로그램 중 0123번지에 CALL A 명령이 있다. 이 CALL A를 수행한 후 PC에 기억된 값은? (단, 명령어의 길이는 8비트이다.)
① 0123
② 0124
③ 0131
④ 1300
83. 마이크로프로그램에 관한 설명으로 틀린 것은?
① 마이크로 인스트럭션으로 구성되어 있다.
② 제어장치에 이용하는 경향이 있다.
③ 마이크로프로그램은 중앙처리장치에 기억된다.
④ 대규모 집적회로의 이용이 가능해서 제어기의 비용이 절감된다.
84. 1K×1비트 용량의 RAM에 사용되는 어드레스 디코더의 입력 어드레스 라인의 개수는?
① 10
② 9
③ 8
④ 7
85. 주변장치에 대하여 isolated I/O 방식을 사용하는 시스템의 동작 설명으로 틀린 것은?
① IN, OUT 등의 특정한 I/O 명령어를 가진다.
② 메모리 전송인지 입출력 전송인지를 구별하기 위한 별도의 분리된 제어선이 필요하다.
③ 동일 어드레스가 메모리와 I/O 장치에 중복 사용될 수 있다.
④ 메모리 요구 명령어로 I/O 장치 요구 명령을 할 수 있다.
86. 마이크로컴퓨터를 위한 프로그램을 개발 할 때, 다른 컴퓨터를 이용하여 타겟 마이크로컴퓨터시스템의 시스템 및 응용소프트웨어 등을 개발 할 수 있도록 하는 것은?
① cross assembler
② debugger
③ screen editor
④ simulator
87. 다음 중 CMOS형 IC의 특징은?
① 소비 전력이 크다.
② 잡음 여유도가 크다.
③ P형이나 N형보다 공정이 간단하다.
④ 전원 전압 범위가 적다.
88. 연계 편집 프로그램(linking editor)이 목적 프로그램을 입력으로 읽을 때 출력으로 생성하는 프로그램은?
① 로드 프로그램(load program)
② 유틸리티 프로그램(utility program)
③ 매칭 프로그램(matching program)
④ 서비스 프로그램(service program)
89. 전자계산기의 제어 상태 중 명령을 인출하여 해독하는 단계인 Fetch State에 대한 마이크로 오퍼레이션이다. ( )안의 ㉮, ㉯에 들어갈 내용이 바르게 나열된 것은?
MAR ← ( ㉮ )
MBR ← M(MAR), ( ㉯ )
IR ← MBR(OP), I ← MBR(M)
goto Indirect state or Execute state
① ㉮ PC, ㉯ PC ← PC+1
② ㉮ IR, ㉯ IR ← IR+1
③ ㉮ MBR, ㉯ PC ← PC+1
④ ㉮ PC, ㉯ MAR ← PC+1
90. 256×2램(RAM)으로 주소 (1000)₁₆~(17FF)₁₆ 사이의 기억장치를 구성하려면, 필요한 램의 개수는? (단, 기억장치 한 번지는 8비트로 되어 있다.)
① 8
② 16
③ 32
④ 64
91. 누산기(accumulator)를 clear하고자 할 때 사용하면 효과적인 명령어는?
① EX-OR
② SHIFT
③ ROTATE
④ EXCHANGE
92. 순서도는 일반적으로 표시되는 정보에 따라 종류를 구분하게 되는데 다음 중 순서도에 해당되지 않는 것은?
① 시스템 순서도(system flowchart)
② 일반 순서도(general flowchart)
③ 세부 순서도(detail flowchart)
④ 실체 순서도(entity flowchart)
93. 일반적으로 8비트 마이크로프로세서(microprocessor)라 할 때 그 길이가 8비트인 것은?
① 누산기(Accumulator)
② 프로그램 카운터(Program Counter)
③ 스택 포인터(Stack Pointer)
④ 어드레스 레지스터(Address Register)
94. 마이크로컴퓨터를 구성하는 주요 버스가 아닌 것은?
① 검사 버스(test bus)
② 데이터 버스(data bus)
③ 주소 버스(address bus)
④ 제어 버스(control bus)
95. DRM(Dynamic Random Access Memory)에 대한 설명으로 옳은 것은?
① Content Addressable 메모리이다.
② 전원이 끊어져도 메모리 상태는 지워지지 않는다.
③ 주기적으로 메모리를 refresh 해야 한다.
④ Dynamic Relocation이 용이한 메모리이다.
96. 데이터의 저장 명령으로부터 기억 장치에 저장하기 위하여 기억 장치에 데이터가 전송될 때까지의 시간을 의미하는 것은?
① data transmission time
② access time
③ seek time
④ latency time
97. 가변 헤드 디스크(moving head disk)에서의 탐색(seek) 시간을 옳게 설명한 것은?
① 디스크의 초당 회전 시간을 말한다.
② 첫 번째 트랙에서 마지막 트랙까지 헤드를 옮기는 시간이다.
③ 원하는 정보를 기억하고 있는 실린더에 접근하기 위해서 헤드를 옮기는데 소요되는 시간이다.
④ 트랙과 이웃 트랙까지 헤드를 옮기는 시간이다.
98. 중앙처리장치의 제어를 필요로 하지 않는 입/출력 방법은?
① 메모리 맵에 의한 입/출력
② DMA에 의한 입/출력
③ 인터럽트 제어에 의한 입/출력
④ 프로그램 제어에 의한 입/출력
99. CPU와 주변장치 사이의 입·출력 방법이 아닌 것은?
① Handshaking
② DMA
③ Polling
④ Load on Call
100. MAR에 관한 설명으로 옳은 것은?
① 프로그램 카운터의 일부이다.
② 프로그램 카운터와 관계없다.
③ 프로그램 카운터와 MAR의 기능은 전혀 다르다.
④ 프로그램 카운터의 내용이 MAR로 전달된다.
다음검색

위 문제 파일(답안 포함) 다운로드 및 CBT 응시 - 도타비 문제은행