2016년 2회 컴퓨터응용밀링기능사 필기 기출문제 모의고사

작성자건시스템|작성시간16.06.24|조회수789 목록 댓글 0
[컴퓨터응용밀링기능사 필기 학습 콘텐츠(기출문제 CBT) 카페 자료실 안내]
아래 "국가기술자격 필기 도타비 문제은행"에 링크된 문제은행 목차에서 '컴퓨터응용밀링기능사'를 선택하시면 최근까지 출제된 기출문제 파일 내려받기 및 CBT(자동채점, 틀린 문제 다시 풀기, 랜덤모의고사 등)를 활용하실 수 있습니다.
기출문제 재구성 모의고사는 한국산업인력공단에서 공개한 시험문제를 문제 순서와 일부 지문은 적절히 수정하였으나 출제의도로 볼 수 있는 키워드 및 사전적 정의는 유지하였고, 답항 순서와 일부 지문을 적절히 수정하였으나 답안에 해당하는 지문, 용어, 이미지는 유지하여 작성하였습니다.
1. 보통 주철에 비하여 규소가 적은 용선에 적당량의 망간을 첨가하여 금형에 주입하면 금형에 접촉된 부분은 급랭되어 아주 가벼운 백주철로 되는데 이러한 주철을 무엇이라고 하는가?
① 가단주철
② 칠드주철
③ 고급주철
④ 합금주철

2. 연신율과 단면 수축률을 시험할 수 있는 재료 시험기는?
① 피로시험기
② 충격시험기
③ 인장시험기
④ 크리프시험기

3. 베어링 재료의 구비조건이 아닌 것은?
① 융착성이 좋을 것
② 피로강도가 클 것
③ 내식성이 강할 것
④ 내열성을 가질 것

4. 스테인리스강의 종류에 해당되지 않는 것은?
① 페라이트계 스테인리스강
② 펄라이트계 스테인리스강
③ 마텐자이트계 스테인리스강
④ 오스테나이트계 스테인리스강

5. 펄라이트 주철이며 흑연을 미세화 시켜 인장강도를 245MPa 이상으로 강화시킨 주철로서 피스톤에 가장 적합한 주철은?
① 보통 주철
② 고급 주철
③ 구상흑연 주철
④ 가단주철

6. 주석(Sn), 아연(Zn), 납(Pb), 안티몬(Sb)의 합금으로, 주석계 메탈을 배빗메탈이라 하며 내연기관을 비롯한 각종 기계의 베어링에 가장 널리 사용되는 것은?
① 켈밋
② 합성수지
③ 트리메탈
④ 화이트메탈

7. 표준조성이 Cu-4%, Ni-2%, Mg-1.5% 함유하고 있는 Al-Cu-Ni-Mg계의 알루미늄 합금은?
① Y합금
② 문쯔메탈
③ 활자합금
④ 엘린바

8. 평벨트 전동장치와 비교하여 V벨트 전동장치의 장점에 대한 설명으로 틀린 것은?
① 엇걸기로도 사용이 가능하다.
② 미끄럼이 적고 속도 비를 크게 할 수 있다.
③ 운전이 정숙하고 충격을 완화하는 작용을 한다.
④ 비교적 작은 장력으로 큰 회전력을 전달할 수 있다.

9. 12kN-m의 토크를 받는 축의 지름은 약 몇 ㎜ 이상이어야 하는가?(단, 허용 비틀림 응력은 50MPa이라 한다.)
① 84
② 107
③ 126
④ 145

10. 나사의 풀림 방지법에 속하지 않는 것은?
① 스프링 와셔를 사용하는 방법
② 로크너트를 사용하는 방법
③ 부시를 사용하는 방법
④ 자동 조임 너트를 사용하는 방법

11. 둥근 봉을 비틀 때 생기는 비틀림 변형을 이용하여 만드는 스프링은?
① 코일 스프링
② 벌류트 스프링
③ 접시 스프링
④ 토션 바

12. 애크미 나사라고도 하며 나사산의 각도가 인치계에서는 29°이고, 미터계에서는 30°인 나사는?
① 사다리꼴나사
② 미터 나사
③ 유티파이 나사
④ 너클 나사

13. 모듈 5이고 잇수가 각각 40개와 60개인 한 쌍의 표준 스퍼기어에서 두 축의 중심거리는?
① 100㎜
② 150㎜
③ 200㎜
④ 250㎜

14. 고압 탱크나 보일러의 리벳이음 주위에 코킹(caulking)을 하는 주목적은?
① 강도를 보강하기 위해서
② 기밀을 유지하기 위해서
③ 표면을 깨끗하게 유지하기 위해서
④ 이음 부위에 파손을 방지하기 위해서

15. SI단위계의 물리량과 단위가 틀린 것은?
① 힘 - N
② 압력 - Pa
③ 에너지 - dyne
④ 일률 - w

16. 기계제도에서 사용되는 재료기호 SM20C의 의미는?
① 기계 구조용 탄소 강재
② 합금 공구강 강재
③ 일반 구조용 압연 강재
④ 탄소 공구강 강재

17. 투상법을 나타내는 기호 중 제 3각법을 의미하는 기호는?


18. 제 3각법에 의한 그림과 같은 정투상도의 입체도로 가장 적합한 것은?


19. 다음 중 스퍼기어의 도시법으로 옳은 것은?
① 잇봉우리원은 가는 실선으로 그린다.
② 잇봉우리원은 굵은 실선으로 그린다.
③ 이골원은 가는 1점 쇄선으로 그린다.
④ 이골원은 가는 2점 쇄선으로 그린다.

20. 면의 지시 기호에 대한 각 지시 기호의 위치에서 가공 방법을 표시하는 위치로 옳은 것은?

① a
② c
③ d
④ e

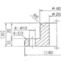
21. 다음 그림에 대한 설명으로 옳은 것은?

① 참고 치수로 기입한 곳이 2공이 있다.
② 45° 모떼기의 크기는 4㎜이다.
③ 지름이 10㎜인 구멍이 한 개 있다.
④ □80은 한 변의 길이가 80㎜인 정사각형이다.

22. 30° 사다리꼴나사의 종류를 표시하는 기호는?
① Rc
② Rp
③ TW
④ TM

23. 그림과 같은 치수 기입법의 명칭은?

① 직렬 치수 기입법
② 누진 치수 기입법
③ 좌표 치수 기입법
④ 병렬 치수 기입법

24. 그림과 같이 키 홈, 구멍 등 해당부분 모양만을 도시하는 것으로 충분한 경우 사용하는 투상도로 투상 관계를 나타내기 위하여 주된 그림에 중심선, 기준선, 치수 보조선 등을 연결하여 나타내는 투상도는?

① 가상 투상도
② 요점 투상도
③ 국부 투상도
④ 회전 투상도

25. 기계부품을 조립하는데 있어서 치수공차와 기하공차의 호환성과 관련한 용어 설명 중 옳지 않은 것은?
① 최대 실체 조건(MMC)은 한계치수에서 최소 구멍 지름과 최대 축 지름과 같이 몸체의 형체의 실체가 최대인 조건
② 최대 실체 가상 크기(MMVS)는 같은 몸체 형태의 유도 형체에 대해 주어진 몸체 형체와 기하 공차의 최대 실체 크기의 집합적 효과에 의해서 만들어진 크기
③ 최대 실체 요구사항(MMR)은 LMVS와 같은 본질적 특성(치수)에 대해 주어진 값을 가지고 있으며, 같은 형식과 완전한 형상의 기하학적 형체를 정의하는 몸체 형체에 대한 요구사항으로 실체의 내부에 비이상적 형체를 제한
④ 상호 요구사항(RPR)은 최대 실체 요구사항(MMR) 또는 최소 실체 요구사항(LMR)에 대한 부가적 요구사항

26. 다음 중 한계 게이지에 속하는 것은?
① 사인바
② 마이크로미터
③ 플러그 게이지
④ 버니어 캘리퍼스

27. 다음 그림과 같은 공작물의 테이퍼를 심압대를 이용하여 가공할 때 편위량은 몇 ㎜인가?

① 20
② 30
③ 40
④ 60

28. 밀링머신에서 소형공작물을 고정할 때 주로 사용하는 부속품은?
① 바이스
② 어댑터
③ 마그네틱 척
④ 슬로팅 장치

29. 마찰면이 넓거나 시동되는 횟수가 많을 때 지속, 중속 축에 사용되는 급유법은?
① 담금 급유법
② 적하 급유법
③ 패드 급유법
④ 핸드 급유법

30. 다음 밀링 커터 형상에 대한 설명 중 옳은 것은?

① A각을 크게 하면 마멸은 감소한다.
② B각을 크게 하면 날이 강하게 된다.
③ B각을 크게 하면 절삭 저항은 증가한다.
④ A각은 단단한 일감은 크게 하고, 연한 일감은 작게 한다.

31. 연삭 숫돌입자에 눈무딤이나 눈메움 현상으로 연삭성이 저하될 때 하는 작업은?
① 시닝(thining)
② 리밍(remming)
③ 드레싱(dressing)
④ 트루잉(truing)

32. 밀링 머신에 의한 가공에서 상향 절삭과 하향 절삭을 비교한 설명으로 옳은 것은?
① 상향 절삭 시 가공면이 하향 절삭 가공면보다 깨끗하다.
② 상향 절삭 시 커터 날이 공작물을 향하여 누르므로 고정이 쉽다.
③ 하향 절삭 시 커터 날의 마찰 작용이 적으므로 날의 마멸이 적고 수명이 길다.
④ 하향 절삭은 커터 날의 절삭 방향과 공작물의 이송방향의 관계상 이송기구의 백래시가 자연히 제거된다.

33. 다음 중 나사의 피치를 측정할 수 있는 것은?
① 사인 바
② 게이지 블록
③ 공부 현미경
④ 서피스 게이지

34. 공구 마모의 종류 중 유동형 칩이 공구 경사면 위를 미끄러질 때, 공구 윗면에 오목파진 부분이 생기는 현상은?
① 치핑
② 여유면 마모
③ 플랭크 마모
④ 크레이터 마모

35. 다음 중 M10x1.5탭 작업을 위한 기초 구멍 가공용 드릴의 지름으로 가장 적합한 것은?
① 7㎜
② 7.5㎜
③ 8㎜
④ 8.5㎜

36. 다음 기계공작법의 분류에서 절삭가공에 속하지 않는 가공법은?
① 래핑
② 인발
③ 호빙
④ 슈퍼 피니싱

37. 다음 중 연강과 같은 연질의 공작물을 초경합금바이트로써 고속 절삭을 할 때에는 칩(chip)이 연속적으로 흘러나오게 되어 위험하므로 칩을 짧게 끊기 위한 방법으로 가장 적합한 것은?
① 절삭유를 주입한다.
② 절삭속도를 높인다.
③ 칩을 손으로 긁어낸다.
④ 칩 브레이커를 사용한다.

38. 센터리스 연삭기의 특징으로 틀린 것은?
① 대량 생산에 적합하다.
② 연삭 여유가 작아도 된다.
③ 속이 빈 원통을 연삭할 때 적합하다.
④ 공작물의 지름이 크거나 무거운 경우에는 연삭 가공이 쉽다.

39. 공구는 상하 직선 왕복운동을 하고 테이블은 수평면에서 직선운동과 회전운동을 하여 키 홈, 스플라인, 세레이션 등의 내경가공을 주로 하는 공작기계는?
① 슬로터
② 플레이너
③ 호빙 머신
④ 브로칭 머신

40. 다음 중 디스크, 플랜지 등 길이가 짧고 지름이 큰 공작물 가공에 가장 적합한 선반은?
① 공구 선반
② 정면 선반
③ 탁상 선반
④ 터릿 선반

41. 다음 중 구성인선(built-up-edge)의 방지대책으로 옳은 것은?
① 절삭 깊이를 작게 한다.
② 윗면 경사각을 작게 한다.
③ 절삭유제를 사용하지 않는다.
④ 재결정 온도 이하에서만 가공한다.

42. 직사각형의 숫돌을 스프링으로 축에 방사형으로 부착한 원통형태의 공구로 회전운동과 동시에 왕복운동을 시켜, 원통의 내면을 가공하는 가공법은?
① 래핑
② 호닝
③ 숏 피닝
④ 배럴 가공

43. CNC공작기계에서 입력된 정보를 펄스화 시켜 서보기구에 보내어 여러 가지 제어역할을 하는 것은?
① 리졸버
② 서보모터
③ 컨트롤러
④ 볼 스크루

44. 다음 중 CNC선반에서 아래와 같이 절삭할 때, 단차제거를 위해 사용하는 기능은?

- 홈 가공할 때 회전당 이송으로 생기는 단차
- 드릴 가공을 할 때 간헐 이송에 의해 생기는 단차

① M00
② M02
③ G00
④ G04

45. CNC공작기계에서 일반적으로 많이 발생하는 알람해제 방법이 잘못 연결된 것은?
① 습동유 부족 - 습동유 보충 후 알람 해제
② 금지영역 침법 - 이송축을 안전위치로 이동
③ 프로그램 알람 - 알람 일람표 원인 확인 후 수정
④ 충돌로 인한 안전핀 파손 - 강도가 강한 안전핀으로 교환

46. 작업장 안전에 대한 내용으로서 틀린 것은?
① 방전가공 작업자의 발판을 고무 매트로 만들었다.
② 로봇의 회전 반경을 작업장 바닥에 페인트로 표시하였다.
③ 무인반송차(AGV) 이동 통로를 황색 테이프로 표시하여 주의하도록 하였다.
④ 레이저 가공시 안경이나 콘택트렌즈 착용자를 제외하고 전원에게 보안경을 착용하도록 하였다.

47. 머시닝센터에서 보링으로 가공한 내측 원의 중심을 공작물의 원점으로 세팅하려고 한다. 다음 중 원의 내측중심을 찾는데 적합하지 않은 것은?
① 아큐 센터
② 센터게이지
③ 인디케이터
④ 터치 센서(Touch Sensor)

48. CNC공작기계에 사용되는 서보모터가 구비하여야 할 조건 중 틀린 것은?
① 모터 자체의 안전성이 작아야 한다.
② 가ㆍ감속 특성 및 응답성이 우수해야 한다.
③ 빈번한 시동, 정지, 제동, 역전 및 저속회전의 연속작동이 가능해야 한다.
④ 큰 출력을 낼 수 있어야 하며, 설치위치나 사용 환경에 적합해야 한다.

49. 고정 사이클을 이용한 프로그램의 설명 중 틀린 것은?
① 다품종 소량생성에 적합하다.
② 메모리 용량을 적게 사용한다.
③ 프로그램을 간단히 작성할 수 있다.
④ 공구경로를 임의적으로 변경할 수 있다.

50. 선반 작업을 할 때 지켜야 할 안전수칙으로 틀린 것은?
① 돌리개는 가급적 큰 것을 사용한다.
② 편심된 가공물은 균형추를 부착시킨다.
③ 가공물 설치할 때는 전원을 끄고 장착한다.
④ 바이트는 기계를 정지시킨 다음에 설치한다.

51. 머시닝 센터에서 그림과 같이 1번 공구를 기준공구로 하고 G43을 이용하여 길이보정을 하였을 때 옳은 것은?

① 2번 공구의 길이 보정 값은 30이다.
② 2번 공구의 길이 보정 값은 -30이다.
③ 3번 공구의 길이 보정 값은 20이다.
④ 3번 공구의 길이 보정 값은 80이다.

52. CAD의 기본적인 명령 설명으로 올바른 것은?

잘못 그려졌거나 불필요한 요소를 없애는 기능으로 명령을 내린 후 없앨 요소를 선택하여 실행한다.

① 모따기(chamfer)
② 지우기(erase)
③ 복사하기(copy)
④ 선 그리기(line)

53. 그림과 같이 실제공구위치에서 좌표지정위치로 공구를 보정하고자 할 때 공구 보정량의 값은?

① X-1.2, Z-1.3
② X-2.0, Z-1.3
③ X-1.2, Z1.7
④ X-2.0, Z1.7

54. 다음 G-코드 중 메트릭(metric) 입력방식을 나타내는 것은?
① G20
② G21
③ G22
④ G23

55. 머시닝센터로 가공할 경우 고정 사이클을 취소하고 다음 블록부터 정상적인 동작을 하도록 하는 것은?
① G80
② G81
③ G98
④ G99

56. 아래 CNC선반 프로그램에서 지름이 20㎜인 지점에서의 주축 회전수는 몇 rpm 인가?

G50 X100. Z100. S2000 T0100 ;
G96 S200 M03 ;
G00 X20. Z3. T0303 ;

① 200
② 1500
③ 2000
④ 3185

57. CNC선반에서 G76과 동일한 가공을 할 수 있는 G-코드는?
① G90
② G92
③ G94
④ G96

58. CNC선반에서 일반적으로 기계 원점복귀(reference point return)를 실시하여야 하는 경우가 아닌 것은?
① 비상정지 버튼을 눌렀을 때
② CNC선반의 전원을 켰을 때
③ 정전 후 전원을 다시 공급하였을 때
④ 이송정지 버튼을 눌렀다가 다시 가공을 할 때

59. 머시닝센터 프로그램에서 그림과 같은 운동경로의 원호 보간은?

① G16 G02
② G17 G02
③ G18 G02
④ G19 G02

60. 아래는 프로그램 일부분을 나타낸 것이다. 준비기능 중 실행되는 유효한 G기능은?

G01 G02 G00 G03 X100 T250 R100 F200 ;

① G01
② G00
③ G03
④ G02
다음검색
현재 게시글 추가 기능 열기

댓글

댓글 리스트
맨위로

카페 검색

카페 검색어 입력폼