CAFE

HEX 3653 FM Radio DIY KIT

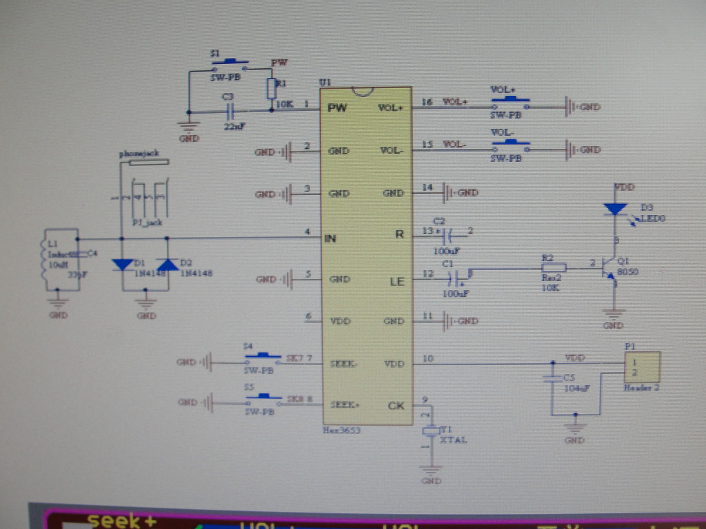
Hex3653 FM Radio

작성자유만길|작성시간13.06.28|조회수590 목록 댓글 7

 

 

 

 

 

 

 

 

다음검색
현재 게시글 추가 기능 열기
  • 북마크
  • 신고 센터로 신고

댓글

댓글 리스트
  • 답댓글 작성자유만길 작성자 본인 여부 작성자 | 작성시간 13.06.28 서울중심으로 25 ㅡ26 개방송국이 잇읍니다. 안테나 입력신호가
    약하면 말씀하시는 현상이 한두군데 생기는거 경험 햇읍니다
    우리카페 초급자용 FM Radio DIY Kit 도 비슷한 현상 생깁니다
  • 작성자나그네 | 작성시간 13.06.28 예전에 다이소 천원짜리 라디오 보면 대부분 필립스칩 중국호환칩이 대부분이던데 이칩은 오리지날이 어디일까요? DSP 라디오 같기도 합니다
  • 답댓글 작성자유만길 작성자 본인 여부 작성자 | 작성시간 13.06.29 인터넷에-찾아보고는 있읍니다만 --아직은 데이터 시트를 찾지 못했읍니다 올려놓은 자료가 제가 찾을수 있는
    가장 자세한 자료 입니다
  • 삭제된 댓글입니다.
  • 답댓글 작성자유만길 ( hl1iww ) 작성자 본인 여부 작성자 | 작성시간 14.02.03 수고 하셧읍니다
댓글 전체보기
맨위로

카페 검색

카페 검색어 입력폼