CAFE

유압프레스의 기본회로 압력스위치및 일방향 유량조절 밸브 압빼기의 응용 회로의 적용사례

작성자Hyd_Air판주|작성시간09.03.13|조회수2,372 목록 댓글 0

압력스위치및 일방향 유량조절 밸브의 응용 회로의 적용사례 입니다.

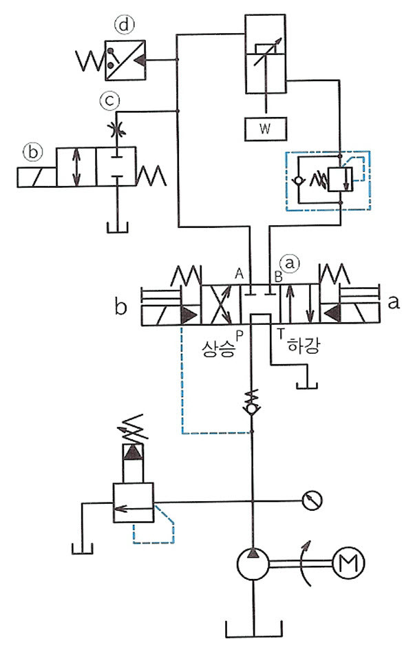
유압 프레스의 기본적 회로 구성의 예 입니다..

고압으로 실린더를 가압( 솔레노이드밸브a신호)후  곧바로 복귀행정을 하기 위해 솔레노이드밸브 b 코일에

신호를 주면, 실린더헤드측 고압유를 급격히 탱크로 개방하면 실린더 헤드측에 쇼크가 발생합니다. 

이런문제점인 쇼크를 방지하기 위하여 서서히 실린더 헤드측 압력을 감압하여 탱크로 압빼기를 한후

 복귀행정을 해야 합니다.
가압완료후 솔밸브a를 중립으로 하고 동시에 SHUT OFF 밸브  를 여자하면 압축되어 있던 기름은 

일방향 유량조절밸브 c 를 통해 기름탱크로 빠지기 때문에 가압라인은 서서히 감압 됩니다. 이때,
압력 스위치d의 설정압력까지 감압되면 이신호를 이어받아  상승측 솔밸브b 가 여자되어 쇼크를

해결하는 회로를 구성 합니다

 

 

다음검색
현재 게시글 추가 기능 열기

댓글

댓글 리스트
맨위로

카페 검색

카페 검색어 입력폼