CAFE

유압프레스 카운타발란스밸브 기초 회로

작성자Hyd_Air판주|작성시간08.06.25|조회수4,718 목록 댓글 0

이미지를 클릭하면 원본을 보실 수 있습니다.

 

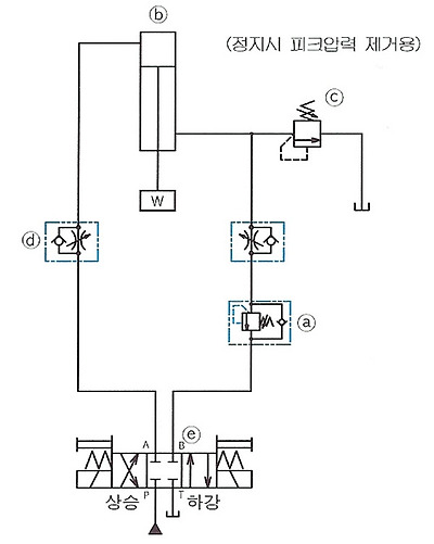
실린더b 에 아래방향으로 부하가 걸리면 부하에 의한 피스톤로드의 낙하를 방지하기 위하여 부하에 의한 압력발생측에 카운터밸런스밸브a 를 이용해서 유압저항을 주어 규정의 속도로 하강시킬수 있습니다.
여기서는 유량조절밸브 d로 속도를 조정합니다.
주) 장시간 정지시 자중에 의해 밸브a및 e의 리크가 있어 완전한 정지 유지가 힘듭니다. 이 때문에 밸브a 밑에 파이롯트 체크밸브를 설치 해야 합니다.
또 하강시 급격한 정지를 해야 할때는 관성 때문에 충격압력이 발생하므로 릴리프밸브c 를 설치하여 방지 시켜줍니다

 

다음검색
현재 게시글 추가 기능 열기

댓글

댓글 리스트
맨위로

카페 검색

카페 검색어 입력폼