CAFE

지식 게시판

오토캐드 - 도면의 구멍 치수기입 방법 강의를 공유합니다. (가공방법, 등간격, 부분단면, 해칭, 카운터보어 표시)

작성자강선남|작성시간22.10.28|조회수3,503 목록 댓글 0

https://youtu.be/0QHV9wwi5Oc

 

안녕하세요. 토이즈코리아 입니다. ^ ^

오토캐드 - 도면의 구멍 치수기입 방법 강의를 공유합니다.

(가공방법, 등간격, 부분단면, 해칭, 카운터보어 표시)

 

모쪼록, 캐드 공부가 필요하신분들에게 도움이 되셨으면 좋겠습니다.

감사합니다.

0, 예제 도면 파일 등 다운로드 URL

첨부파일 참조

1, 작업제목

오토캐드 2023 - 기계제도 32강 도면의 구멍 치수기입 방법 (가공방법, 등간격, 부분단면, 해칭, 카운터보어 표시)

2, 작업설명

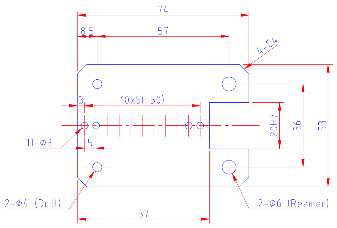
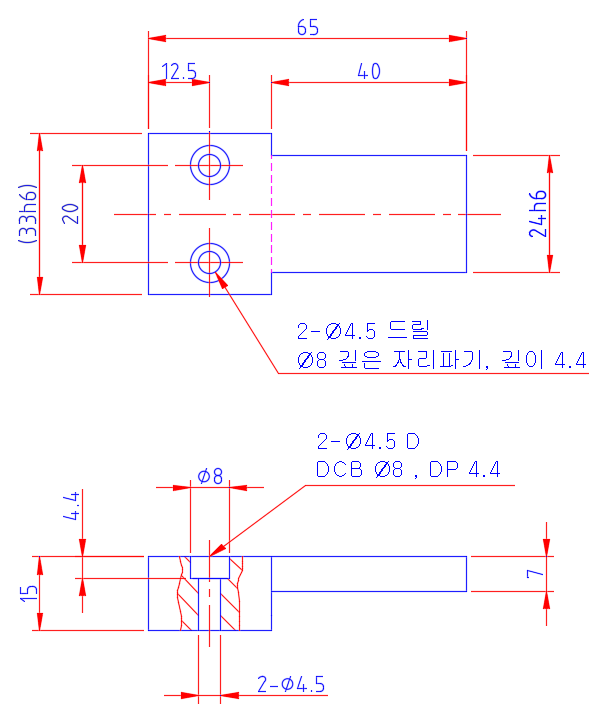
(1) 가공 방법의 표시에 대한 치수기입 방법 설명

(2) 여러 개의 같은 간격 구멍에 대한 치수기입 방법 설명

(3) 구멍의 깊이에 대한 치수기입 방법 설명

3, 작업내용

(1) 구멍 치수와 함께, 가공방법을 선택적으로 구별하여 표시합니다. (반드시는 아닙니다.)

(2) 여러 개의 등간격 구멍을 표시합니다.

(3) 카운터보어 구멍을 표시합니다.

4, 기타

(1) 오토캐드 2023 기본 및 실무 능력 향상 및 기계제도 일반사항 습득 가능

(2) 전산응용기계제도기능사 및 전산응용건축제도기능사 실기 자격증 대비 가능

(3) 기계설계산업기사 및 일반기계기사, CAT 2급 실기 자격증 대비 가능

(4) 대학전공 캐드 및 설계, 임용고시 2차 기계요소 제도, 설계 시험 대비 가능 등

 

 

다음검색
현재 게시글 추가 기능 열기

댓글

댓글 리스트
맨위로

카페 검색

카페 검색어 입력폼